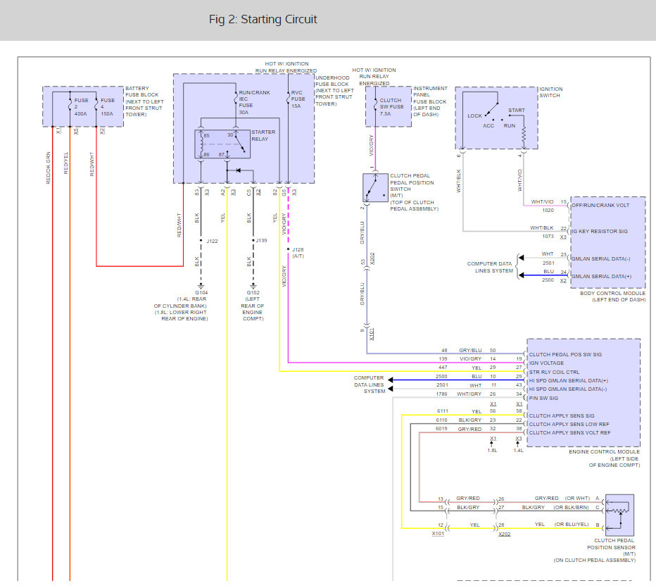
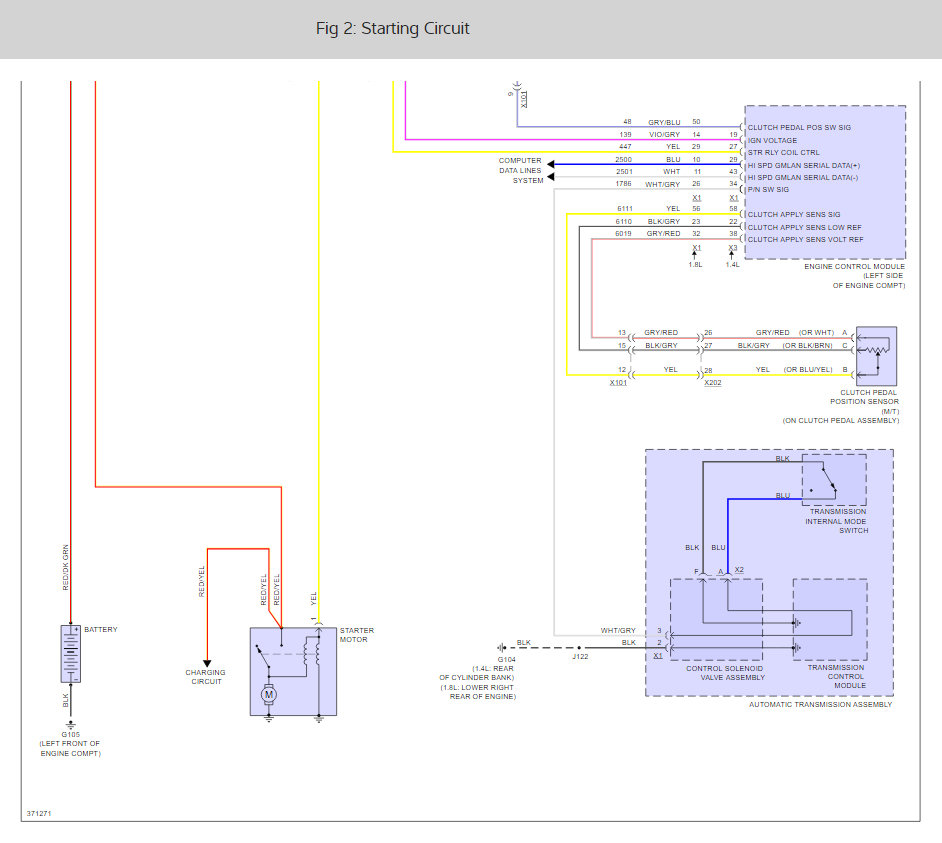
Car will not crank. The starter and battery are fine. CEL code is only showing code for relay for the cooling fan. All lights inside and outside of car work. (i.e. headlights, dome lights, dash and radio). when trying to start the dash lights go out for a second until the key is released back to on position.
Jul 20, 2017 at 6:58 AM





