Car will not crank

1998 NISSAN 200SX
163,000 MILES • 1.6L • 4 CYL • 2WD • AUTOMATIC
Avatar
MICHELLE44450
  • MEMBER
  • 1 POST
All the lights come on. I replaced the starter, battery and the ignition switch and it still will not crank. The fuses and relays works fine.
Dec 12, 2018 at 3:42 PM
Advertisement
Avatar
STRAILER
  • CERTIFIED EXPERT
  • 53,855 POSTS
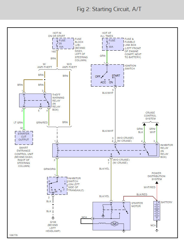
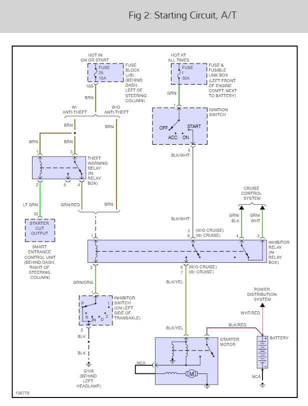
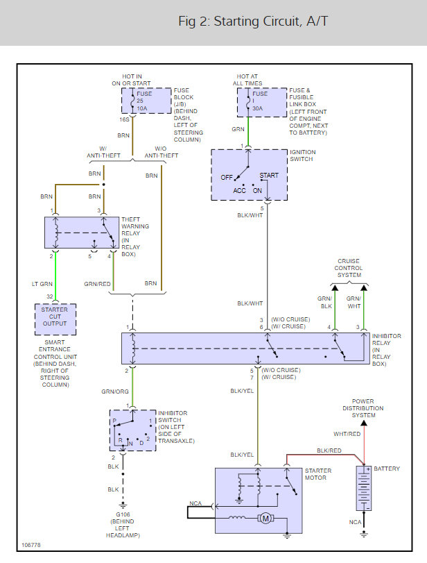
Is the security light flashing? If not here is wiring diagram of how the starter circuit works and a guide tso you can test it. Did you try starting it in neutral? If it cranks the neutral safety switch is bad. Also did you check the inhibitor relay?

https://www.2carpros.com/articles/how-to-check-wiring

and

https://www.2carpros.com/articles/how-to-check-an-electrical-relay-and-wiring-control-circuit

and

https://www.2carpros.com/articles/starter-not-working-repair

Check out the diagrams (below). Please let us know what happens.

Cheers, Ken
Dec 14, 2018 at 12:40 PM