Engine will not turn over?

1997 SATURN SL2
212,000 MILES
Avatar
DECKERHARLEY88
  • MEMBER
  • 3 POSTS
I started off with changing thermostat after that car started twice and then wouldn’t turn over again, I have checked all relays fuses change starter check alternator got a new battery. Now I have tried hot wire it all lights come on. It still will not turn over. I had to belt off and put a socket on crank and it turned so I know it’s not locked. What do I need to check now?
Sep 30, 2023 at 6:26 PM
Advertisement
Avatar
JACOBANDNICKOLAS
  • CERTIFIED EXPERT
  • 110,175 POSTS
Hi,

As far as the starter not engaging, it could be a few different things. First, see if it will start in neutral. If that doesn't make a difference, move on,

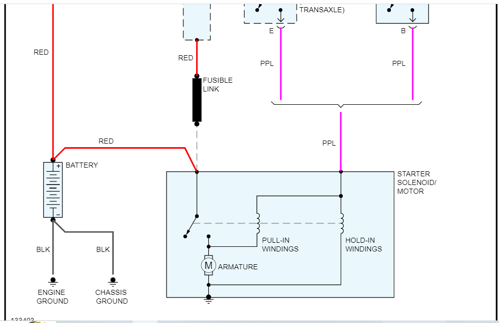
If you look below, I attached the wiring schematic for the starter circuit. I need you to check the ign fuse O/C in the under-hood fuse box. In addition to checking the fuse, confirm there is power to and from the fuse.

Here is a link you may find helpful:

https://www.2carpros.com/articles/how-to-check-a-car-fuse

Let me know what you find.

Take care,

Joe
Sep 30, 2023 at 11:36 PM