Had same issue last winter. No problem in the summer. Last year replaced battery and starter. Did all the diagnostics and still could not find issue. Very hard to asses because the car would not fail when in the shop or dealer. The Volkswagen mechanic could not find an issue with the electrical, but the car would not fail while in the shop.
By turning the key, putting my foot on the brake, and putting the shifter into neutral, and then pulling up on the lever I have been able to start the car.
Does this sound like something you have encountered in other Golfs.
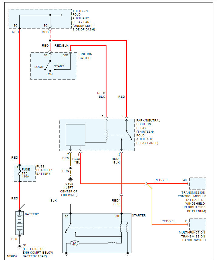
Is their a switch or relay in the shifter that is failing?
I thought I would ask for your advice before I starting taking more things apart.
Any info would be appreciated.
By turning the key, putting my foot on the brake, and putting the shifter into neutral, and then pulling up on the lever I have been able to start the car.
Does this sound like something you have encountered in other Golfs.
Is their a switch or relay in the shifter that is failing?
I thought I would ask for your advice before I starting taking more things apart.
Any info would be appreciated.
Feb 3, 2015 at 4:40 PM

