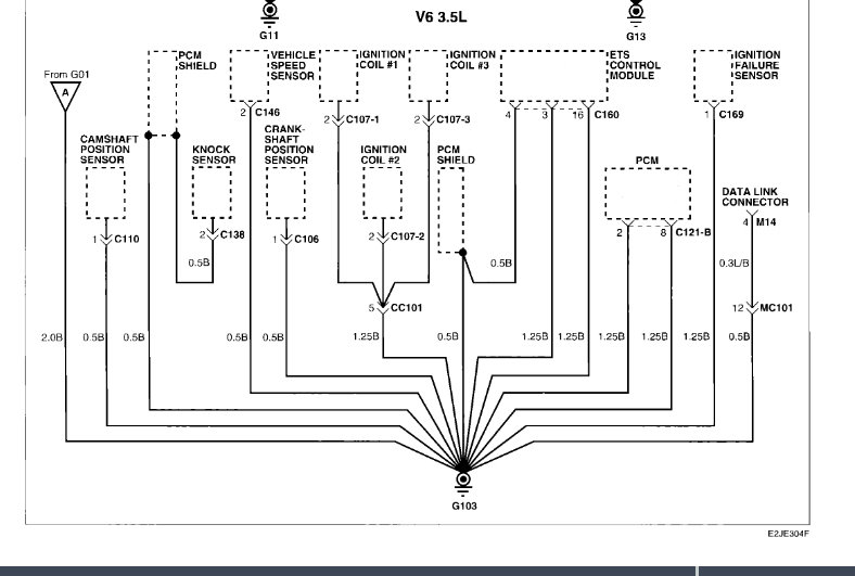
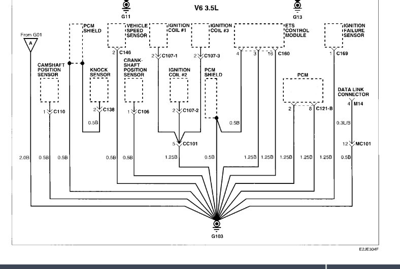
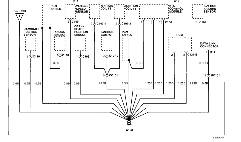
The car stops at random any temperature no set amount of kms driven. when it stops it has spark, pulsing injectors , and good fuel pressure. did the crank sensor and idle sensors too. no codes show up on ECU. get the car towed home and the next day the car starts up again. checked all harness and sensor connectors.
Oct 8, 2019 at 4:45 PM

































































