☰
Login
Join
×
Home
Answered Questions
Repair Topics
Repair & Service Guides
Popular Questions
Warning Lights
Trouble Codes
How It Works
Testing / Diagnostics
Symptoms
Videos
Login
Become a Member
Home
Chevrolet
S-10
Interior
Radio
Wiring
Car stereo diagram
2001 CHEVROLET S-10
108,684 MILES • 3.8L • 6 CYL • 2WD • AUTOMATIC
DUANE CLINGINGS
MEMBER
1 POST
FOLLOW
I just need to know the wiring diagram for the stereo system in my truck.
Feb 11, 2019 at 10:23 AM
Advertisement
ASEMASTER6371
CERTIFIED EXPERT
52,796 POSTS
Good afternoon
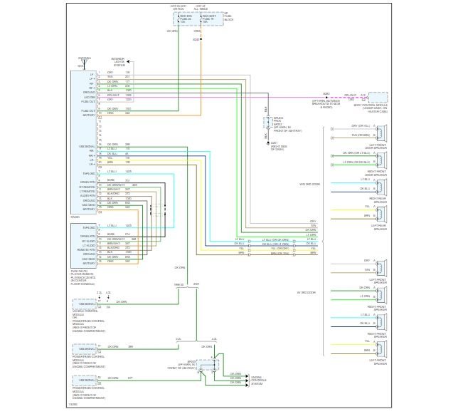
I attached wire diagrams for you for the radio below.
What is the issue ?
Roy
Images (Click to enlarge)
Feb 11, 2019 at 2:53 PM
STRAILER
CERTIFIED EXPERT
53,854 POSTS
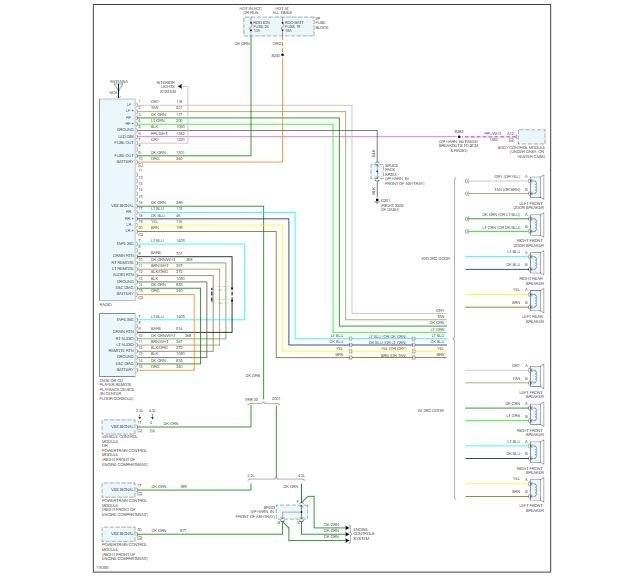
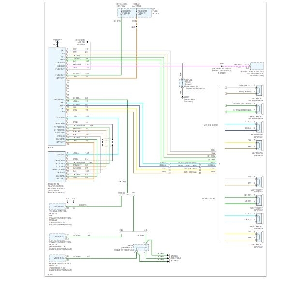
Here are updated wiring diagrams for the stereo and a guide to help test the connections:
https://www.2carpros.com/articles/how-to-check-wiring
Check out the diagrams (below). Please let us know what happens.
Images (Click to enlarge)
Oct 5, 2020 at 11:32 AM
Advertisement