Car starts but does not shift out of park, fuse panel lost power?

1995 TOYOTA CELICA
230,009 MILES • 2.2L • 4 CYL • 2WD • AUTOMATIC
Avatar
BARNOLD05
  • MEMBER
  • 1 POST
The car will start just fine but will not shift out of park, most of the fuse panel does not have power as well.
Mar 18, 2023 at 12:36 PM
Advertisement
Avatar
JACOBANDNICKOLAS
  • CERTIFIED EXPERT
  • 110,175 POSTS
Hi,

Do the brake lamps work? I ask because the power from the brake lamp switch powers the shift lock actuator.

Next, which fuses in the vehicle are not working? The fuses in the vehicle receive power from other fuses upstream. If I know which doesn't have power, I can trace it back for you.

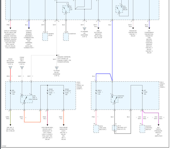
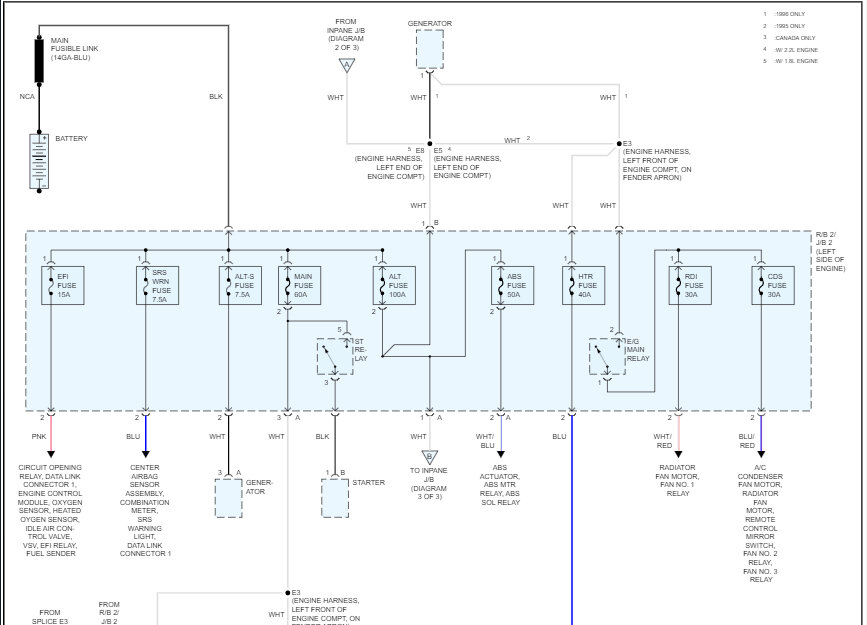
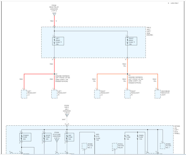
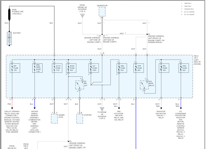
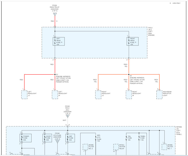
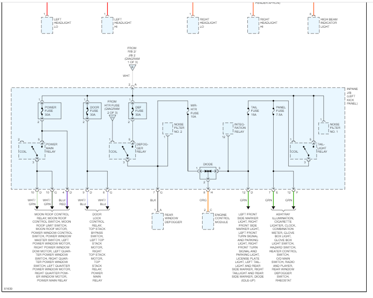
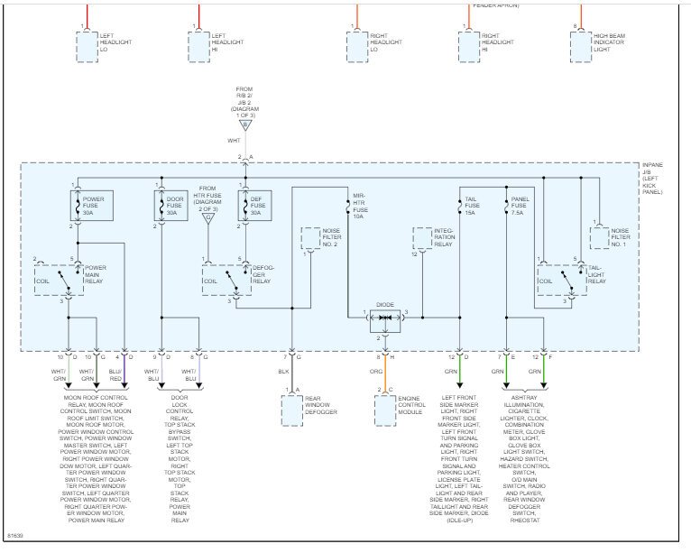
I attached the power distribution schematics below, so you have a reference. Note that the schematics were three pages long. To make them readable for you, I had to cut them in half. I did overlap them so you can follow from one to the next.

Let me know if this helps or which fuses are working. Also, pay attention to the brake lamps to make sure they are working.

Let me know what you find.

Take care,

Joe

See pics below.
Mar 18, 2023 at 2:12 PM