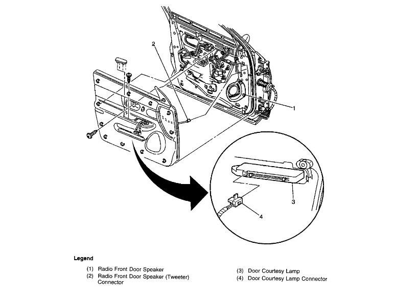
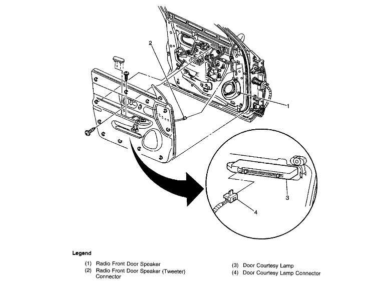
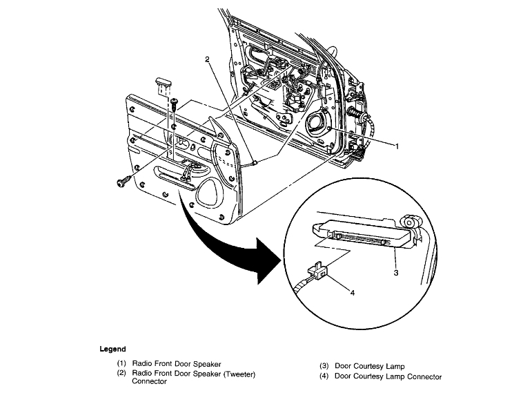
On the car listed above LS model, when replacing front door speakers and tweeters, do the door panels have to be removed or can the speaker enclosures be removed by themselves?
Jul 19, 2019 at 7:22 PM











