Shift release and power windows not working?

2011 SCION TC
73 MILES • 2.5L • 4 CYL • 2WD • AUTOMATIC
Avatar
613SCION
  • MEMBER
  • 1 POST
car parked has not been started or moved from an outdoor spot (under a tree) in year+.

2 months ago, it started immediately with a boost. The battery was (practically drained). When it started there was a burning-type smell that came from under the hood briefly. The(auto) shifter would not go into drive or neutral but would reverse but extremely stiff.

Fast forward to last week a brand-new battery was installed by a mobile service tech. However, it wouldn't start (no sound). The tech did a few tests and determined: a full charge going to the battery, shift release not working, as well as power windows. Noted check for broken ground, fuse, potential rodent...

Is there anything else that should be considered here? I'm not sure if these issues are somehow all related or more separate. I plan to get it towed to a mechanic today. I'm not a mechanically inclined person and looking to stay in contact with a qualified expert to provide a 3rd perspective throughout the process. Hoping to hear from you.
Aug 29, 2022 at 10:14 PM
Advertisement
Avatar
STRAILER
  • CERTIFIED EXPERT
  • 53,855 POSTS
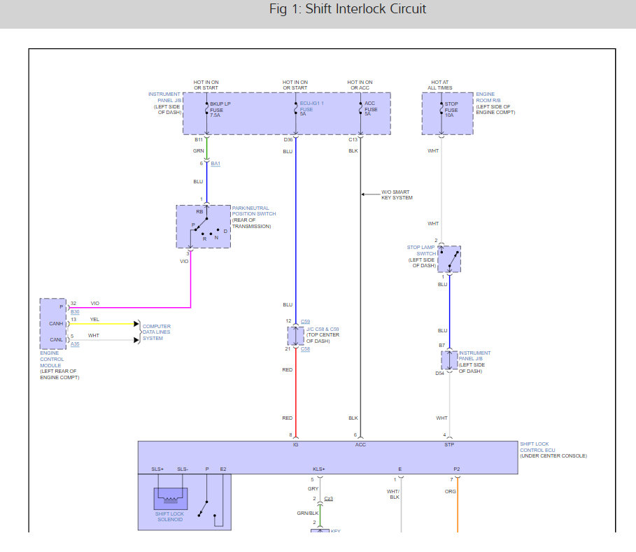
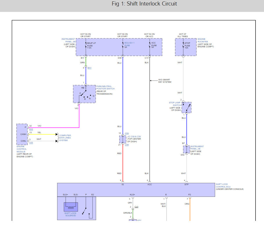
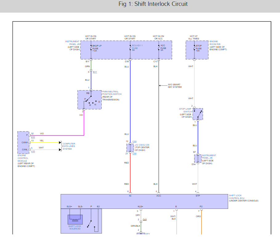
It sounds like the main body ECU is out, did you check all of the fuses? If not, I would start there.

Here is a guide to help and the fuse location in the diagrams below:

https://www.2carpros.com/articles/how-to-check-a-car-fuse

If the fuses are okay, I would do a CAN scan which is easy to do. You can get a CAN scanner from Amazon for about $30.00.

Here is a video to show you how:

https://youtu.be/u-4syLc-ifQ

Here is a scanner link:

https://amzn.to/3o41KcZ

The shift interlock solenoid is run by the ECU and the windows the body control module. Check out the wiring diagrams below so you can see how the system works. Check out the diagrams (below). Please let us know what you find. We are interested to see what it is.
Aug 30, 2022 at 11:05 AM