While driving car randomly shuts off

2006 CHEVROLET COBALT
146,000 MILES • 2.2L • 4 CYL • 2WD • AUTOMATIC
Avatar
TRIPLEOG
  • MEMBER
  • 1 POST
Check engine light is on but It doesn't throw any codes. When it shuts off the information panel says reduced power. Now for the mind boggler, after it shuts off, I can take the key out, walk back to the truck and get back in, and it starts fine. Replaced, throttle body, APP, fuel pump, and fuel filter. Any help would be greatly appreciated! Thanks in advance!
Feb 19, 2019 at 10:34 PM
Advertisement
Avatar
JACOBANDNICKOLAS
  • CERTIFIED EXPERT
  • 110,175 POSTS
Hi and welcome to 2CarPros.

Honestly, if it stalls and there are no codes, my first suspect is the crankshaft position sensor. If it is failing, it can do so and not set a code.

Take a look through this link:

https://www.2carpros.com/articles/symptoms-of-a-bad-crankshaft-sensor

Now, if this is the problem, you will lose spark when it fails. So, you can check for that or using a live data scanner, see if you lose the RPM signal.

If you determine it is bad, here is a link showing in general how one is replaced:

https://www.2carpros.com/articles/crankshaft-angle-sensor-replacement

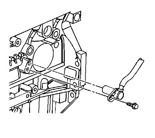
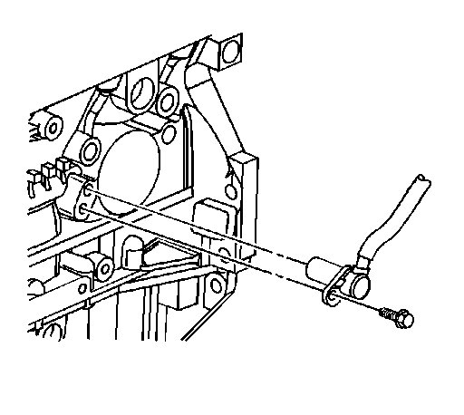
Here are the directions specific directions for you vehicle. The attached pictures correlate with these directions.

CRANKSHAFT POSITION (CKP) SENSOR REPLACEMENT

REMOVAL PROCEDURE
1. Remove the starter.


Picture 1
2. Disconnect the Crankshaft Position (CKP) sensor electrical connector.
3. Remove the CKP sensor bolt.
4. Remove the CKP sensor.

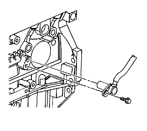
INSTALLATION PROCEDURE
1. Inspect the CKP sensor O-ring and lubricate with a mineral based grease.


Picture 1
2. Gently insert the CKP sensor into the block.
3. Install the CKP sensor bolt.

NOTE: Refer to Fastener Notice in Service Precautions.

Tighten the CKP sensor bolt to 8 N.m (71 lb in).

4. Reconnect the CKP sensor electrical connector.
5. Install the starter.
6. Perform the CKP system Variation Learn Procedure. Refer to CKP System Variation Learn Procedure.

___________________________________________

If that doesn't seem to be the problem, I suggest you check fuel pump pressure next. Something may be causing the pressure to be low such as a plugged fuel filter. When the engine stops, dirt may move in the filter allowing fuel to flow freely again. Here is a link that shows how to do it in general.

https://www.2carpros.com/articles/how-to-check-fuel-system-pressure-and-regulator

Here are the fuse pressure specs for you vehicle:


Fuel Pressure (Key ON, Engine OFF) .................... 345-414 kPa (50-60 psi)

Let me know if this helps or if you have other questions.

Take care,
Joe

Feb 20, 2019 at 3:55 PM