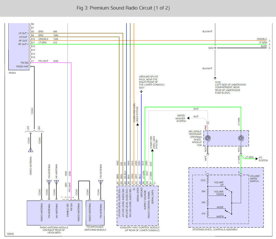
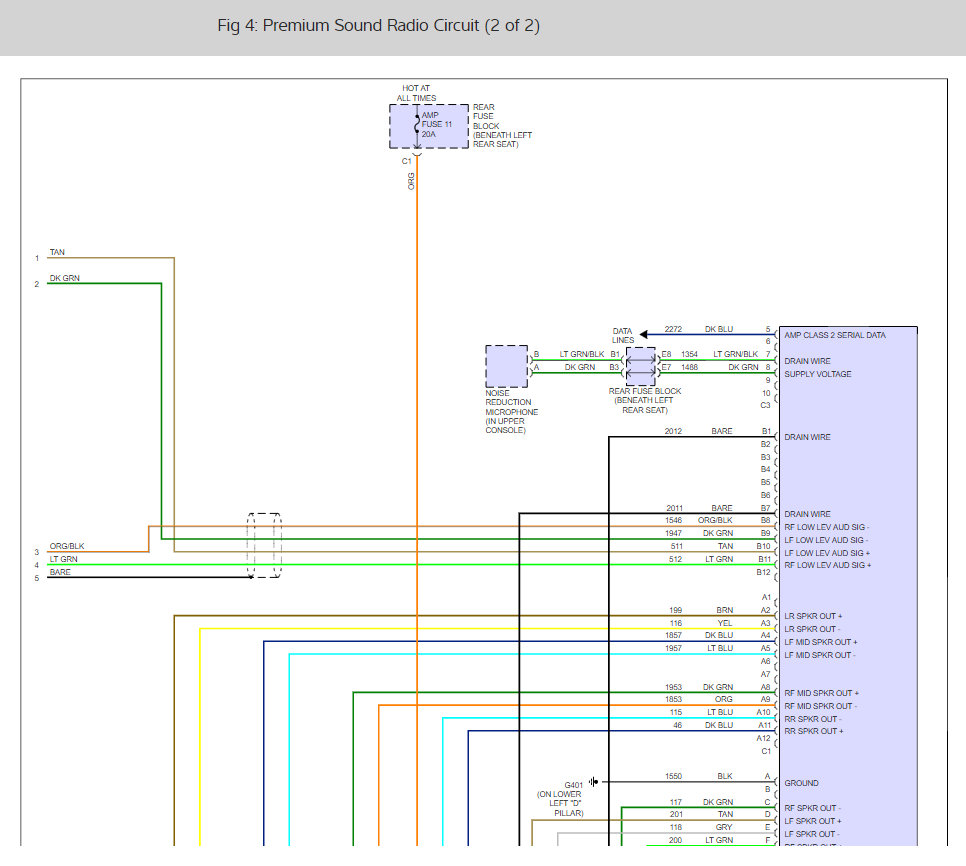
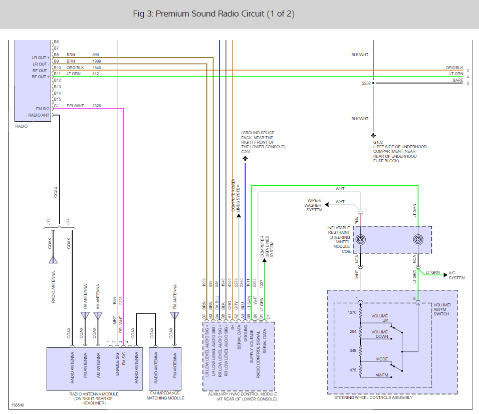
hello, i got a new radio for my vehicle and when i installed it I connected everything correctly and got power to the radio but no sound, not a noise. but, the radio shows it is playing. it does have a built in amp. how could i fix this? could i take the amp out? i talked to a stereo place and they said i need a $90.00 kit, but i think there just trying to get me to buy their stuff.
Sep 5, 2017 at 10:32 AM



