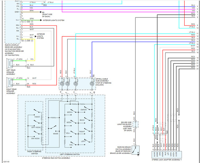
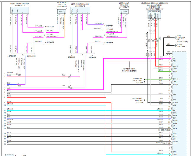
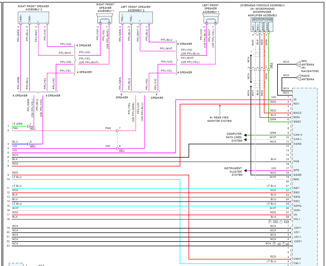
I am looking for a wiring diagram for a 2018 Toyota CHR. More specifically I need the one for the 10 pin and 6 pin connector that plugged into the back of the factory unit. I am looking for the wire diagram so I can properly connect my new navigation unit.
Feb 3, 2025 at 11:02 PM








