Car overheats when the A/C is off?

1997 HONDA CRV
178,000 MILES • 4 CYL • AUTOMATIC
Avatar
ROCKA
  • MEMBER
  • 22 POSTS
Hello. I have replaced the radiator fan, the hoses, and the temperature coolant sensor and it is still overheating. I also checked the fuses and they all work.

Please advise.
Thank you.
Aug 9, 2023 at 12:23 AM
Advertisement
Avatar
BORIS K
  • CERTIFIED EXPERT
  • 836 POSTS
Hello,

It sounds like only the condenser (AC)fan is running or the fans only run when the A/C is switched on.

Suggest checking cooling fan fuse 57(20A) in under hood fuse block first.
Also check that you have 12V supply to the radiator fan when the AC is switched on.

See good video link below:

https://youtu.be/95CwOqLvuD8

12V should be present at the black/red wire at the 2-pin radiator fan connector.
Also check that you have a good ground connection at the black wire.
This can easily be checked while checking 12V at black/red wire.
First use battery negative to prove that 12V is present, next use the black wire, you should get the same reading on the voltmeter.
See image 1 below.

How to use a voltmeter:
https://www.2carpros.com/articles/how-to-use-a-voltmeter

The other problem might be the radiator fan switch, located at the thermostat housing, lower right rear of engine. See image 2 below.

To test if this circuit is at fault simply disconnect the connector at the fan switch and insert a bridge wire from pin to pin. See if cooling fans run.

Cheers, Boris
Aug 9, 2023 at 1:30 AM
Avatar
ROCKA
  • MEMBER
  • 22 POSTS
Thank you. I replaced a part called the IAT sensor that looks like that part in the image and no change. The car runs okay with the A/C on but when the A/C is off, it overheats.
Aug 10, 2023 at 11:54 AM
Advertisement
Avatar
JACOBANDNICKOLAS
  • CERTIFIED EXPERT
  • 110,175 POSTS
Hi,

I noticed we haven't been in touch with you for a few days. Have you been able to make any progress?

I reviewed your original post. The idea that it doesn't overheat with the A/C on leads me to think the fan is running with the A/C on as it should. I have a couple of questions.

With the A/C off, does the cooling fan come on when the engine starts getting hot? Also, does it overheat if you are driving at highway speeds with the A/C off?

Let us know.

Take care,

Joe
Aug 13, 2023 at 8:55 PM
Avatar
ROCKA
  • MEMBER
  • 22 POSTS
Hello. Well, none of the fans come on when the engine starts to get hot when the A/C is off. I have replaced the radiator cooling fan and the coolant sensor and still they don’t come on.

Yes, it overheats when driving at highway speed while the A/C is off.

When the A/C is off, the car overheats.

Thank you.
Aug 14, 2023 at 12:44 PM
Avatar
JACOBANDNICKOLAS
  • CERTIFIED EXPERT
  • 110,175 POSTS
Hi,

That is an odd one. I say that because you should be getting more airflow at highway speed than the fan can do.

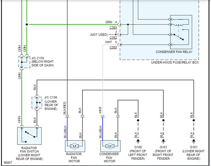
I attached the wiring schematic for the radiator cooling fans. Let me know if you have already checked the fuses and relay, I highlighted. Note: When checking the fuses, confirm there is power to them.

Here is a link you may find helpful:

https://www.2carpros.com/articles/how-to-check-a-car-fuse

Also, let me know how the relay was tested.

Take care,

Joe

See pics below.
Aug 14, 2023 at 10:43 PM
Avatar
ROCKA
  • MEMBER
  • 22 POSTS
Thank you for your reply. I checked the fuses and relay, and everything worked. Today, I had the car parked and started it after I installed an OBD with Bluetooth. I saw the engine coolant reach 217* degrees and I could see the idle go up but then I heard something in the car, like something started, (not sure how to describe or explain) but dad said it was the fans starting. I noticed the temperature went down. From 217* to 197* to 194*. I decided to drive the car for maybe 5-7 minutes, I still don’t trust it and the temperature did not increase.

I am not sure if the problem is fixed. It went up then down. All of this, including the driving with the A/C off.

See attached image of car temperature.
Aug 17, 2023 at 9:23 PM
Avatar
JACOBANDNICKOLAS
  • CERTIFIED EXPERT
  • 110,175 POSTS
Hi,

That sounds like it did exactly what it is designed to do. Drive it and don't be afraid; be aware. Keep an eye on the temperature. If you notice it getting too high, find a safe place to park and allow it to cool. Hopefully, it won't.

If anything changes, let me know. Also, if you have other questions, feel free to ask away.

Take care,

Joe
Aug 18, 2023 at 9:08 PM
Avatar
ROCKA
  • MEMBER
  • 22 POSTS
Thank you. I have had that car for 10 years now and I have never seen the idle (temperature) go up, the fans start and then go down. That part doesn’t make sense to me. My dad’s car doesn’t do that and that’s the reason I don’t trust it. Or
Maybe I need to drive it more.

Attached is an image from last month. The car “needle” got that high and on Wednesday kind of looked like that and then the fans started. I have never seen my car idle do that and start the fans.

Thanks again Joe.
Aug 19, 2023 at 1:13 AM
Avatar
ROCKA
  • MEMBER
  • 22 POSTS
I guess my point was, why the delay? Why does the temperature idle go all the way up and then the fans start? That delay is driving me crazy.
Aug 19, 2023 at 4:01 PM
Avatar
JACOBANDNICKOLAS
  • CERTIFIED EXPERT
  • 110,175 POSTS
Hi,

I understand. That is higher on the gauge than I would expect before the fans turn on, but the temp you mentioned (217F) sounds normal. Also, the increase in idle speed is by design. It does that to compensate for the added load when the fans turn on.

Have you driven it since yesterday?

Joe
Aug 19, 2023 at 8:16 PM
Avatar
ROCKA
  • MEMBER
  • 22 POSTS
Hello. I drove the car twice today. I am honestly not sure to say that the car is fixed. The first time, the temperature went up somewhat high, and came down as soon it went up. The second time, it went a little up and it took its time to come down.

When can I say that the car is fixed? Do I need to check something else?
Drive it more?

See attached pictures.

Thank you.
Aug 21, 2023 at 7:17 PM
Avatar
JACOBANDNICKOLAS
  • CERTIFIED EXPERT
  • 110,175 POSTS
Hi,

If that is where the temperature gauges are staying, it should be fine. I'm not sure where you are located, but if the temperatures are extremely high, the engine will likely run a little hotter.

The best thing to do is drive it and simply keep an eye on the gauge.

Let me know.

Joe
Aug 21, 2023 at 7:49 PM
Avatar
ROCKA
  • MEMBER
  • 22 POSTS
Well, I drove the car today and it did the same thing. I live in TX and the temperature here is crazy but it’s just another day here. Funny thing is that I don’t remember having this issue before. The temperature went up and down. I also drove with the A/C on because it was hot. The temperature gauge stayed in the middle.

Thank you again Joe.
Aug 25, 2023 at 1:24 AM
Avatar
JACOBANDNICKOLAS
  • CERTIFIED EXPERT
  • 110,175 POSTS
Hi,

Did the gauge get higher than the pics above show? You are certainly in a hot area. However, if the gauge only got as high as shown in the pics, that would be normal considering the conditions.

Let me know.

Joe
Aug 25, 2023 at 7:33 PM
Avatar
ROCKA
  • MEMBER
  • 22 POSTS
Hello. I drove the car Wed through Sat and yesterday. It did the same thing twice and the rest of the days I used the A/C.
But yesterday, it made a sound in the front part of the car, like something was rubbing a plastic/something. All of this while the temperature gauge was very high, waiting on a drive thru with the AC off. The temperature gauge was higher than the previous pictures. Yes, the temperature started to come down after the car started to “shake”, I guess it was the fans turned on.
Since I replaced the radiator fan only, I ordered the condenser fan. At this point, I think I’m just guessing.

Thank you Joe.
Aug 29, 2023 at 9:16 AM
Avatar
ROCKA
  • MEMBER
  • 22 POSTS
See attached.
Aug 29, 2023 at 2:07 PM
Avatar
JACOBANDNICKOLAS
  • CERTIFIED EXPERT
  • 110,175 POSTS
Hi,

Since it doesn't overheat with the A/C on, the condenser fan is working. I looked at the temperatures you attached above. In all actuality, they are not out of the norm. The fan may start operating when the engine coolant temperature reaches around 210 to 220 degrees Fahrenheit. You are within that range.

I just don't want to see you spend money and nothing change. Remember, when the A/C is on, the condenser fan runs at all times. With it off, the temp has to increase until the radiator fan turns on. If you are in the range I mentioned, I feel you are okay. Also, since you were at idle in a drive through, the under-hood temperature will increase.

Let me know if you have questions.

Take care,

Joe

Aug 29, 2023 at 6:49 PM
Avatar
ROCKA
  • MEMBER
  • 22 POSTS
I actually bought the condenser fan because it is cracking. My dad and I checked it, and we could see some lines in the around the fan and somewhat loose too. It bothers me that mechanic only recommended to buy one fan instead of the two.

Yes, when the temperature reaches 217* the fans start working. I just don’t understand and still freaks me out when I see the gauge go up.

I appreciate your time and help.
Thank you.
Aug 29, 2023 at 11:12 PM
Avatar
JACOBANDNICKOLAS
  • CERTIFIED EXPERT
  • 110,175 POSTS
Hi,

No problem whatsoever. I just hope I'm helping. Do me a favor. When the gauge goes to its highest point, take a pic and upload it for me. I don't feel there is an issue with the fans, but perhaps there is something going on with the gauge. It's unlikely, but anything is possible. And like you, I like to know everything is okay.

Take care,

Joe
Aug 30, 2023 at 6:54 PM
Avatar
ROCKA
  • MEMBER
  • 22 POSTS
Hello. I couldn’t upload the picture properly but that is what it looks like.
Sep 3, 2023 at 3:57 PM
Avatar
JACOBANDNICKOLAS
  • CERTIFIED EXPERT
  • 110,175 POSTS
Hi,

The picture is perfect. No problem whatsoever.

Is that the highest it gets before the fan turns on? If it is, no worries. That is where I would expect approximately 220F to be. As long as once the fan turns on and the temperature comes back down, it is fine.

Let me know if you have other questions.

Take care,

Joe
Sep 3, 2023 at 9:28 PM
Avatar
ROCKA
  • MEMBER
  • 22 POSTS
Well, I took the car to a shop that someone recommended, and they said the car doesn’t overheat. The report says that the fans turn on. While driving back the car, the gauge went up and it came down like 3 seconds later. They tested the car with the A/C on/off. I’m happy with the results but boy, the report included a lot maintenance the car needs to replace dirty =engine oil, brake and steering fluids, replace broken engine mounts and need, at some point, a new timing belt. The below picture is from yesterday, driving the car back home.
I appreciate your time and help.
Sep 9, 2023 at 4:02 PM
Avatar
JACOBANDNICKOLAS
  • CERTIFIED EXPERT
  • 110,175 POSTS
Hi,

That is good news. Also, if the timing belt is original, yes, consider replacing it. As far as the brake fluid and the PS fluid are concerned, that's a judgment call. I have never changed either in my own vehicle and have never had an issue. On the other hand, the engine oil should be changed on a regular basis.

Let me know if there is anything I can do to help or if you have questions.

Take care of yourself.

joe
Sep 9, 2023 at 8:40 PM
Avatar
ROCKA
  • MEMBER
  • 22 POSTS
Thank you for your help. I still don’t understand why the gauge goes up and then down. It didn’t do that before, and I have had that car for 10 years. It doesn’t overheat, great! But the up and then down thing drives me nuts! Especially when my dad tells me that’s “normal” and I tell him, that I never saw that before.

Thank you Joe!
Sep 15, 2023 at 11:23 PM
Avatar
JACOBANDNICKOLAS
  • CERTIFIED EXPERT
  • 110,175 POSTS
Hi,

You are very welcome. I totally understand your concern, but at this point, you should be fine. However, if anything changes, let me know and I'll help the best I can from here.

Take good care of yourself.

Joe
Sep 16, 2023 at 9:17 PM
Avatar
ROCKA
  • MEMBER
  • 22 POSTS
Thank you Joe. Take care. :)
Sep 24, 2023 at 1:54 AM
Avatar
ROCKA
  • MEMBER
  • 22 POSTS
No dude. The car is much worse. The gauge goes up to the white line now and I hear metal sounds like something is bouncing around the motor. The last mechanic I talked to said to take to the dealer or find a Honda specialist because things are not getting better. Even the tricky part of having the AC on is not helping. I am not sure what to do.
Dec 7, 2023 at 10:51 PM
Avatar
JACOBANDNICKOLAS
  • CERTIFIED EXPERT
  • 110,175 POSTS
Hi,

That is a lot higher than I want to see. I went back through our conversations. The cooling fan with the AC on was helping before but not now. Have you replaced the thermostat or tried flushing the radiator and engine block?

Let me know.

Joe
Dec 8, 2023 at 9:39 PM
Avatar
ROCKA
  • MEMBER
  • 22 POSTS
None of that.
Dec 10, 2023 at 7:24 PM
Avatar
JACOBANDNICKOLAS
  • CERTIFIED EXPERT
  • 110,175 POSTS
Hi,

If that hasn't been done, I'm going to recommend replacing the thermostat and flushing the radiator.

Here are two links. One explains how to replace a thermostat and the other explains how to flush the system. When you plan to do this, be prepared to do both at the same time. That way you won't waste coolant.

https://www.2carpros.com/articles/replace-thermostat

https://www.2carpros.com/articles/coolant-flush-and-refill-all-cars

Let me know if that is something you are comfortable doing.

Take care,

Joe
Dec 10, 2023 at 7:46 PM
Avatar
ROCKA
  • MEMBER
  • 22 POSTS
Neither. I’m a woman. And yes, I know I could do that but no.
Dec 10, 2023 at 11:05 PM
Avatar
JACOBANDNICKOLAS
  • CERTIFIED EXPERT
  • 110,175 POSTS
Hi,

Some of the best mechanics I know are women. LOL Regardless, I completely understand. Could you keep me in the loop as to if that resolves the issue?

Let me know.

Joe
Dec 11, 2023 at 8:02 PM
Avatar
ROCKA
  • MEMBER
  • 22 POSTS
I will. Thank you. I’m going to do the flush and thermostat tomorrow.
Dec 11, 2023 at 10:27 PM
Avatar
JACOBANDNICKOLAS
  • CERTIFIED EXPERT
  • 110,175 POSTS
You are very welcome. Let me know if it helps. I'm interested in knowing.

Take care,

Joe
Dec 12, 2023 at 6:40 PM
Avatar
ROCKA
  • MEMBER
  • 22 POSTS
Hello Joe. I hope you had a wonderful Christmas. Here’s an update: I had the thermostat replaced and the mechanic did a “bleeding” and for a while, again, I thought everything was working but no. I drive the car okay but as soon as I park, the gauge goes up and when I am stuck in traffic, the gauge goes up. Also, it is leaking some coolant randomly, not all the time. My dad said that it seems I need to buy another car.
Dec 26, 2023 at 12:40 PM
Avatar
JACOBANDNICKOLAS
  • CERTIFIED EXPERT
  • 110,175 POSTS
Hi,

Where does the coolant leak appear to be coming from? Do you ever notice white smoke from the exhaust or anything odd about the color of the engine oil?

Joe
Dec 26, 2023 at 9:25 PM
Avatar
ROCKA
  • MEMBER
  • 22 POSTS
The coolant is coming off from the right side of the car ( I’m sure this is not what you’re asking). I haven’t noticed any white smoke and I have not checked the oil. My dad checked it probably last month and it looked normal. I’ll tell him to check it again tomorrow.
Dec 26, 2023 at 10:59 PM
Avatar
JACOBANDNICKOLAS
  • CERTIFIED EXPERT
  • 110,175 POSTS
We need to find the leak. Do me a favor. Take a look through this link and let me know if it helps you find the leak:

https://www.2carpros.com/articles/car-is-leaking-coolant

Let me know. I'm wondering if it is coming from the cylinder head.

Take care,

Joe
Dec 27, 2023 at 8:54 PM