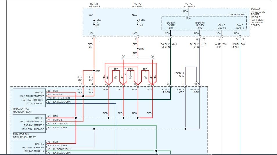
Whenever the car is in park or still for too long the temperature gauge starts moving up and the A/C no longer feels cool but starts blowing out warm air. Now that it’s getting hotter out the car is overheating when in park. what should I do?
Jun 9, 2021 at 12:53 PM





