Constantly overheating issue?

2016 JEEP LIBERTY RENEGADE
76,000 MILES • 2.4L • 4 CYL • 4WD • AUTOMATIC
Avatar
HANNAHHUDNALL
  • MEMBER
  • 1 POST
My car has constantly been overheating. The thermostat and cooling fan have been replaced along with the cooling fan resistor. coolant level is fine. The repair shops have tried everything and nothing seems to stick.
Apr 20, 2023 at 4:00 PM
Advertisement
Avatar
STRAILER
  • CERTIFIED EXPERT
  • 53,854 POSTS
When the engine is overheating do you hear the radiator cooling fan come on? If so, we need to check for the blown head gasket.

Here is a guide that will help with the test:

https://www.2carpros.com/articles/head-gasket-blown-test

and

https://www.2carpros.com/articles/recognizing-the-symptoms-understanding-a-blown-head-gasket-in-your-vehicle

This guide can help as well:

https://www.2carpros.com/articles/engine-overheating-or-running-hot

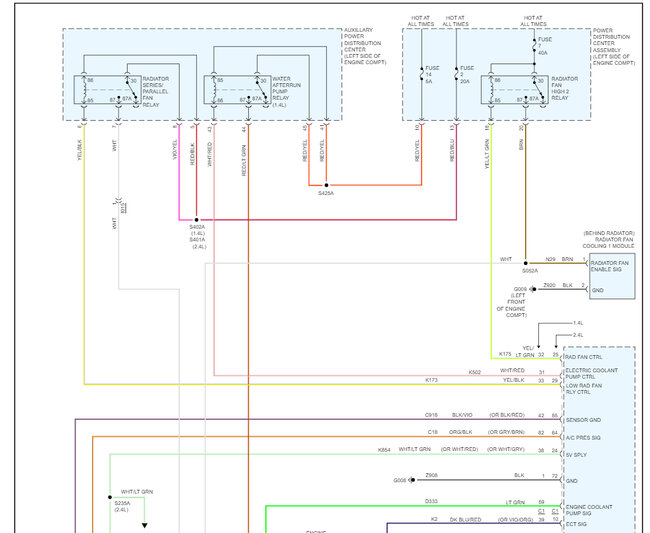
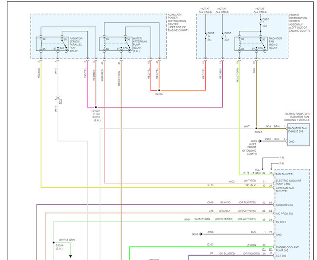
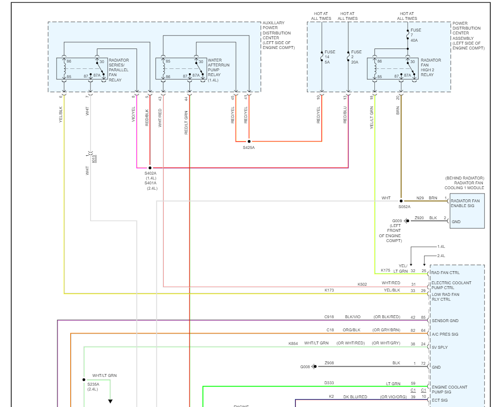
Please go over these guides and report back. If the cooling fan is not coming on it could be a bad fuse or relay, please check fuse #7 40-amp in the fuse panel under the hood. The fan control relay is in the same fuse panel. Here are the cooling fan wiring diagrams so you can see how the system works. Check out the images (below). Let us know what happens and please upload pictures or videos of the problem so we can see what's going on.
Apr 21, 2023 at 1:19 PM