Car overheating

1999 CHEVROLET BLAZER
195,850 MILES • AUTOMATIC
Avatar
TYRONE KNIGHT
  • MEMBER
  • 2 POSTS
First there was a hissing sound coming what sounds like the A/C but that was off now car is overheating.
Sep 18, 2019 at 3:37 AM
Advertisement
Avatar
KENW1
  • CERTIFIED EXPERT
  • 213 POSTS
Hello, few basic checks:

1. Coolant level
2. Look for burst hoses
3 Check radiator for leaks
4. listen for fan clutch engagement. the fan should roar once it hits about 215-220.

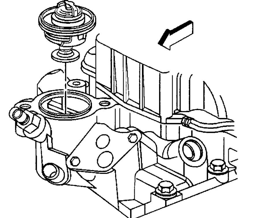
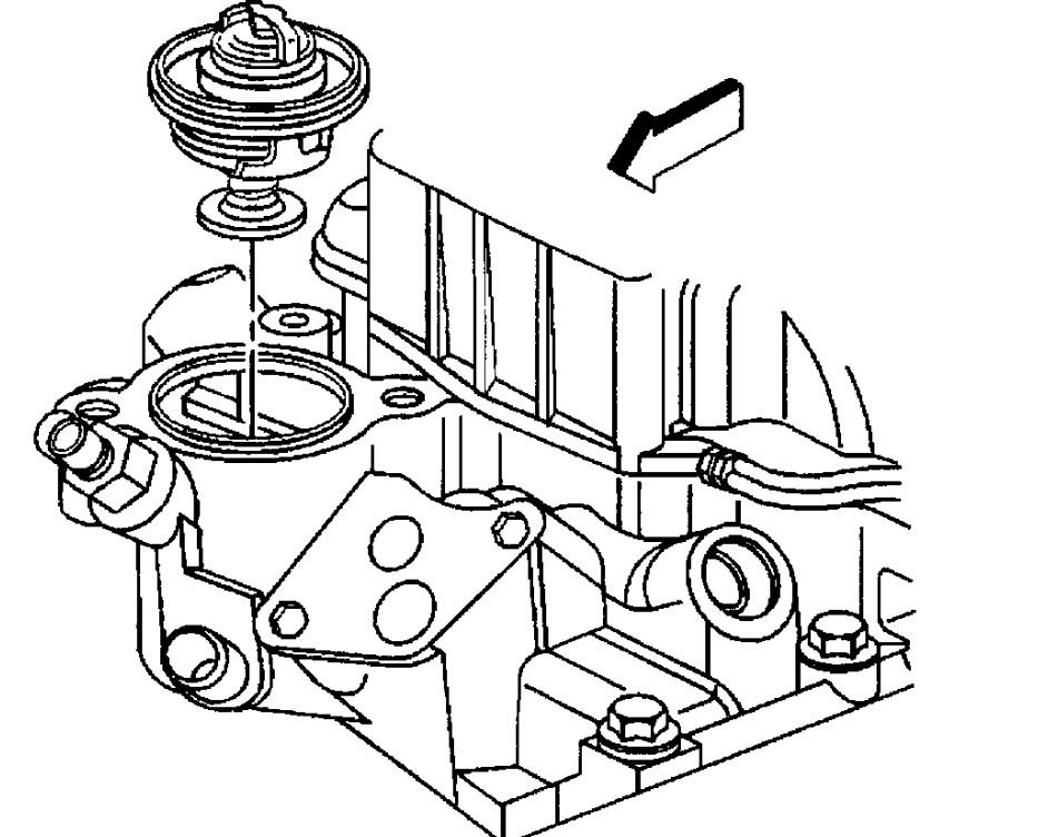
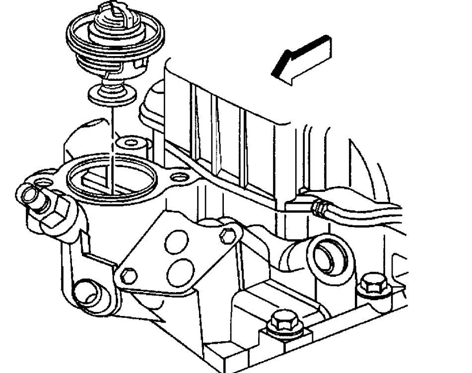
If all those pass change the thermostat and refill coolant. If it's still overheating check for a blown head gasket. You'll need to rent a block tester from the parts store, it detects hydrocarbons in the coolant. It will have instructions. below is the info on changing the thermostat.

1. Remove the air inlet duct.
2. Remove the necessary coolant from the radiator.
Refer to Draining and Filling Cooling System.
3. Remove the upper radiator inlet hose.
4. Remove the coolant outlet bolts.
5. Remove the coolant outlet from the lower intake manifold.
6. Remove the thermostat gasket.
7. Remove the coolant thermostat.
8. Clean all the sealing surfaces of the coolant outlet.
9. Clean the sealing surface on the lower intake manifold.

Installation Procedure

Important: In order to prevent leakage, thoroughly clean all parts and sealing surfaces.

1. Install the coolant thermostat in the lower intake manifold.
2. Install a new gasket (if used). Otherwise, place a 3 mm (1/8 inch) bead of RTV sealer (GM P/N 1052289, or equivalent) at the groove on the coolant outlet sealing surface.
3. Install the coolant outlet on the lower intake
4. Install the attaching bolts.
^ Tighten coolant outlet bolts to 19 Nm (14 ft. lbs.).
5. Install the radiator inlet hose.
6. Fill the cooling system with specified coolant and concentration. Refer to Draining and Filling Cooling System.
7. Inspect all sealing surfaces for leaks after starting the engine.
Sep 18, 2019 at 4:43 PM
Avatar
TYRONE KNIGHT
  • MEMBER
  • 2 POSTS
The radiator has been flushed out and the thermostat has been replaced.I replaced the thermostat and the water pump about a year and a half ago for the same issue. When the thermostat was taken out this time there was a lot of rust inside which was why the mechanic thought the thermostat was stuck, but now its still overheating. There are no visible leaks, except when it overheats and spilling over. There is also that hissing sound coming from the dashboard that started about a week before it started overheating again.
Oct 1, 2019 at 4:24 AM
Advertisement
Avatar
STRAILER
  • CERTIFIED EXPERT
  • 53,854 POSTS
You must have the thermostat back in so I would reinstall that. Can you hear the clutch fan kick in when the engine is overheating? Here is a guide that covers the popular reason for the engine to overheat:

https://www.2carpros.com/articles/engine-overheating-or-running-hot

Please run down this guide and report back.
Oct 4, 2019 at 12:56 PM