Car only starts when the intake manifold is off

2006 MAZDA 6
179,000 MILES • 3.0L • 6 CYL • 2WD • AUTOMATIC
Avatar
HITO
  • MEMBER
  • 2 POSTS
I bought the car at auction, which exhibits a no start . After multiple failures I was able to get it start, but only when the intake manifold is off. As soon as I mount the intake to the block, it wont start. Please help me understand what is happening.
Feb 3, 2020 at 6:42 AM
Advertisement
Avatar
KASEKENNY
  • CERTIFIED EXPERT
  • 18,907 POSTS
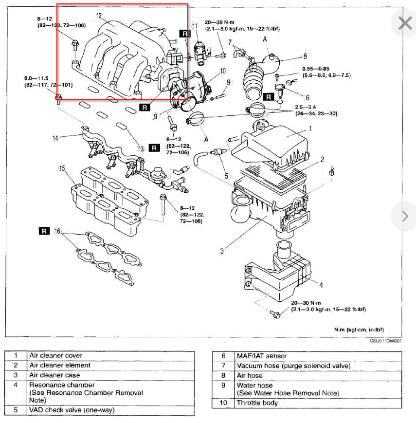
I am not sure how this would happen. I suspect we are not talking about the same part. I attached the info about the intake manifold.

Could it be the air cleaner box that you are talking about? If not, can you point out the part here or take a picture of it and that will get us on the same page. Thanks
Feb 3, 2020 at 3:19 PM
Avatar
HITO
  • MEMBER
  • 2 POSTS
Thank you for your reply. Yes, the intake manifold as circled in red in one of your attachments.
Feb 4, 2020 at 12:41 PM
Advertisement
Avatar
KASEKENNY
  • CERTIFIED EXPERT
  • 18,907 POSTS
Is it possible to get a video of this running with the intake off? I think seeing what is on the vehicle and off the vehicle will help figure this out. I can't say I have ever tried to run the vehicle without that on. Clearly the intake manifold directs the air into the cylinders so we may have a restriction not allowing air into the engine. A video will help. Thanks
Feb 4, 2020 at 3:46 PM