no engine starter operation - not working?

2005 HONDA ACCORD
140,000 MILES • 4 CYL • 4WD • MANUAL
Avatar
RAVENREALMUTO
  • MEMBER
  • 1 POST
The alternator went out in the car, while I was replacing it I forgot to unplug the battery to the car and a spark went off while I was trying to undo a bolt on the alternator. The spark was not huge maybe the size of a penny to a nickel is diameter. I then unplugged the battery and continued to take out the alternator and put the new one in. When I hooked everything back up, had the new alternator in, and battery plugged in again. I went to start the car and it would not turn on. No lights, no beeping when car door opens with key in, nothing at all. I checked the fuses, battery and ignition ones were all okay. I am not sure what else to do or check. Any ideas?
Aug 6, 2018 at 12:28 PM
Advertisement
Avatar
DANNY L
  • CERTIFIED EXPERT
  • 5,648 POSTS
Hello,I am Danny.

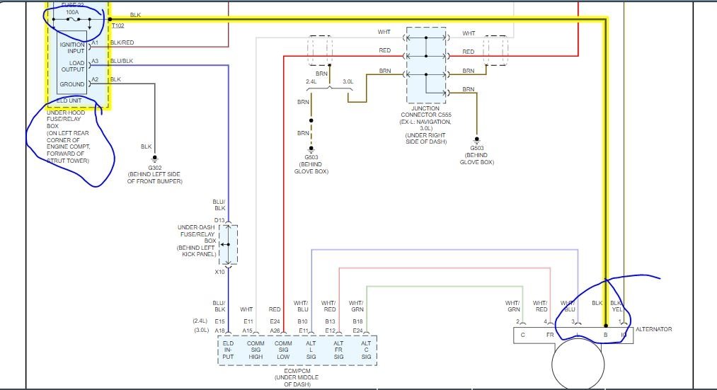
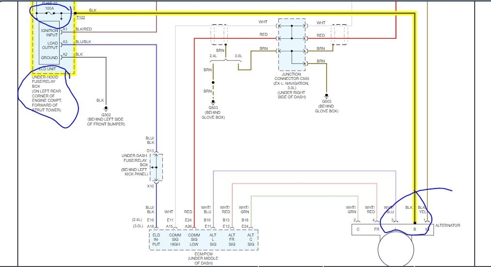
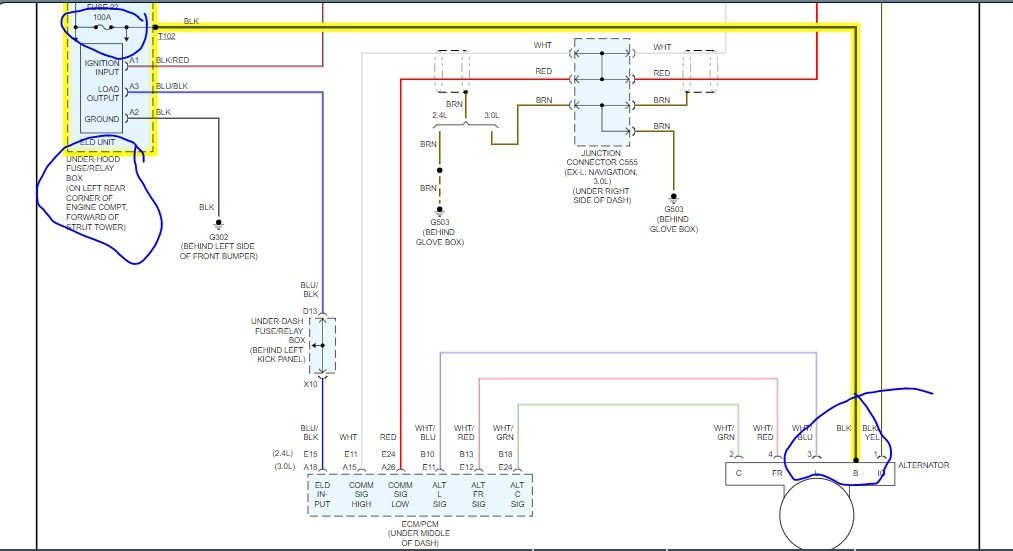
With that having happened I would say a fuse definitely popped. Just so you know there are three fuse/relay boxes on your car. Be should to check the fuses in all three. I have attached a picture of what they look like and their location. I have also attached a link showing how to check fuses. Hope this helps and feel free to ask any questions if needed. Thanks for using 2CarPros.
Danny-

https://www.2carpros.com/articles/how-to-check-a-car-fuse

and

https://www.2carpros.com/articles/starter-not-working-repair

Check out the diagrams (Below). Please let us know what you find. We are interested to see what it is.
Aug 6, 2018 at 7:09 PM
Avatar
LORRIE37
  • MEMBER
  • 1 POST
Car listed above is a 4 cylinder-60,000 miles. my car will not start unless I jump it. Afterwards, if I turn the air conditioner on the car immediately cuts off. The car will run fine if I drive it without turning the air conditioner on, but if I cut the car off it will not restart.
Sep 30, 2020 at 12:20 PM (Merged)
Advertisement
Avatar
BRUCE HUNT
  • CERTIFIED EXPERT
  • 3,754 POSTS
Treat it as two separate issues. First deal with why the car will not start. Then if you have solved that and the car is starting, deal with the A/C shutting off the car if it continues to be an issue.

On the starting and having to jump it, is the battery always dead? You need to look at battery, starter, cabling, alternator. Provide a little more info on what is happening if you wish to pursue to fix yourself or get it to a mechanic.
Sep 30, 2020 at 12:20 PM (Merged)
Avatar
ASEMASTER6371
  • CERTIFIED EXPERT
  • 52,796 POSTS
Good afternoon,

I would first have the battery load tested. There may be a dead cell or possibly the charging system may not be working correctly.

https://www.2carpros.com/articles/car-battery-load-test

https://www.2carpros.com/articles/how-to-check-a-car-alternator

Do you have a volt meter to do some quick tests?

As far as the AC, it sounds like the AC system is too much of a load and drains the battery right out. Let us address the battery issue first.

I attached a wiring diagram for you to view. Check the fuses for power on both sides.

https://www.2carpros.com/articles/how-to-check-a-car-fuse

https://www.2carpros.com/articles/how-to-check-wiring

Roy

Sep 30, 2020 at 12:20 PM (Merged)
Avatar
ASGHAR
  • MEMBER
  • 1 POST
my car was fine till yesterday. I put gas in it and it did not start. I got a jump and start it. While driving it cut out (whole electrical system went out for a second). drive around and went home. try to start, it did not. got another jump went to the bank. with someone in the car left the car running (thought it is battery and wanted to charge it) when I came back told icar shoutdown on its own. Do you think it is the battery? It is just 3 years old! why does it die when i am drving it? Thank you
Sep 30, 2020 at 12:20 PM (Merged)
Avatar
KHLOW2008
  • CERTIFIED EXPERT
  • 41,814 POSTS
Hi asghar,

Could be battery, alternator or ignition switch.

Test the battery voltage, rechage it and start car. Test charging voltage.

You mentioned electrical went out for a second, it could be the ignition switch.

Read somewhere that there was a recall on ignition switches but can't remember for what year and model. Check out with the dealer to see if your car is covered.
Sep 30, 2020 at 12:20 PM (Merged)
Avatar
NEWCAROLDQUESTIONS
  • MEMBER
  • 1 POST
Engine Mechanical problem
2005 Honda Accord 4 cyl Two Wheel Drive Automatic 130,000KM miles

i live in an eivoroment with below 30 degree celcius temperature for months. Even after keeping my car plugged in ALL the time, it fails to start. It only starts when i give it a boost using another car.

Ones the car starts it keep running and it runs fine but as soon as i turn the engine off even for 30 secs it doesnt start again. Until its boosted.

when my car is parked plugged in "for block heater" after 24 to 48 hours all the inside lights stop working, like they have no power at all. Even the blue safty locking system light goes off and i hv to maually put the key in to the door even to get in to the car. THe car remote doesnt even work. Some people told me its an ALTERNATOR problem and some said its battery failer, but i juss put in brand new battery about 9 months ago.

plz help me in this reguard, and tell me what could be the reason for this problem.
Sep 30, 2020 at 12:20 PM (Merged)
Avatar
KHLOW2008
  • CERTIFIED EXPERT
  • 41,814 POSTS
Hi newcaroldquestions,

When vehicle needs to be boosted, the battery is weak.

The symptoms described shows a weak/bad battery. Cold weather does not help and if the vehicle is left unused for extended period of time, the battery would discharge itself quite fast.

Check the battrty and charging voltage with a voltmeter when engine is running. it should be 13.5 to 15.5 volts.
Sep 30, 2020 at 12:20 PM (Merged)
Avatar
KEVIN451
  • MEMBER
  • 2 POSTS
The electrical systems died out the other day while driving. When I got home, I checked under the hood and a large collection of corrosion was on the positive lead of the battery. I cleaned it off and put a new positive clamp on it. The battery needed a little water and went back to full charge quickly. I have lights outside the car, lights inside the car, but no radio and no ignition. No dashboard lights are coming on either. I have checked every fuse I can find. Left panel, right panel and under the hood. What's the deal?
Sep 30, 2020 at 12:20 PM (Merged)
Avatar
KHLOW2008
  • CERTIFIED EXPERT
  • 41,814 POSTS
Hi kevin451,

The current supply to the underdash fuse box is missing. Check underbonnet main fuse No 41 100 A and 42, 50 A and the connection to underdash fusebox.
Sep 30, 2020 at 12:20 PM (Merged)
Avatar
KEVIN451
  • MEMBER
  • 2 POSTS
Thank you so much KHLow2008! I replaced them as you said and everything came back. If I had points, I would have granted them all to you. Excellent advise.
Sep 30, 2020 at 12:20 PM (Merged)
Avatar
KHLOW2008
  • CERTIFIED EXPERT
  • 41,814 POSTS
Hi kevin451,

Cheers, problem solved.

Thanks for the compliment. Any appreciation makes my day. :)
Sep 30, 2020 at 12:20 PM (Merged)
Avatar
MELISSA ESPARZA
  • MEMBER
  • 1 POST
I was having trouble starting my car because the key fob broke and I had to hold the chip just right so it would start . Then I could not start it at all and now my battery has drained out.
Sep 30, 2020 at 12:20 PM (Merged)
Avatar
STRAILER
  • CERTIFIED EXPERT
  • 53,854 POSTS
Hello,

It sounds like the car battery has gone bad, please follow this guide to load test it.

https://www.2carpros.com/articles/car-battery-load-test

Please run this test and get back to us so we can continue helping you.

Cheers, Ken

Sep 30, 2020 at 12:20 PM (Merged)
Avatar
MISSSUBARU
  • MEMBER
  • 1 POST
I have a fairly new battery when it died 1 1/2 ago when my car suddenly died and told me I needed a new battery. Now for the third time in 45 days it has died again. I brought the car into Sears where I had the battery put in and warrent and they told me it was a bad connection and dusted off the curd and off I went. about 30 days later the same thing happen. This time I had them test the started and the rest of what might be the problem. They found nothing. This time they really cleaned the battery up again and off I went. 15 days later, my car died again. I had used it to go to the store and it started kinda hard (temp 74) Florida no rain at any time of the problems. I had them run a check at Autozone and the read out did say I had a problem with Vacuum hose and oxygen sensor. Wound this cause my car to die. It can start right up if it is jumped and run pretty good for a while but I should not run the radio buy itself. That seems to make it die quicker. HELP!
Sep 30, 2020 at 12:21 PM (Merged)
Avatar
KHLOW2008
  • CERTIFIED EXPERT
  • 41,814 POSTS
Hi misssubaru,

Did you test the charging rate of the alternator?
If the battery had drained off after parking over a period of time, you should check for power drain.

One of the most common power drain is a faulty fan relay. When vehicle is turned off, the fans stays on because of a faulty relay that is sticking and not cutting off.
Sep 30, 2020 at 12:21 PM (Merged)
Avatar
RON771
  • MEMBER
  • 10 POSTS
I am posting this message before going to Honda dealer to figure out the problem in my car.

I have 2004 Honda Accord Automatic V6 with 56k Miles on it.My question is when i drive my car more then 30 minutes and park my car at uphill or downhill with engine start.When i put my car from Park TO Reverse it hear the noise from engine.It will also happen if turn off and then turn on the engine at the same place.I have not seen this problem in normal parking.
If anyone can help me before i got caught from dealer that will be great of you.
Please drop me your suggessions.

Thanks in Advance !
Sep 30, 2020 at 12:21 PM (Merged)
Avatar
BRUCE HUNT
  • CERTIFIED EXPERT
  • 3,754 POSTS
It is Monday and maybe I am a little slow this morning. I really had a time trying to follow your post. Sorry.
Sep 30, 2020 at 12:21 PM (Merged)
Avatar
RON771
  • MEMBER
  • 10 POSTS
Bruce-

Let me explain to you pratically.
Let suppose you driving my car and after a while you have park it on somewhere which has a little upward slope.When you will put the car in reverse gear it sometime make noise which i think gear makes.
You will not hear this sound when park on the straight surface.Remember that my car is automatic.

let me know if you got this Time
Waiting
Ron
Sep 30, 2020 at 12:21 PM (Merged)
Avatar
BRUCE HUNT
  • CERTIFIED EXPERT
  • 3,754 POSTS
That is what I thought you were saying but I heard the comment about engine noise. Did you get involved or recieive anything about a Honda class action suit on a similar issue with the tranny? This is a popular complaint but I am not aware of any failures because of it. Do a search for that suit and see if you are included.
Sep 30, 2020 at 12:21 PM (Merged)
Avatar
RON771
  • MEMBER
  • 10 POSTS
Thanks for the quick reply.
I have seen the honda class action suit it dosen't cover.
Is that can be go if change the transmission oil ?
Do you know any side effect of that ?

Thanks Again.
Waiting.
Sep 30, 2020 at 12:21 PM (Merged)
Avatar
BRUCE HUNT
  • CERTIFIED EXPERT
  • 3,754 POSTS
I do not know of any side effects. The tranny fluid change will likely not fix the sound, but when you go to the service counter for the parts (tranny fluid) mention the problem to them. Ask about the side effects and if they have any additives available that will help but not harm.
Sep 30, 2020 at 12:21 PM (Merged)
Avatar
TAMPA099
  • MEMBER
  • 1 POST
I have a 2003 Honda Accord 4 cylinder. If it sits for a while the cart will crank very slow before it catches to start. Sometimes if it sits too long if you turn the key nothing will happen until you turn it 2 or 3 times.

I have had a new alternator put in it. The battery is also one year old. A Honda dealer checked it and said everything is okay. (starter. battery, charging system)

They said essentially until it stops starting there is nothing they can find.
Sep 30, 2020 at 12:21 PM (Merged)
Avatar
JACOBANDNICKOLAS
  • CERTIFIED EXPERT
  • 110,175 POSTS
If the starter is turning the engine slowly, either you have a bad starter (drawing too many amps) a bad connection (battery terminals, cables, ground) or the battery is weak.
Sep 30, 2020 at 12:21 PM (Merged)
Avatar
Q77XQ77
  • MEMBER
  • 1 POST
i have taken this to mechanics twice and once to the auto electric shop and i am frustrated. i drive my car allot i start it probably 20 times a day and occassionaly the car acts like the battery is dead it wont turn over but if i turn the key off and give it gas it will start. i was told by the auto-electric mechanic it was the battery so i had them get a new one. it worked for about two days then did it again. i took it back and they could not get it to do the problem. very frustrating.
Sep 30, 2020 at 12:21 PM (Merged)
Avatar
2CARPRO JACK
  • CERTIFIED EXPERT
  • 11,533 POSTS
Could be a bad starter/solenoid. Check for 12 volts at the small wire on the starter with key in crank position. If it has power then the starter needs to be replaced. If none, then get back to me and we will figure out where it stops.
Sep 30, 2020 at 12:21 PM (Merged)
Avatar
TWOREDS
  • MEMBER
  • 1 POST
The battery was recently replaced with in the last 6 months. I have been hearing this clicking sound in the dash that sounds like a dot matrix printer going off. The sound only happens periodically- of course, never when I take it to the mechanic!
We drove the car 30 miles last night, turned it off and about 15 minutes later went to start it and nothing. Tadio, lights, ect work but nothing turns over. We attempted a jump start- nothing. It just won't turn over. Any ideas?
Sep 30, 2020 at 12:21 PM (Merged)
Avatar
MHPAUTOS
  • CERTIFIED EXPERT
  • 31,937 POSTS
Hi there,

This could be a number of things, ignition key, transmission isolator switch, starter relay starter motor, all will have to be checked out.

mark (mhpautos)
Sep 30, 2020 at 12:21 PM (Merged)
Avatar
SKULLYB89
  • MEMBER
  • 1 POST
I noticed recently when trying to start the car it sounds like it's struggling to turn over. Sometimes it takes a few tries but when it happens everything is fine. I thought it could be the spark plugs that needed to be changed so yesterday I changed them but Im still having the same problem. I replaced the battery about 7 months ago so I could only hope that's not the problem ( ALL ELECTRICAL STUFF IN CAR WORKS FINE) The car only gives this problem when it's not in use for awhile like overnight.
Sep 30, 2020 at 12:21 PM (Merged)
Avatar
THE ANSWER MAN
  • MEMBER
  • 17 POSTS
Make sure the battery cables are clean & tight. Have the battery load tested, it could have shorted cell (the place you purchased the battery may do this for free). Make sure no interior lights or other electrical loads are causing the battery to go dead (glove box light, trunk light etc.). If the battery test ok test for a closed circuit draw test, this will help you find the electrical draw.
Sep 30, 2020 at 12:21 PM (Merged)
Avatar
PONGOPACHU
  • MEMBER
  • 1 POST
Not hearing a clicking sound when trying to start the car and I just replaced the battery. One thing that is interesting is that when I put the key in the ON mode, the P and D light for the transmission both come on and then the D light goes off. Could this be the starter or starter relay?
Sep 30, 2020 at 12:21 PM (Merged)
Avatar
RASMATAZ
  • CERTIFIED EXPERT
  • 75,992 POSTS
No crank at all/nothing/nada:

Could be the starter, starter relay, clutch switch/park and neutral switch and ignition switch assuming the battery and connections are good.
Sep 30, 2020 at 12:21 PM (Merged)