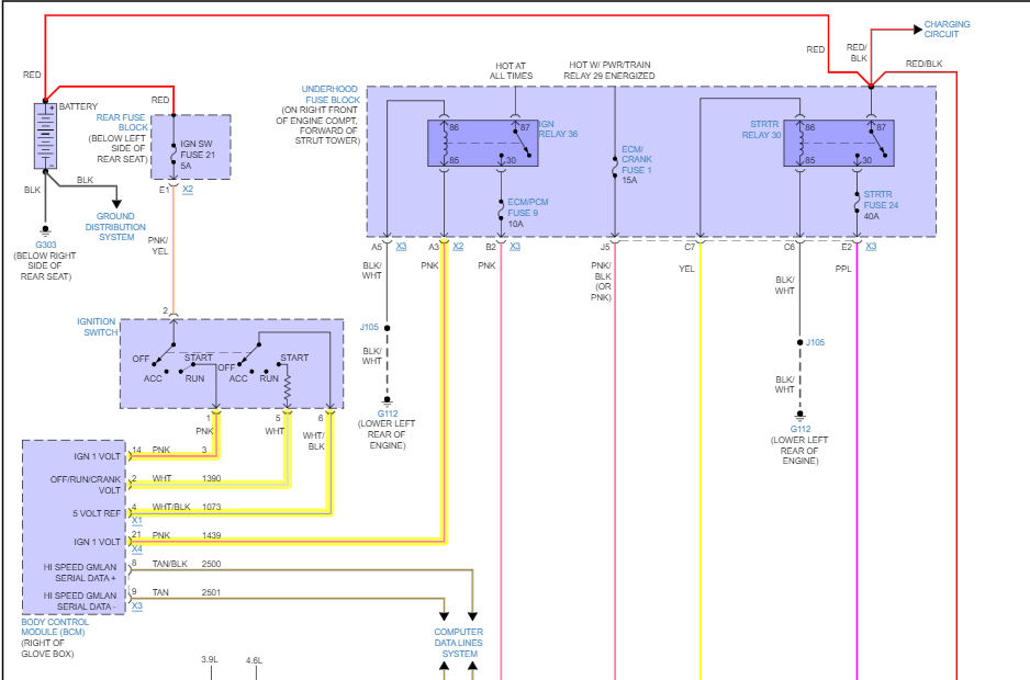
Hello, this vehicle has a somewhat complicated starting system. When you turn the ignition switch to Start, the ignition switch sends two voltage signals to the Body Control Module (BCM). The BCM then energizes the IGN Relay 36, a voltage signal from there goes through ECM/PCM Fuse 9 to the Engine Computer (ECM). At the same time Relay 29 is energized and sends a voltage to the ECM IGN VOL pin.
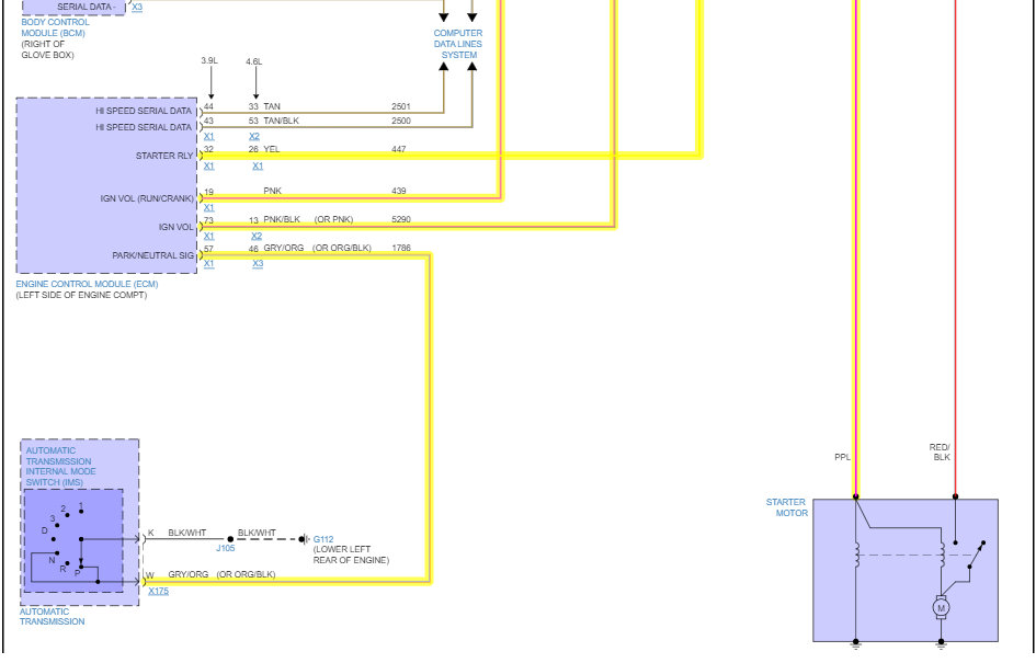
The ECM also has to see the Park/Neutral Signal to know the vehicle is not in gear as a safety precaution. From there the ECM energizes the Starter Relay (STRTR RELAT 30), which then energizes the Starter motor.
So, a lot has to happen. Vehicles today have many computers in them, and they all work together. I'll put the wiring diagrams below and what can be checked to simplify the process. You can check these fuses listed above for power while cranking the vehicle over to get an idea of where the fault may be.
If the fuses in the first diagram are okay, then the Relays IGN Relay 35 and STRTR Relay 30 need to be checked next.
Unfortunately, the manufactures don't make anything easy anymore.
The Fuse IGN SW Fuse 21 is in a fuse block below the driver side rear seat.
Here are some guides for checking fuses and using a test light:
https://www.2carpros.com/articles/how-to-check-a-car-fuse
https://www.2carpros.com/articles/how-to-use-a-test-light-circuit-tester
https://www.2carpros.com/articles/how-to-check-an-electrical-relay-and-wiring-control-circuit
Images (Click to enlarge)
Mar 11, 2022 at 10:48 AM