Hi, I recently acquired this car which had broken a timing chain tension-er. Now all reassembled, the head was rebuilt (machined including valves seats and new valve seals etc). Have put back together and have all the required things for it to run. There is fuel pressure in fuel rail and the injectors are all working, spark on all plugs and compression across all cylinders approximately 165 PSI average. I have double checked the timing and certain its correct.
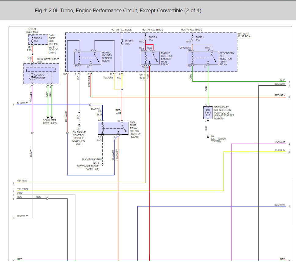
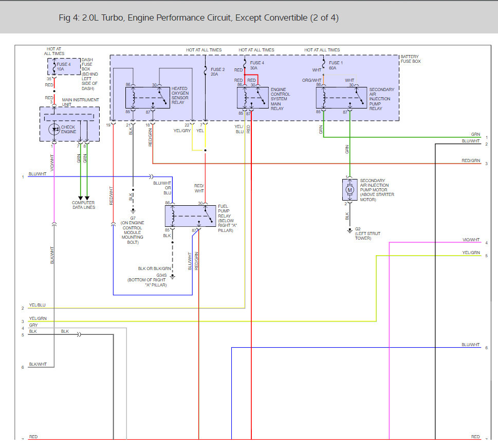
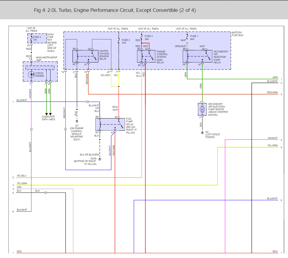
What I am getting is a starter that cranks the engine sounds like the engine is going to start then the starter disengages but the car does not run. So have to turn off the key and run through the procedure again. No joy. Pulled the codes and I am getting P0638 and P1523. So I am led to think its a throttle body issue. But I have taken the throttle body off and cleaned it. Not particularly dirty. the throttle body actuator is sealed so you cannot access it. Interestingly there is no movement on the butterfly because the actuator holds it firmly in place in the closed position and I am not going to force anything. I am not sure if this is correct and it would open when the car starts to idle?
I have also checked and cleaned the connector to the actuator. Any suggestions would be really appreciated. I am starting to run out of ideas.
What I am getting is a starter that cranks the engine sounds like the engine is going to start then the starter disengages but the car does not run. So have to turn off the key and run through the procedure again. No joy. Pulled the codes and I am getting P0638 and P1523. So I am led to think its a throttle body issue. But I have taken the throttle body off and cleaned it. Not particularly dirty. the throttle body actuator is sealed so you cannot access it. Interestingly there is no movement on the butterfly because the actuator holds it firmly in place in the closed position and I am not going to force anything. I am not sure if this is correct and it would open when the car starts to idle?
I have also checked and cleaned the connector to the actuator. Any suggestions would be really appreciated. I am starting to run out of ideas.
Oct 18, 2017 at 2:26 AM











