My car won’t start and all of the gauges went up but not back down

2003 TOYOTA CAMRY
181,000 MILES • 2.4L • 4 CYL • 2WD • AUTOMATIC
Avatar
JEDAYIUS
  • MEMBER
  • 1 POST
My car won’t start and all of the gauges went up but not back down. I just put in a new starter alternator and battery.
Nov 25, 2020 at 11:55 AM
Advertisement
Avatar
JACOBANDNICKOLAS
  • CERTIFIED EXPERT
  • 110,175 POSTS
Hi,

What was happening which caused you to replace the components you listed? Also, is it possible for you to record what is happening and upload it for me to see? This sounds like the starter is having problems or the battery needs to be load tested these guides can help us fix it.

https://www.2carpros.com/articles/starter-not-working-repair

and

https://www.2carpros.com/articles/car-battery-load-test

Please run down these guides and report back.

As far as the no start, I am thinking the starter isn't engaging simply because of the work that was done.

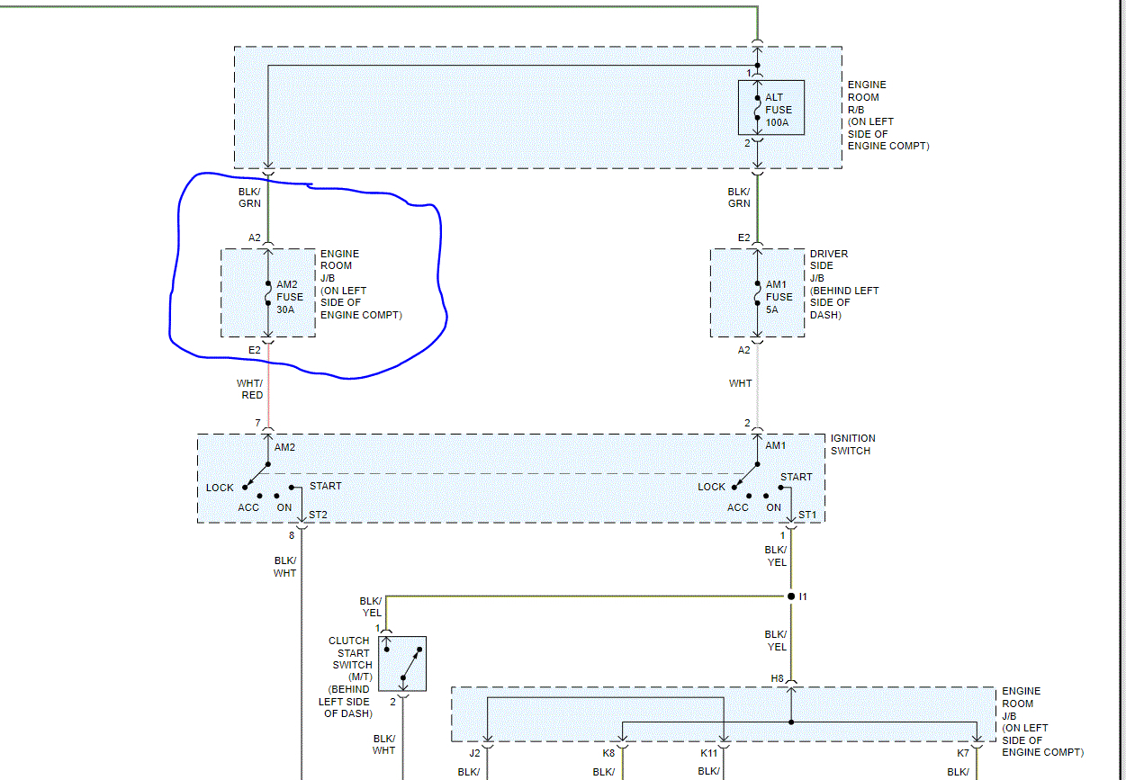
Let's start simple. If you look at the first attached pic, it shows a fuse (AM2) and pic 2 shows a relay I need you to check.

In addition to checking the fuse, confirm there is power to and from it. Here is a link you may find helpful:

https://www.2carpros.com/articles/how-to-check-a-car-fuse

As far as the relay, switch it with a different relay in the vehicle that has the same part number. If there isn't one, here is a link that explains how to check a relay:

https://www.2carpros.com/articles/how-to-check-an-electrical-relay-and-wiring-control-circuit

Check out the diagrams (Below). Let us know what happens and please upload pictures or videos of the problem.
Nov 25, 2020 at 5:47 PM