Car not cranking

2009 LEXUS IS 250
200,000 MILES • 3.0L • 6 CYL • 2WD • AUTOMATIC
Avatar
KATEBUG112290
  • MEMBER
  • 1 POST
About two months ago I went out one morning to crank my car and it would not crank, it is a push start. I would put my foot on the brake and the light on the push button would turn green and all the lights on the dash, the radio, the head and tail lights all work fine, but the car itself will not crank and it will not even turn over. then it got to the point it would crank once a day but would shut off immediately after cranking and would not crank and would not turn over no more after that. we have tested the battery and starter both are fine. I replaced the alternator. we checked all the fuses none are blown. we replaced the starter relay and the fuel pump relay. now we are just stuck on what it could be! Thanks in advanced!
Mar 7, 2019 at 3:45 PM
Advertisement
Avatar
SCGRANTURISMO
  • CERTIFIED EXPERT
  • 4,897 POSTS
Hello,

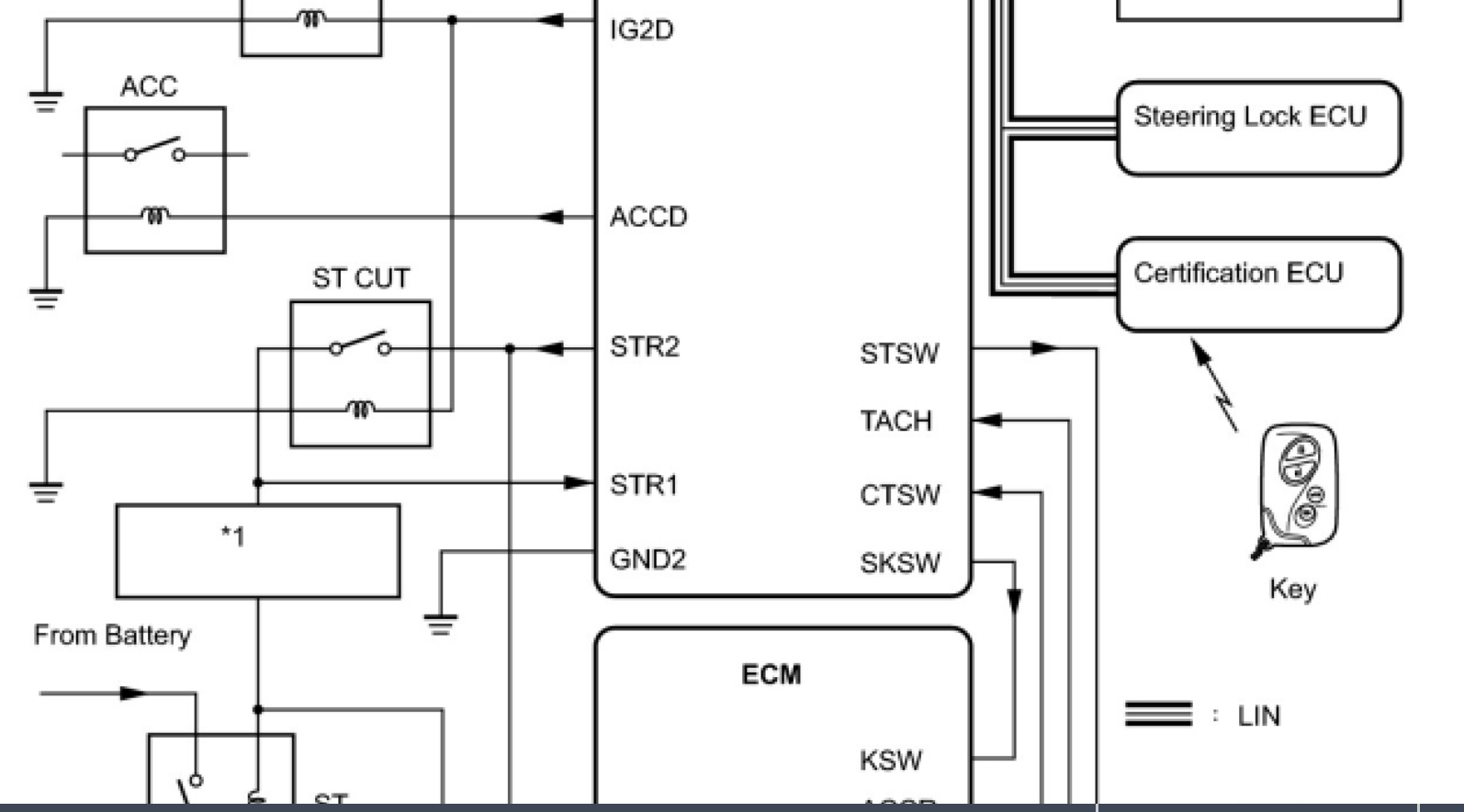
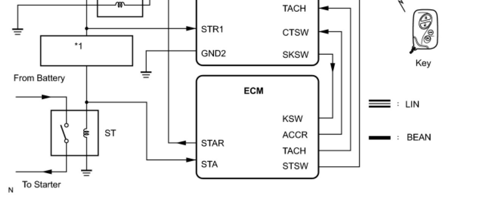
This could be a faulty ECU. In the diagrams below I have included a vehicle manufacturer diagnostic troubleshooting flowchart. I have to warn you though, it is quite lengthy and towards the end of it it does require some special tools for a couple of steps, but you may not even make it that far. You could find your problem in the first couple of steps. anyway, having said that, please go through the flowchart and get to us with what you find out.

Thanks,
Alex
2CarPros
Mar 8, 2019 at 4:00 AM
Avatar
JIS001
  • CERTIFIED EXPERT
  • 3,412 POSTS
Do this quick test and let us know what happens. When your vehicle does not crank over take a picture of your instrument cluster so I can see what lights are on. If the Check Engine light is not on then your fuel pressure sensor has shorted out and has taken out your 5 volt reference and caused the ECU to shut down to protect itself from burning up.
Mar 14, 2019 at 9:48 PM
Advertisement