Car not accelerating

2000 MERCEDES BENZ C200
99,543 MILES • 4 CYL • 2WD • AUTOMATIC
Avatar
BLESSING EWOBOR
  • MEMBER
  • 754 POSTS
Hello, the car listed above is starting but vehicle is not accelerating, if it does it won't exceed 2 on the tachometer. I have checked the fuel pump and spark plugs,they are working properly. I wanted to scan it but I can't find the OBD port (it has been removed). What other things can I check for?
Aug 28, 2020 at 6:00 AM
Advertisement
Avatar
JACOBANDNICKOLAS
  • CERTIFIED EXPERT
  • 110,175 POSTS
Hi,

I'm not showing a C200. The closest thing I can find is a C230 with the 2.3L.

As far as the DLC, I attached a pic below that shows two locations. Take a look at it and see if it helps. Keep in mind it is from the wiring schematic of a C230.

Now, when the engine idles, is it a smooth idle? Next, if the vehicle is in park or neutral, can you rev the engine beyond 2,000 RPM's?

Let me know
Joe
Aug 28, 2020 at 1:19 PM
Avatar
BLESSING EWOBOR
  • MEMBER
  • 754 POSTS
The engine is not smooth idle, the engine do hesitate but somehow stable at that 2,000 rpm's.
Aug 28, 2020 at 1:30 PM
Advertisement
Avatar
BLESSING EWOBOR
  • MEMBER
  • 754 POSTS
The engine won't exceed 2,000 rpm's, when the vehicle is in park or neutral.
Aug 28, 2020 at 1:35 PM
Avatar
JACOBANDNICKOLAS
  • CERTIFIED EXPERT
  • 110,175 POSTS
Chances are it is related to a crank or cam sensor. We need to locate the DLC. I found a pic of where the C class DLCs are located. See if you can locate this on your vehicle.

See pic 1.

Joe
Aug 28, 2020 at 8:25 PM
Avatar
BLESSING EWOBOR
  • MEMBER
  • 754 POSTS
I finally found the DLC, it was squeeze somewhere.these are some codes I found in the ETC.
Aug 29, 2020 at 4:37 AM
Avatar
JACOBANDNICKOLAS
  • CERTIFIED EXPERT
  • 110,175 POSTS
Hi,

What brand car is this? The heading says Mercedes and the logo on the steering wheel is a Lexus.

Let me know.
Joe
Aug 29, 2020 at 2:27 PM
Avatar
BLESSING EWOBOR
  • MEMBER
  • 754 POSTS
It is Mercedes Benz, all the pictures is for the Mercedes Benz except that one with the Lexus logo. if you notice the codes starts from alphabet "P" is for the Lexus while the Mercedes Benz starts with numbers. Please ignore the Lexus, I am still working on that. I really apologise for the inconveniences I have caused you.
Aug 29, 2020 at 9:43 PM
Avatar
JACOBANDNICKOLAS
  • CERTIFIED EXPERT
  • 110,175 POSTS
No problem. I was just confused. LOL

You have a ton of different issues. Please keep in mind, I don't have the specifics on the C200. I am using info from a C230.

Since there are several codes indicating implasable readings, it doesn't seem like a sensor issue but instead either a break down in the CAN bus or a connection at the ECM. That is where I would start. I attached what I have. I hope it is the same or similar to what you are working with.

The first pic shows the CAN system schematic. The remaining pics are from the power-train control schematics.

Check for loose connections at the ECM first.

I hope this helps.

Joe
Aug 30, 2020 at 9:24 PM
Avatar
BLESSING EWOBOR
  • MEMBER
  • 754 POSTS
Thank you very much, but the pics you sent are blur. I don't know if I can get clearer ones.
Sep 1, 2020 at 11:09 PM
Avatar
JACOBANDNICKOLAS
  • CERTIFIED EXPERT
  • 110,175 POSTS
Hi,

Take look at the attached and let me know if you can read them. It is one pic that I broke into 3 parts. Please let me know if that helps. I did overlap them so you can follow it.

Let me know.

Joe
Sep 2, 2020 at 6:29 PM
Avatar
BLESSING EWOBOR
  • MEMBER
  • 754 POSTS
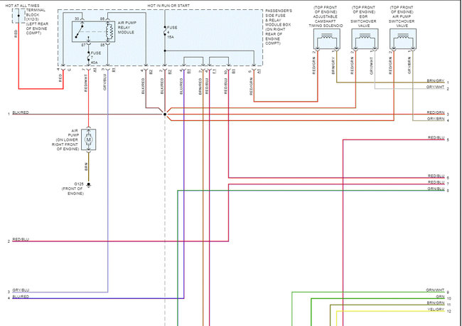
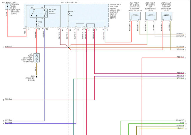
I can see it clearly but that is for the CAN system schematic, what about the power-train control schematic?
Sep 2, 2020 at 8:53 PM
Avatar
JACOBANDNICKOLAS
  • CERTIFIED EXPERT
  • 110,175 POSTS
Hi,

I thought that is what was needed. LoL

Here are the power-train control schematics. Let me know if this helps. Please remember, these are from a C230.

Joe
Sep 3, 2020 at 5:11 PM