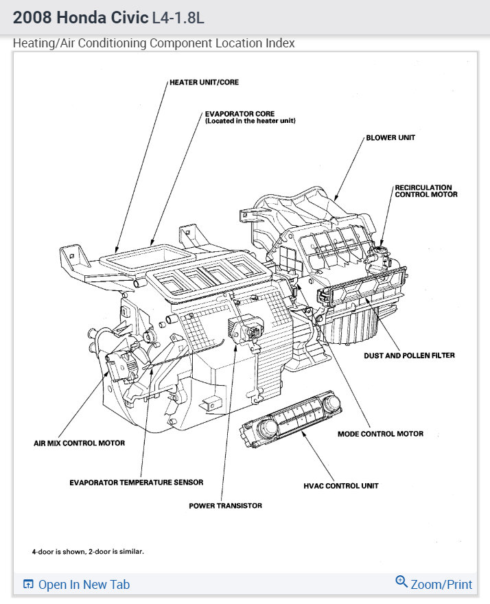
The crackling noise originally would happen after a few hours of driving on the highway. The sound came from the radio buttons. When I opened my glove-box, the sound went away. Now, if I drive more than 20 MPH, I hear the noise all the time coming from above/in front of my glove box. The crackling noise is not happening all the time, only sometimes.
Oct 16, 2018 at 5:58 AM









