Car locks and unlocks itself?

2012 JEEP COMPASS
125,000 MILES • 4 CYL • AUTOMATIC
Avatar
NICOLE53
  • MEMBER
  • 2 POSTS
My car has been locking and unlocking itself back-to-back when shut off causing my headlights to stay on.
May 9, 2024 at 11:02 PM
Advertisement
Avatar
STRAILER
  • CERTIFIED EXPERT
  • 53,854 POSTS
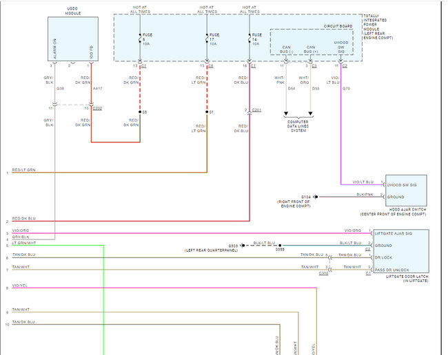
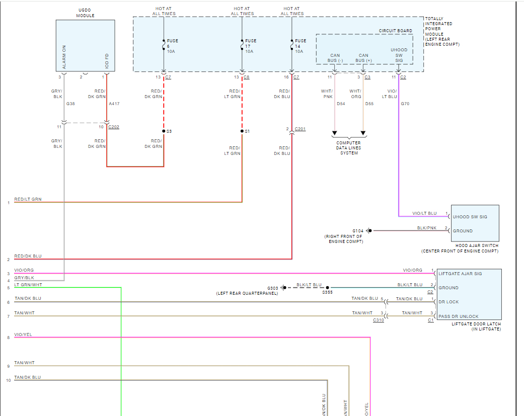
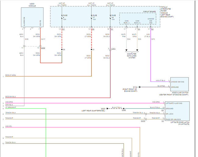
This could be one of the door latches is bad which I would guess will be the driver's door if that is the problem, we should run a can to see if any codes show up. You can get a CAN scanner (Controller Area Network) which will work on most cars from Amazon.

Here is a video to show you how:


https://youtu.be/u-4syLc-ifQ

I can tell you that the TIPM in the these cars go out all the time, here are the door wiring diagrams so you can see how the system works, and I have included how to change the TIPM out which is easy to change because it self learns so there is no programming required. Check out the images (below). Please upload pictures or videos in your response to any problems so we can see what to help you with.
May 11, 2024 at 2:29 PM