The car is not starting after sitting for two years?

2008 INFINITI EX35
170,000 MILES • V6 • AUTOMATIC
Avatar
ALIBINALI
  • MEMBER
  • 2 POSTS
My car is not starting. I changed the battery. I heard only faint click with no cranking sound. Car was not in use for last 2 years.
Sep 22, 2023 at 7:42 AM
Advertisement
Avatar
JACOBANDNICKOLAS
  • CERTIFIED EXPERT
  • 110,175 POSTS
Hi,

This could be the result of a few things. Here is what I need you to do first.

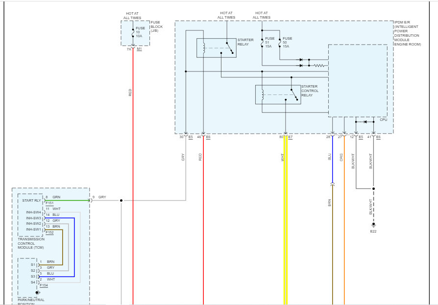
At the starter motor, there will be a heavy gauge yellow wires. It should have battery voltage at all times. Confirm that first.

Next, there is a smaller gauge white wire. This wire is the trigger wire and should only have power when the key is in the start position, or the starter button is pressed. Have a helper try starting the engine while you check for power at the white wire.

If there is power, replace the starter motor. If there isn't power, let me know and we'll work backward through the starter circuit. I have attached the wiring schematic below so that you have a reference. I believe this is a push-button start, but could you confirm that for me?

Take care,

Joe

See pics below.
Sep 22, 2023 at 3:18 PM
Avatar
ALIBINALI
  • MEMBER
  • 2 POSTS
Yes, car is push button start.
Sep 22, 2023 at 3:20 PM
Advertisement
Avatar
JACOBANDNICKOLAS
  • CERTIFIED EXPERT
  • 110,175 POSTS
Hi,

Thanks for the info. Try what I suggested and let me know the results. Again, the white wire will only have power when the starter motor is requested to start the engine. At all other times, there will be no power.

Joe
Sep 22, 2023 at 3:25 PM