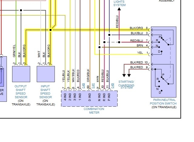
Today I think my transmission has finally gone out. It is very rough when changing from Park to Reverse or Drive. And now my car won't switch gears and I can't drive above 40mph or so. My car has a Tiptronic gearbox and when I flip it into the manual mode, it never switches over. I checked the engine codes and I'm getting the following new codes:
P0705 Transmission Range Sensor A Circuit (PRNDL Input)
P0715 Input / Turbine Speed Sensor A Circuit
P0720 Output Speed Sensor Circuit
In an older thread I posted about getting shift solenoid codes. Ever since getting the transmission fluid service, I haven't gotten those codes back. I just now got these codes as well as the symptoms mentioned above. From some quick reading on these codes, it could be an issue either with the sensors themselves, or shift solenoid issues. Note that I don't see the lights coming on in the dash indicating which PRND mode I'm in. Pretty sure this has been happening for a while for Reverse, but I think it's new that it's happening with all gears / modes. What are your thoughts on this?
P0705 Transmission Range Sensor A Circuit (PRNDL Input)
P0715 Input / Turbine Speed Sensor A Circuit
P0720 Output Speed Sensor Circuit
In an older thread I posted about getting shift solenoid codes. Ever since getting the transmission fluid service, I haven't gotten those codes back. I just now got these codes as well as the symptoms mentioned above. From some quick reading on these codes, it could be an issue either with the sensors themselves, or shift solenoid issues. Note that I don't see the lights coming on in the dash indicating which PRND mode I'm in. Pretty sure this has been happening for a while for Reverse, but I think it's new that it's happening with all gears / modes. What are your thoughts on this?
Apr 8, 2023 at 11:00 PM















