☰
Login
Join
×
Home
Answered Questions
Repair Topics
Repair & Service Guides
Popular Questions
Warning Lights
Trouble Codes
How It Works
Testing / Diagnostics
Symptoms
Videos
Login
Become a Member
Home
Buick
La Crosse
Safety
Horn
Not Working
Car horn stopped working
2011 BUICK LA CROSSE
100,000 MILES
LAJUANIA
MEMBER
1 POST
FOLLOW
I've replaced the fuse. I want to replace the horn but I don't know where it's located.
Mar 12, 2019 at 4:10 PM
Advertisement
ASEMASTER6371
CERTIFIED EXPERT
52,796 POSTS
Good evening,
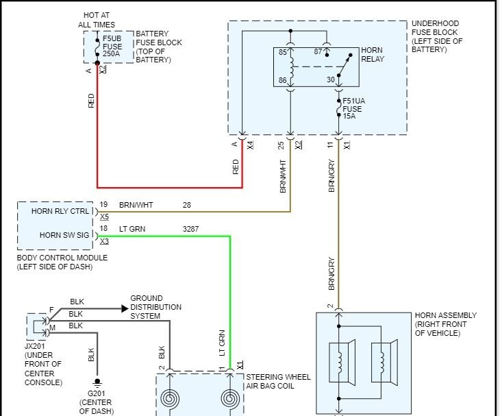
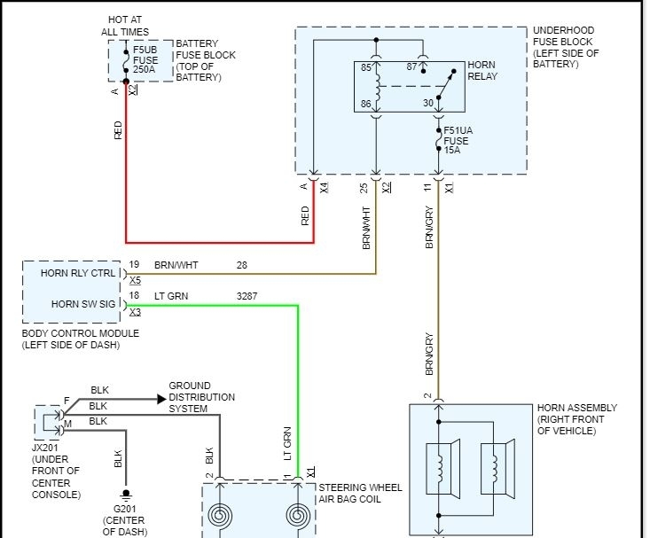
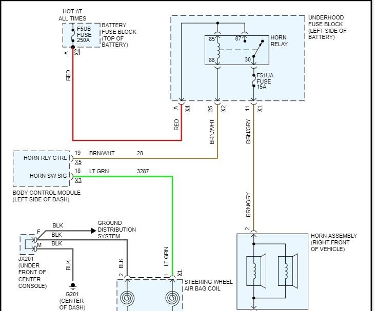
I attached the location, picture and a wire diagram for you to view for the horn.
Do you have a voltmeter to do some tests if the horns do not work?
Roy
Images (Click to enlarge)
Mar 12, 2019 at 4:33 PM