Car has no spark

1989 CHEVROLET CAPRICE
118,000 MILES • 5.0L • V8 • 2WD • AUTOMATIC
Avatar
KEVIN FAIRMAN
  • MEMBER
  • 13 POSTS
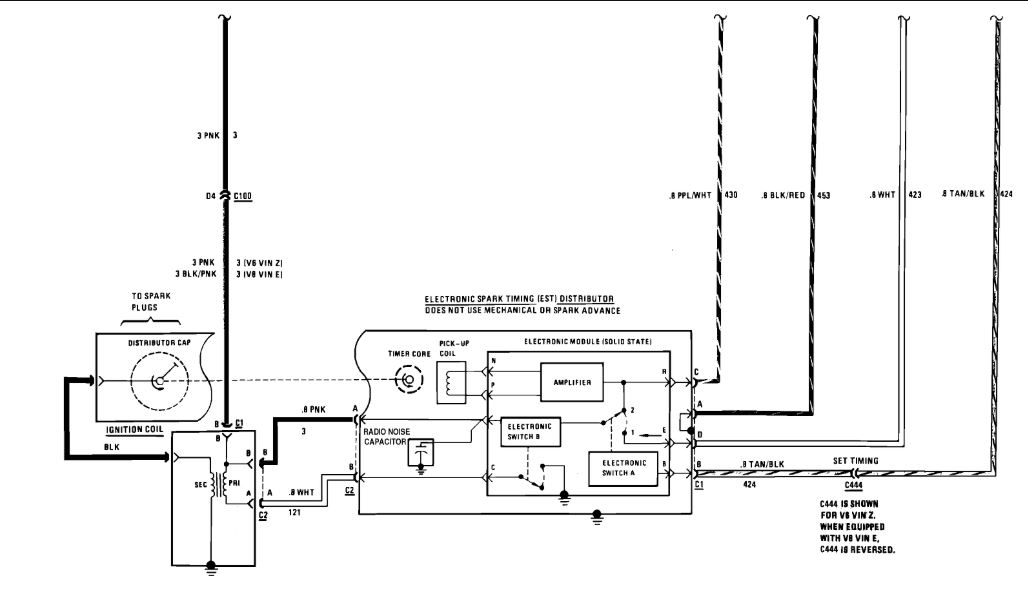
Engine turns over, fuel pump works, fuel injectors work, changed computer, changed distributor HEI module, checked the pick up coil, changed the ignition coil changed electronic spark control module, checked wiring, checked transmission position switch, changed the idle air control injector actuator, changed spark plugs, changed spark plug wires, checked the ignition switch. there's no power to the ignition coil. what else could it be?
Oct 18, 2019 at 6:30 AM
Advertisement
Avatar
ASEMASTER6371
  • CERTIFIED EXPERT
  • 52,796 POSTS
Good morning,

The wire to the Coil, the pink wire, does it have battery voltage with the key on?

Roy
Oct 18, 2019 at 6:49 AM
Avatar
KEVIN FAIRMAN
  • MEMBER
  • 13 POSTS
Yes.
Oct 18, 2019 at 1:42 PM
Advertisement
Avatar
ASEMASTER6371
  • CERTIFIED EXPERT
  • 52,796 POSTS
Then you have power to the coil.

What was the resistance of the distributor pick up coil when you tested it?

Roy
Oct 18, 2019 at 1:46 PM
Avatar
KEVIN FAIRMAN
  • MEMBER
  • 13 POSTS
It was about 1000 ohms
Oct 18, 2019 at 1:52 PM
Avatar
ASEMASTER6371
  • CERTIFIED EXPERT
  • 52,796 POSTS
Just to verify, does the rotor turn when the engine cranks?

Roy
Oct 18, 2019 at 6:01 PM
Avatar
ASEMASTER6371
  • CERTIFIED EXPERT
  • 52,796 POSTS
I show 3 replies to the question but nothing showed up.

Can you resend?

Roy
Oct 19, 2019 at 5:23 AM
Avatar
KEVIN FAIRMAN
  • MEMBER
  • 13 POSTS
Yes, the rotor turns when the engine is cranked.
Oct 19, 2019 at 6:27 AM
Avatar
ASEMASTER6371
  • CERTIFIED EXPERT
  • 52,796 POSTS
Okay use a test light and probe the tachometer terminal in the cap. Crank the engine and see if it flashes.

Roy
Oct 19, 2019 at 7:21 AM
Avatar
KEVIN FAIRMAN
  • MEMBER
  • 13 POSTS
Okay, I'll try that.
Oct 19, 2019 at 1:40 PM
Avatar
ASEMASTER6371
  • CERTIFIED EXPERT
  • 52,796 POSTS
Keep me updated.

Roy
Oct 19, 2019 at 1:50 PM
Avatar
KEVIN FAIRMAN
  • MEMBER
  • 13 POSTS
I will.
Oct 19, 2019 at 1:58 PM
Avatar
ASEMASTER6371
  • CERTIFIED EXPERT
  • 52,796 POSTS
Any update?

Roy
Oct 20, 2019 at 6:33 AM
Avatar
KEVIN FAIRMAN
  • MEMBER
  • 13 POSTS
I found the problem, it was pickup coil, it measured 1k ohms across the terminals but the coil itself was shorted to ground.
Oct 22, 2019 at 2:43 PM
Avatar
ASEMASTER6371
  • CERTIFIED EXPERT
  • 52,796 POSTS
The ohm reading was spot on.

If it were shorted, it would read 0.00

Did you replace the ignition coil or pick up coil?

Roy
Oct 22, 2019 at 2:46 PM
Avatar
KEVIN FAIRMAN
  • MEMBER
  • 13 POSTS
I replaced the ignition coil but I only checked the pickup coil.
Oct 22, 2019 at 2:57 PM
Avatar
ASEMASTER6371
  • CERTIFIED EXPERT
  • 52,796 POSTS
We would have got to that if you would have done the test with the test light on the tach terminal.

Glad you found the issue.

Roy
Oct 22, 2019 at 3:06 PM
Avatar
KEVIN FAIRMAN
  • MEMBER
  • 13 POSTS
Thank you for your help.
Oct 22, 2019 at 4:05 PM
Avatar
ASEMASTER6371
  • CERTIFIED EXPERT
  • 52,796 POSTS
You are welcome.

Always glad to help.

Roy
Oct 24, 2019 at 2:40 AM