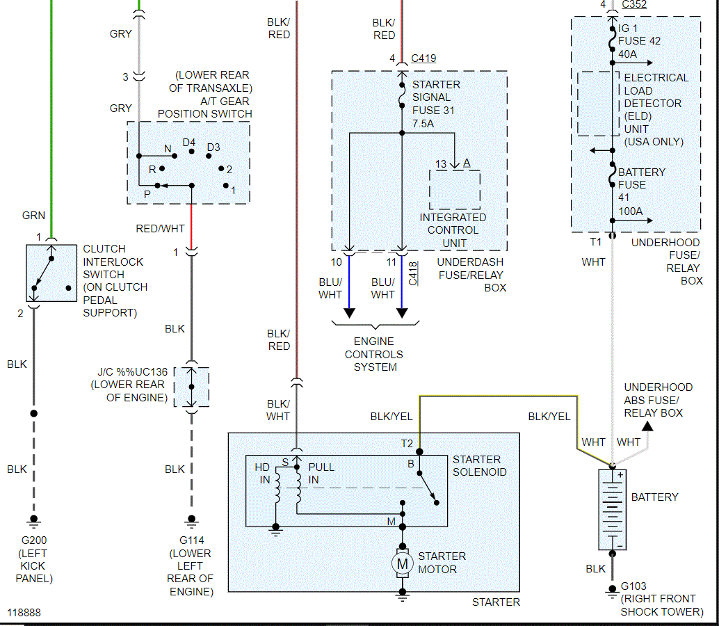
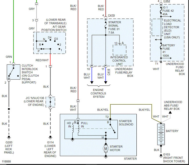
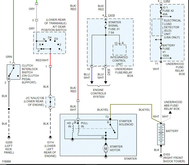
I drive perfectly no issues I parked my car, when I came back the ignition switch just lights the gauges but no crank or starter sound; just won't do anything. I only hear a click under the glove compartment that i guess is the fuel pump relay . The car was moved put in neutral, wont do anything, wont crank. everything works, like lights windows etc., just wont crank. Any suggestions? thank you
Jul 23, 2021 at 9:36 PM

