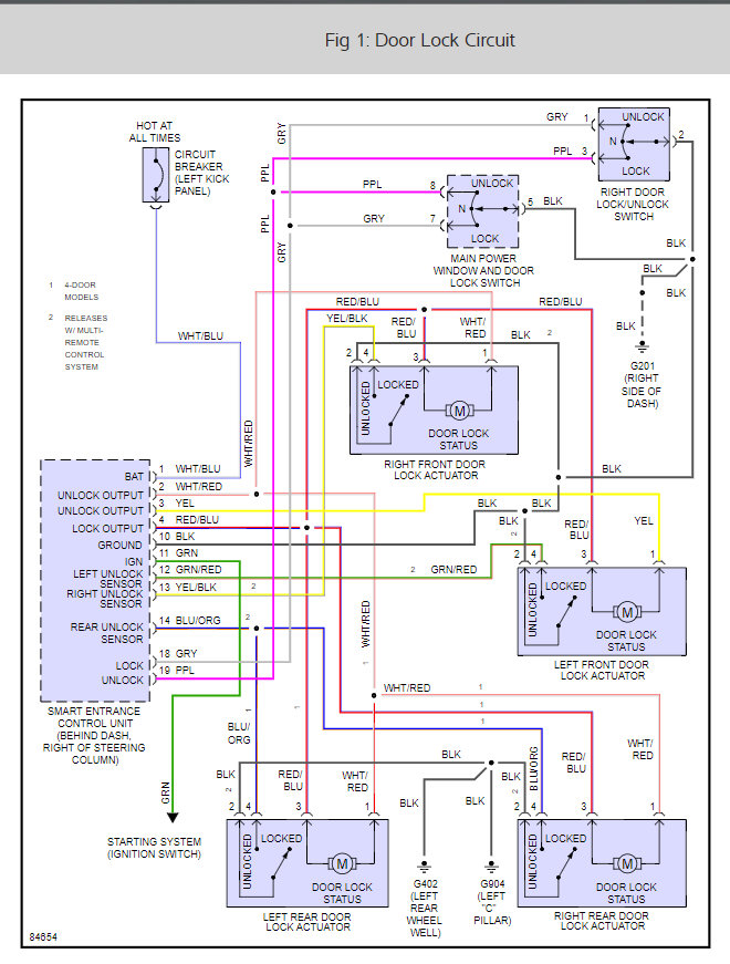
I was trying to clean the socket for the pointer and the door automatically locked with light flashes but unfortunately I put an iron in between the positive and negative of the socket. as the door locked and the flashes on, little spark of light occurred and since then, the left (driver side) light will not go on when door open both the front and the back light. However, when I traffic, the turn lights on perfectly. What do I do please?
Jul 30, 2017 at 3:46 AM









