Car does not crank

2003 MERCEDES BENZ C230
230,000 MILES • 1.8L • 4 CYL • 2WD • AUTOMATIC
Avatar
VIVEKHB
  • MEMBER
  • 91 POSTS
I was in the process of changing my actuator arm & blower motor resistor,when I assembled all the car started,but suddenly something fell on my sunroof & it smatched the sun roof.
After one week of replacing the sunroof glass I noticed the car does not crank.I checked my car battery,the starter relay ,the pump relay they are good .The dashboard lights are on but the car does not crank.

I was working on my car and I accidentally removed the negative terminal of the battery while the key nob was still in place.I replaced the negative terminal of the battery and removed the key.

But now the dash lights up, the radio is on, but I can't start the car. The battery is fully charged.

Please your advice will be highly appreciated. Thanks in advance.
Jul 10, 2019 at 10:26 AM
Advertisement
Avatar
STEVE W.
  • CERTIFIED EXPERT
  • 15,113 POSTS
How did you check the battery? What does it do when you turn the key? Have you tried jump starting it to see if it's just a bad battery or connection?
Jul 10, 2019 at 12:16 PM
Avatar
VIVEKHB
  • MEMBER
  • 91 POSTS
Sir,I took the battery to the garage and I was told the battery is good.All the dashboard lights come up,the window glass can be rolled up and down but the car does not crank. the fuse and the relays are good.
Jul 10, 2019 at 4:07 PM
Advertisement
Avatar
STEVE W.
  • CERTIFIED EXPERT
  • 15,113 POSTS
Okay, Does the security light come on and go out when you turn the key? Mercedes systems usually include intrusion detectors that can trip the system, the breaking glass may have triggered that and shut the starting system off. For that you will need a good scan tool to access and disarm it if that is the case.
Jul 10, 2019 at 7:09 PM
Avatar
VIVEKHB
  • MEMBER
  • 91 POSTS
Sir, on my instrument cluster does not show any security light.The following is the image of my dashboard when I turn the key.
Jul 11, 2019 at 3:32 AM
Avatar
STEVE W.
  • CERTIFIED EXPERT
  • 15,113 POSTS
HMM, usually it will show a message if there is a problem, as it doesn't then it may not be security related. When you replaced the sunroof, which parts did you replace? There is a control module for it that has data lines for the computer, if those wires were damaged it could tie up the computer and cause a no-start. To verify that it isn't something in the starter circuit a simple test would be to jump battery voltage to the 50 amp fuse. One side powers the starter on when it gets battery voltage. If you use a heavy wire and jump the fuse terminal to the battery the started should engage, that would verify it isn't on that side of the system. From there you would need to use a Mercedes scan tool to test the network and verify what parts of the system are working.
Jul 11, 2019 at 2:55 PM
Avatar
VIVEKHB
  • MEMBER
  • 91 POSTS
Sir, I replaced the rear sunroof glass.The one that is glued to the body .The front glass opens and partially overrides the rear sunroof glass.There are no lines at all on the sunroof glass.The lines are on the rear glass windshield.
Sir, is anything to do with the electronic ignition switch? for I had removed the whole dashboard to replace the actuator arm of the stepper motor.But at present the dashboard lights come up,or you want me to recheck for the wiring to the ignition switch? Thank you in advance.
Jul 11, 2019 at 3:54 PM
Avatar
STEVE W.
  • CERTIFIED EXPERT
  • 15,113 POSTS
Okay, that shouldn't have caused any problem. However it could be in the wiring, although you said that when you were done the car started. I would try the test I listed above first. That would verify that the starter, battery and that part of the system is good. It won't hurt to verify the wiring though. Also if you have any different keys or fobs try those.
Jul 11, 2019 at 7:20 PM
Avatar
VIVEKHB
  • MEMBER
  • 91 POSTS
Sir,today I will re-check the ignition switch wiring & jump battery voltage to 50 amp .I hope this works.Yesterday I tried to push the car a bit forward but unfortunately the brakes are engaged,the steering wheel moves.Thanks a lot,I will let you know that happens,bye.
Jul 12, 2019 at 3:59 AM
Avatar
STRAILER
  • CERTIFIED EXPERT
  • 53,854 POSTS
Hello,

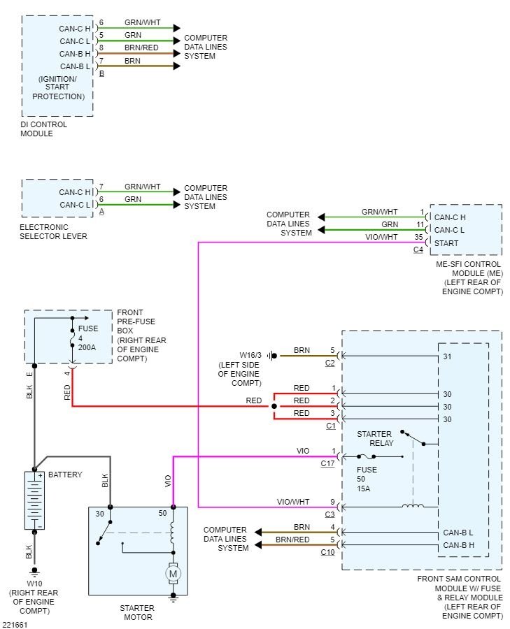
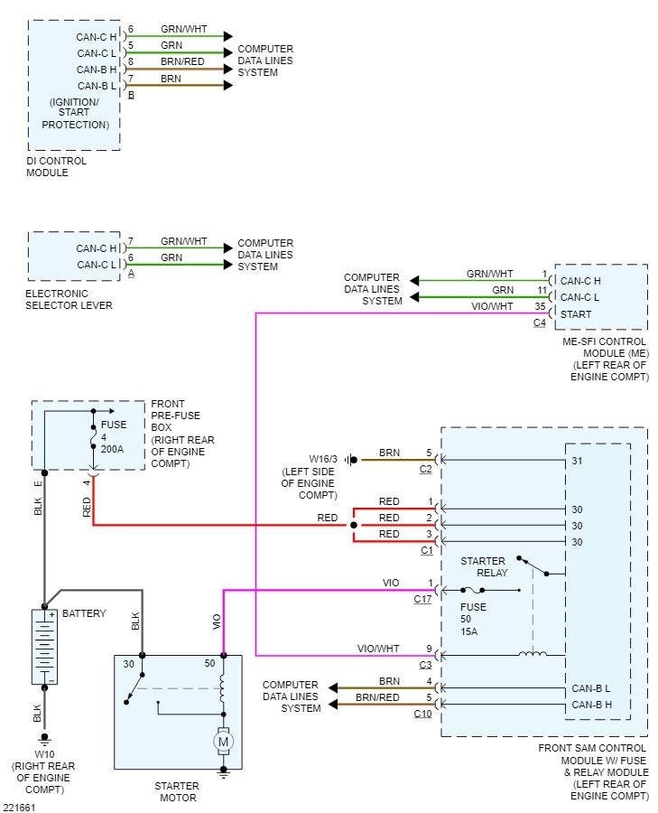
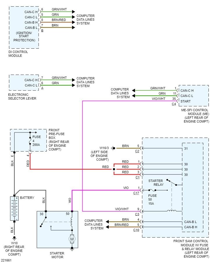
I had this problem with my wife's car it was the starter motor. Here is a guide to walk you through the steps and diagrams below to show you how to change it out:

https://www.2carpros.com/articles/how-to-replace-a-starter-motor


Check out the diagrams (below). Please let us know what you find. We are interested to see what it is.
Jul 15, 2019 at 12:50 PM
Avatar
VIVEKHB
  • MEMBER
  • 91 POSTS
Thanks a lot. I will and tell you what 's the outcome.
Jul 16, 2019 at 8:10 AM
Avatar
STRAILER
  • CERTIFIED EXPERT
  • 53,854 POSTS
Please do.
Jul 16, 2019 at 10:22 AM
Avatar
VIVEKHB
  • MEMBER
  • 91 POSTS
Sir, I checked my starter motor is functioning.I doubt that as I disconnected the battery while the key is in the ignition it damaged the chip in the key fob that allows starting.
The theft ID signal is activated.Please let me know.
Jul 17, 2019 at 8:10 AM
Avatar
STEVE W.
  • CERTIFIED EXPERT
  • 15,113 POSTS
Mercedes is strange in that way, the theft alarms can trip for a lot of different reasons. What I would do is connect up a factory level scan tool. Then use it to go into the anti-theft controls and see if A- they are active. Then B- does the system see the key as a valid item. I have seen more than once that a Mercedes gets "upset" when the battery was disconnected and a module doesn't power down correctly.
Jul 17, 2019 at 11:32 AM
Avatar
VIVEKHB
  • MEMBER
  • 91 POSTS
Sir ,but I don't have the factory level scan tool.The one I have is icarsoft Plus CR and it works only when I start the car.
Jul 17, 2019 at 2:34 PM
Avatar
STEVE W.
  • CERTIFIED EXPERT
  • 15,113 POSTS
This may be one time you will need a dealer to do some testing. Without a definite way to see if the key is being detected and that the security system is recognizing it as a valid key there isn't much that can be done.
Jul 17, 2019 at 7:14 PM
Avatar
VIVEKHB
  • MEMBER
  • 91 POSTS
Thank you Sir,I will take an appointment tomorrow,with the dealer.
Jul 17, 2019 at 8:18 PM
Avatar
STEVE W.
  • CERTIFIED EXPERT
  • 15,113 POSTS
Get as much information as you can. This is one of the disadvantages of some of the newer cars, the companies want to keep anyone but a dealer from working on them. The newest vehicles even have a security program that is designed to prevent access to anything beyond some basic codes from being accessed without a dealer ID and scan tool.
Jul 17, 2019 at 9:33 PM
Avatar
VIVEKHB
  • MEMBER
  • 91 POSTS
Thank you ,Sir.
Jul 18, 2019 at 9:33 AM
Avatar
STRAILER
  • CERTIFIED EXPERT
  • 53,854 POSTS
Please let us know what you find. We are interested to see what it is.
Jul 19, 2019 at 4:48 PM
Avatar
VIVEKHB
  • MEMBER
  • 91 POSTS
Sure, I will let you know.
Jul 20, 2019 at 8:40 AM
Avatar
VIVEKHB
  • MEMBER
  • 91 POSTS
Hi, I received a call today from the dealer saying that the starter motor has to be changed.Please can you help me with that.
Jul 22, 2019 at 10:50 AM
Avatar
STRAILER
  • CERTIFIED EXPERT
  • 53,854 POSTS
Thanks for letting us know what happened. I show you how to change the starter out in my first post. Please let us know if you need anything else to get the problem fixed.
Jul 22, 2019 at 11:02 AM