Engine cranks but no turnover

1997 GMC JIMMY
125,000 MILES • 4.3L • 6 CYL • 4WD • AUTOMATIC
Avatar
BOB31
  • MEMBER
  • 8 POSTS
I tried starting up my car one morning and it wouldn't turn over. This had been happening so I charged my battery and tried it and the same thing happened, cranked but didn't turn over. Did basic troubleshooting and replaced my fuel pump thinking that was what was bad. I had to rewire an electrical connector to the fuel pump and I believe wired it correctly and tried to start it and the same thing happened cranks but not turning over. I also noticed that I had no lights on my dash or any gauge sweeps. I tested all relays and fuses and they all seem fine after checking them 3 times over. When in engine bay and made everything was connected and tried again, same thing as before, cranking but no starting up and no dash lights of any kind. I hear my spark plugs firing. I'm stumped any help would be appreciated.
Sep 23, 2020 at 5:32 AM
Advertisement
Avatar
JACOBANDNICKOLAS
  • CERTIFIED EXPERT
  • 110,175 POSTS
Hi,

Are other electrical components working? I realize you feel the plugs are getting spark, but I'm not sure how you can hear them.

Do me a favor. See if it starts for a couple seconds using starting fluid. If it does and then stalls, we'll know it's fuel related. If it doesn't even try, I need you to recheck for spark.

Here are a couple links you may find helpful:

https://www.2carpros.com/articles/car-cranks-but-wont-start

https://www.2carpros.com/articles/how-to-test-an-ignition-system

Let me know.
Joe
Sep 23, 2020 at 5:33 PM
Avatar
BOB31
  • MEMBER
  • 8 POSTS
So I got some starter fluid and sprayed some in and she was almost getting there it just wasn't enough fuel to keep it running for long. Those articles should help thanks for those. Also, I believe I misspoke I believe I was hearing the clicking of the fuel injectors not spark plugs (I agree it's hard to hear spark).
Sep 24, 2020 at 3:32 PM
Advertisement
Avatar
JACOBANDNICKOLAS
  • CERTIFIED EXPERT
  • 110,175 POSTS
Hi,

That makes sense. The injectors can make a noise. If it is nearly starting with starting fluid, the engine isn't getting fuel. The next step would be to check fuel pressure.

Here is a link that shows in general how to test pressure:

https://www.2carpros.com/articles/how-to-check-fuel-system-pressure-and-regulator

Here are the directions specific to your vehicle. The attached pictures correlate with the directions. The fuel pressure specifications are included in the directions.

________________________

1993 GMC Truck S15/T15 4WD Jimmy V6-262 4.3L VIN W CPI
Fuel System Pressure Test
Vehicle Powertrain Management Fuel Delivery and Air Induction Fuel Pump Fuel Pressure Testing and Inspection Component Tests and General Diagnostics Fuel System Pressure Test
FUEL SYSTEM PRESSURE TEST
Central Multiport Fuel Injection (CMFI)
imageOpen In New TabZoom/Print

Fuel Supply System CMFI
imageOpen In New TabZoom/Print


PROCEDURE
- Turn engine "OFF" and relieve system pressure. Refer to Fuel Pressure Release Procedure.
- Connect the fuel pressure gauge to the pressure connection. Wrap a shop towel around the fitting while connecting the gauge to avoid spillage.
- "START" engine and observe fuel pressure reading. It should be 380-420 kPa (55-61 psi).
- Turn engine "OFF" and relieve fuel pressure.
- Remove fuel pressure gauge.
- Reinstall fuel pressure connection cap.
- "START" engine and check for fuel leaks.

_______________________________

Do this and let me know what you find. If you have other questions, let me know.

Take care,
Joe
Sep 24, 2020 at 6:40 PM
Avatar
BOB31
  • MEMBER
  • 8 POSTS
I didn't get any reading when testing at all.
Sep 26, 2020 at 1:51 PM
Avatar
JACOBANDNICKOLAS
  • CERTIFIED EXPERT
  • 110,175 POSTS
Hi,

If there was no pressure, chances are the fuel pump is bad. However, before we replace it, lets confirm there is power available to it. Also, do you hear it prime when the key is first turned to the on position?

I attached three pics below. The first shows what fuse 9 powers. Note that it powers the fuel pump relay.

Pic 2 shows where the fuse is located in the box.

Pic 3 shows the fuel pump relay.

___________________

First, check the fuse and confirm it is good. In addition to just checking the fuse, make sure there is power to it.

https://www.2carpros.com/articles/how-to-check-a-car-fuse

If the fuse is good, next check the fuel pump relay. Here is a link to help:

https://www.2carpros.com/articles/how-to-check-an-electrical-relay-and-wiring-control-circuit

Do this and let me know the results.

Take care,
Joe
Sep 26, 2020 at 5:40 PM
Avatar
BOB31
  • MEMBER
  • 8 POSTS
I do not hear a low hum coming from my tank when I turn the key to the run position. I checked both relays and fuses nothing was blown or bad, I have already replaced my fuel pump as I thought that was what was wrong and then I came to this site.
Sep 28, 2020 at 11:32 AM
Avatar
JACOBANDNICKOLAS
  • CERTIFIED EXPERT
  • 110,175 POSTS
Hi,

Sorry to say, but we need to remove the pump again and check for power at the plug. If there is power, try supplying power direct to the pump to see if it runs.

Let me know.
Joe
Sep 28, 2020 at 6:12 PM
Avatar
BOB31
  • MEMBER
  • 8 POSTS
I retested the relay (mostly because I didn't want to drop the tank a third time) and there is no power to circuit 1-2 to power 3 to move to 5 to power the pump. So when I turn the key the relay isn't engaging to power the pump. (If I have to I will drop the tank but my guess is there no power getting back there)
Sep 30, 2020 at 6:12 AM
Avatar
JACOBANDNICKOLAS
  • CERTIFIED EXPERT
  • 110,175 POSTS
Hi,

I agree, The problem isn't at the pump, it's before.

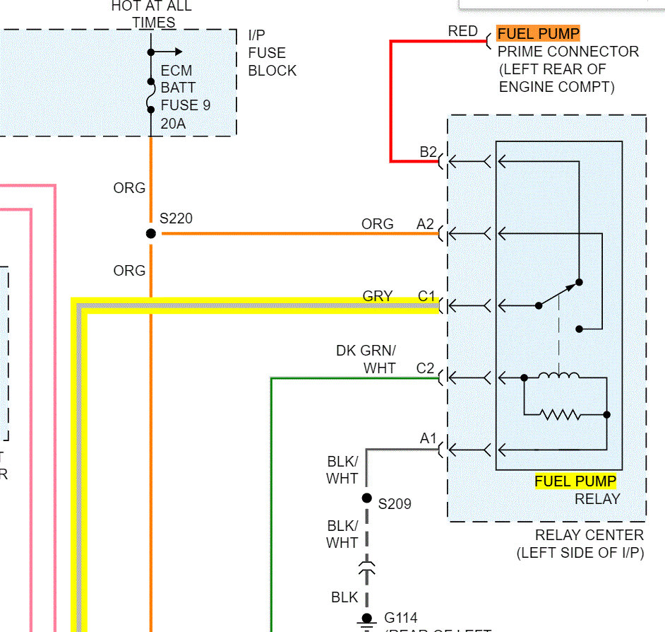
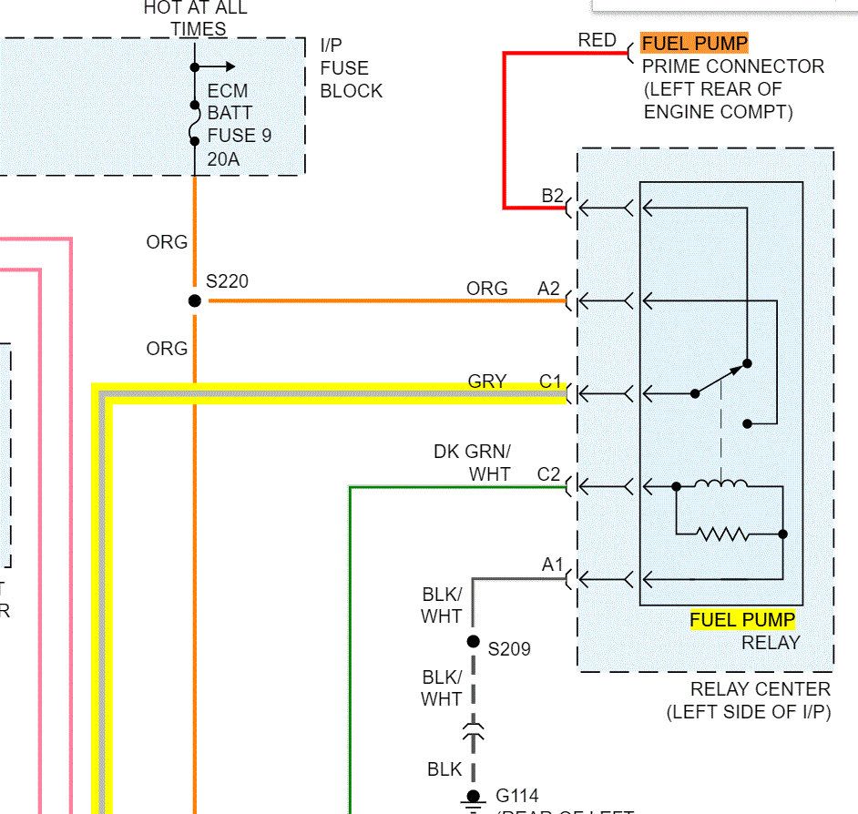
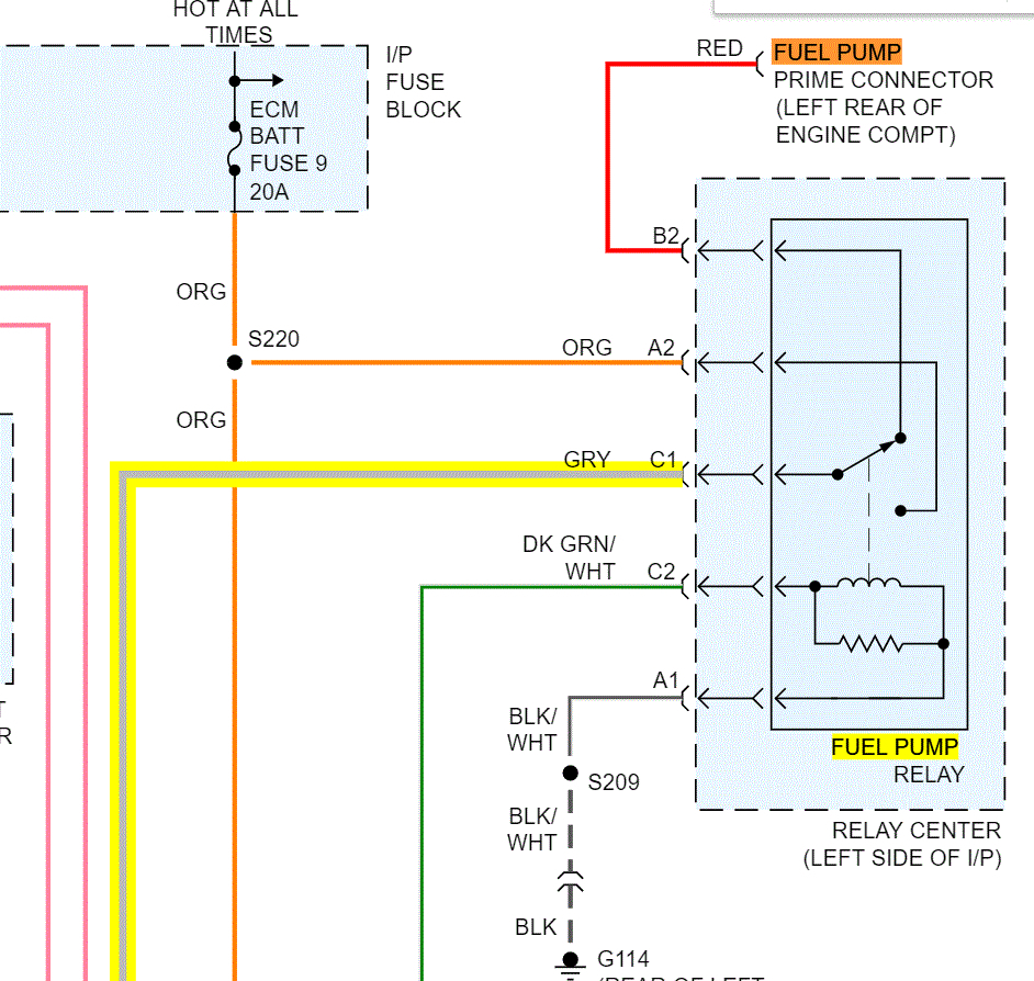
I attached two pics. I want to confirm there is now power to the dark green/white wire at the relay. See pic 1.

Next, if there is now power, move to the vehicle control module, right side of engine compartment, and check for a signal there. See pic 2.

Let me know.
Joe
Sep 30, 2020 at 5:59 PM
Avatar
BOB31
  • MEMBER
  • 8 POSTS
There's no power to the dark green/white on the relay. I went and checked the 1st pin on that connector to the VCM and there's power getting to it.
Oct 1, 2020 at 3:49 PM
Avatar
JACOBANDNICKOLAS
  • CERTIFIED EXPERT
  • 110,175 POSTS
If there is no power at the relay but there is at the VCM, there wire must either have a break in it or a bad connection. I suspect you already checked for connection issues.

At this point, you need to check that wire for continuity from end to end to see if there is high resistance or no connection at all.

Let me know what you find or if you have other questions.

Joe
Oct 1, 2020 at 6:56 PM