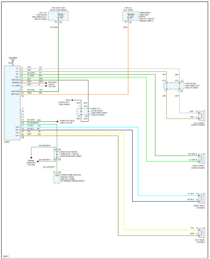
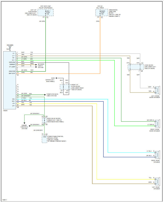
Can you send me a wiring diagram for the non-Bose system with rear subwoofer. Changing rear door speakers and need the wiring colors/schematic. Thanks
Nov 29, 2025 at 7:38 PM




