Car alarm trigger

2004 HONDA PILOT
220,000 MILES
Avatar
ANDY PADILLA
  • MEMBER
  • 1 POST
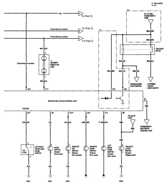
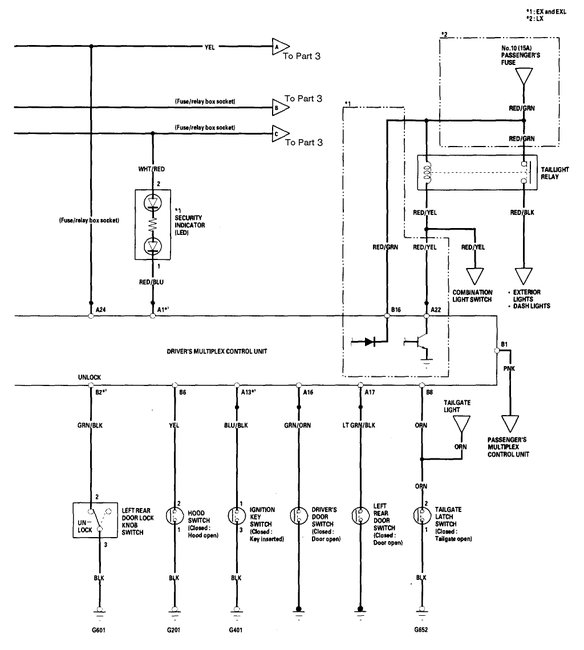
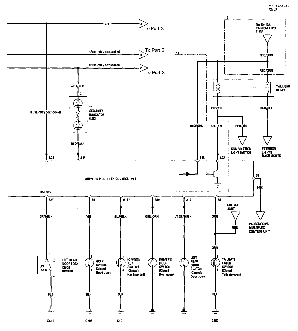
I am trying to install a shock sensor to the OEM alarm and I need to know which is the door unlock trigger wire that will set off the alarm.
Feb 17, 2018 at 10:52 PM
Advertisement
Avatar
STEVE W.
  • CERTIFIED EXPERT
  • 15,113 POSTS
Looking at the wiring your best bet would be to install the sensor under the hood and use the yellow wire for the hood intrusion switch to trigger the system. Easier to access and can easily be removed. Oh and it uses a negative trigger (pulls to ground to activate)
Feb 19, 2018 at 8:06 AM