Car alarm removal

1993 FORD PROBE
166,000 MILES
Avatar
MMBOSSTONE
  • MEMBER
  • 2 POSTS
Hello 2car pros,

I have a1993 Ford Probe GT with an aftermarket alarm system (pursuit). Over the years I suspected that the alarm system was draining the battery when the car sat for a week or greater. I decided to remove the alarm system all together. I removed the main alarm control box, starter cut off relay, sensor and associated wire harness. In the engine compartment in the fuse box there is an open connector with a wire jumpered from NC to COM in the (Start Relay) H301 slot. Now that I want to use the car without an alarm should I leave that jumper in that slot or purchase an H301 start relay. Now I suspect this may of been used if the car came equipped with a factory installed alarm system as this most likely would be the starter/cut off relay.

The reason I ask I did go ahead and install an H301 relay in it's place and the engine did not start. All I heard was a loud clicking sound. Now I suspect I wiped out the IGN main relay (FS11). When I turn the key nothing happens and testing with a multimeter all the pins are open. I do have interior lights in the car so I know that I'm receiving 12VDC.

Thank you,

Bill
May 18, 2013 at 8:52 AM
Advertisement
Avatar
HMAC300
  • CERTIFIED EXPERT
  • 48,601 POSTS
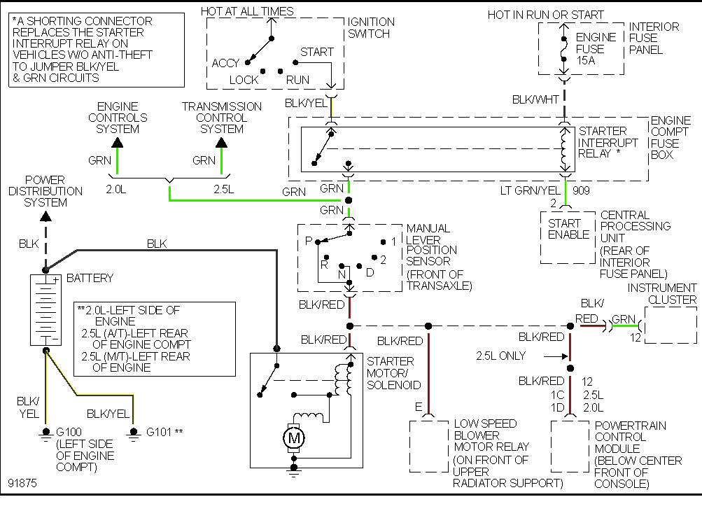
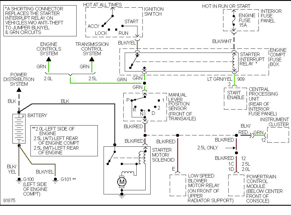
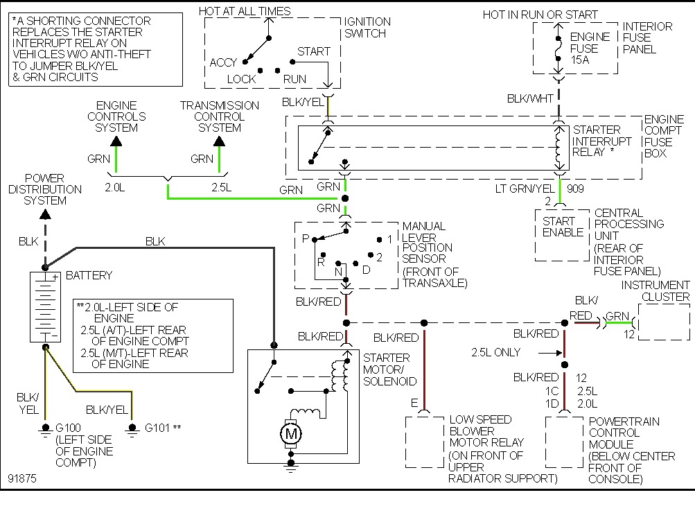
i'm sending a starter diagram of your car. see if yo have the jumper wire in it like it requires with no alarm system. you may have mistakenly taken that out. also check your fuses
May 18, 2013 at 10:06 AM
Avatar
MMBOSSTONE
  • MEMBER
  • 2 POSTS
Hello hmac300,

Thank you!

I'll put the jumper back in. and check the fuses.

Bill
May 18, 2013 at 7:13 PM
Advertisement