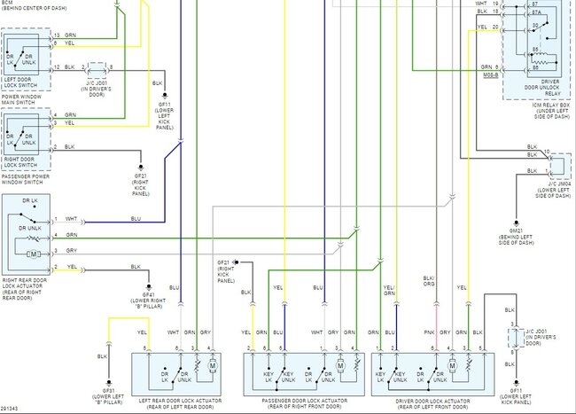
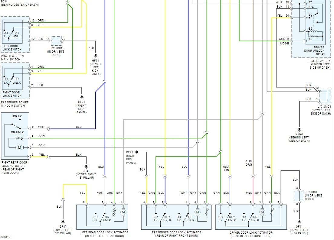
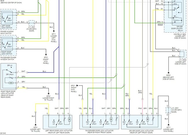
The manufacturer car alarm goes off on its own. Usually around 10:50am. Only when the car is locked. My mechanic didn't know what to do, a place that specializes in alarms didn't even want to look at it, and I had it at dealership overnight Friday, but alarm didn't go off and it didn't output any codes which apparently, they want before doing anything. They tightened the driver door to frame, but still apparently didn't do the trick as it went off again this morning (2 days later). Not sure what the issue could be, and I guess this alarm can't be removed or disabled.
May 20, 2024 at 8:36 AM




