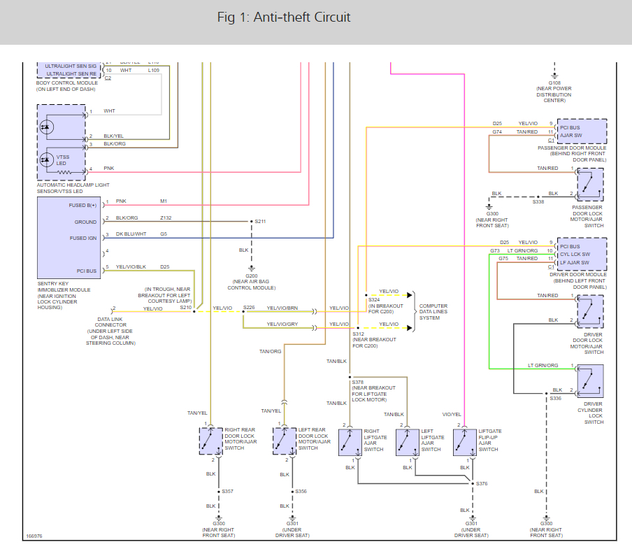
My mother gifted me her 2003 Jeep Grand Cherokee. She misplaced the fob remote, so I only have the key to the ignition. Recently I noticed that periodically when I unlock the drivers side door and open it, the alarm will go off until I put the key into the ignition. It happens randomly though. Sometimes I’ll unlock it and it won’t prompt the alarm to go off, but other times it will. Please help, it’s so obnoxious.
Jan 30, 2019 at 8:37 PM




