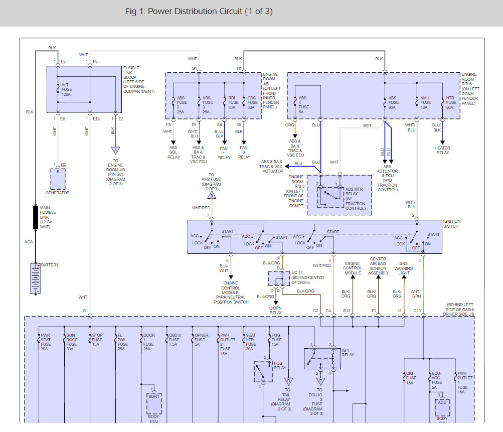
The car will not start. We switched the battery with a good one and it still would not start. The power at the starter is reading the same voltage as the battery voltage. When we tried to hook up a code reader but there was no power at the code read. I know basics but why there is no power at the code reader is beyond my knowledge.
Oct 29, 2017 at 1:33 PM














