Cannot put fog light fuse in

2001 DODGE NEON
197,600 MILES • 2.0L • 4 CYL • 2WD • MANUAL
Avatar
JOHNNYM552
  • MEMBER
  • 1 POST
I was trying to turn my fog lights on yesterday, my car has the switch on my turn signal knob for it, and has fog lights on the bumper. I checked the lights and they are good. The relay is also fine since I put a new one in off of my friends srt4 just to see if it would work. Found the fuse (#19 in the dash fuse box) and saw no fuse in place. Grabbed a 10 amp fuse but it would not plug in because there is no metal connectors in that spot to plug one in. It only has the cut out and will not accept the fuse. Trying to avoid running a toggle switch for them. What do I do?
Oct 20, 2018 at 1:24 PM
Advertisement
Avatar
KASEKENNY
  • CERTIFIED EXPERT
  • 18,907 POSTS
I am not sure I understand. If there are no metal terminals in the fuse location, then that means this vehicle is not equipped with fog lights.

So, you are correct that this is fuse 19 under the driver side dash so if you are in the correct location and there are no terminals then I am not sure how these operated in the past.

https://www.2carpros.com/articles/how-to-check-a-car-fuse

Which is why I suspect you just purchased this vehicle and you tried to turn them on, and they do not work. Clearly, they are not going to work without a fuse in this location but if there are fog lights then I imagine someone added fog lights and used a different power source.

Do you have any other wires coming out of the fuse box under the hood or dash that don't appear to belong there? If so, then we need to trace these wires and see if they go to the fog lights.

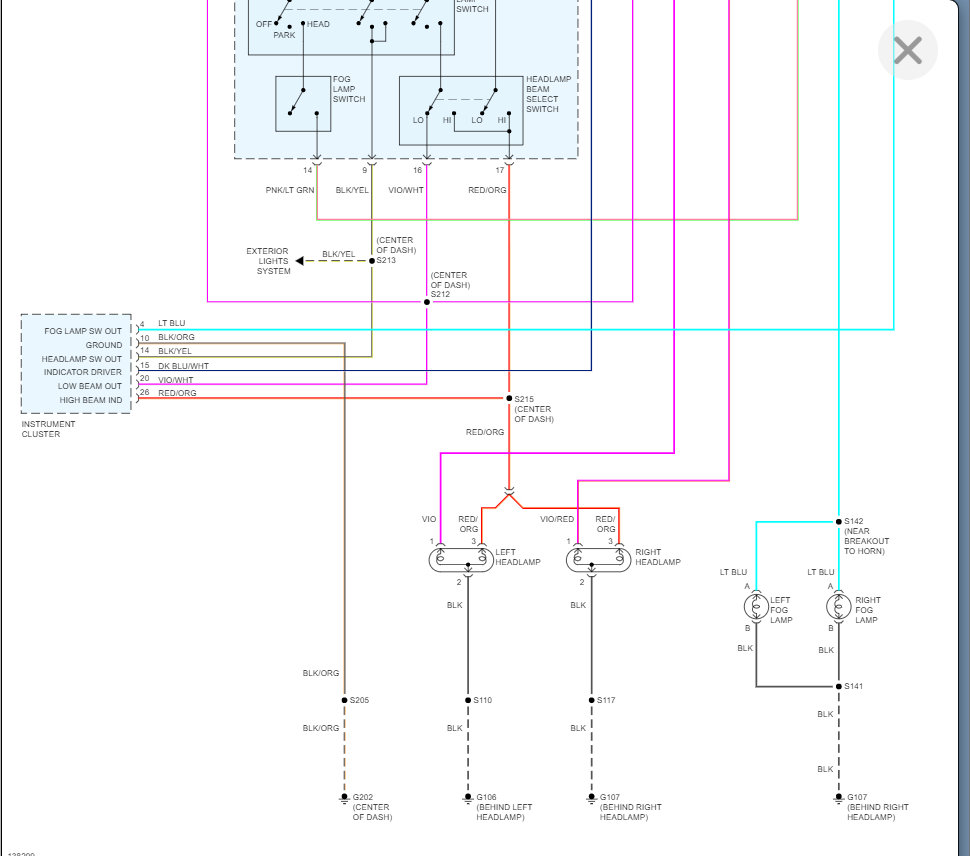
I attached the wiring diagram below, but I suspect you are going to find these are an add on later. Let me know what you find with this, and we can go from there.

Thanks
Apr 28, 2022 at 6:40 PM