Cannot locate rear defogger relay

2005 BUICK LA CROSSE
49,000 MILES • 3.8L • V6 • 2WD • AUTOMATIC
Avatar
JLEVIL
  • MEMBER
  • 11 POSTS
My rear defogger hasn't worked since I got the car, and I'd like to test/replace the rear defogger relay. The bottom half of the diagram in the owner's manual and on the instrument panel fuse block cover shows a fuse and two relays (one of which is for the rear defogger), but I only see the fuses/relays in the top half of the diagram. Does the black circle on the diagram mean something in particular? I don't know what I'm missing and I hope someone can point me in the right direction. Thanks.
Jul 28, 2020 at 7:34 PM
Advertisement
Avatar
JACOBANDNICKOLAS
  • CERTIFIED EXPERT
  • 110,175 POSTS
Hi,

Honestly, the black dot doesn't mean anything. As far as the rear defroster relay, here is a link that shows how to test one. If there is a different relay in the vehicle with the same part number, you can switch them.

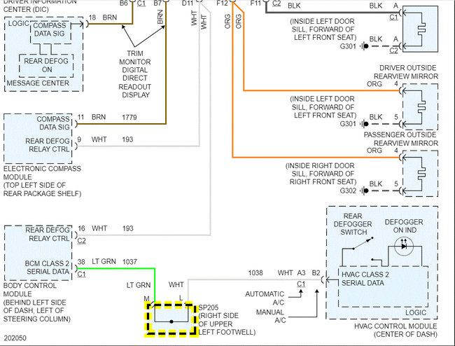
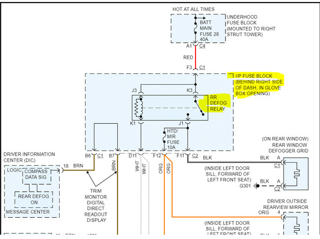
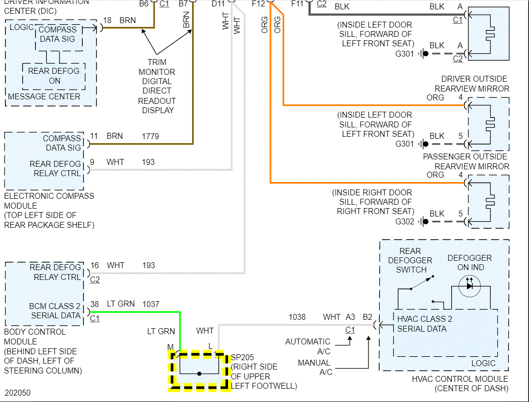
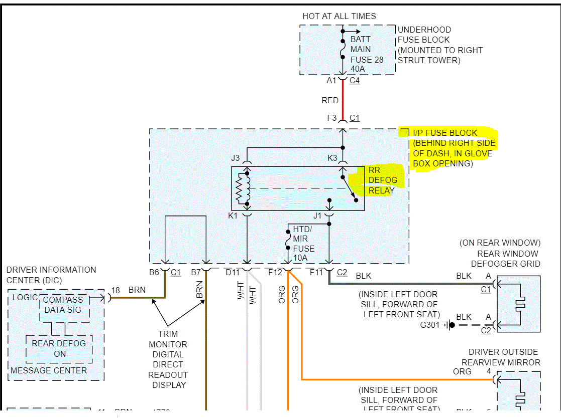
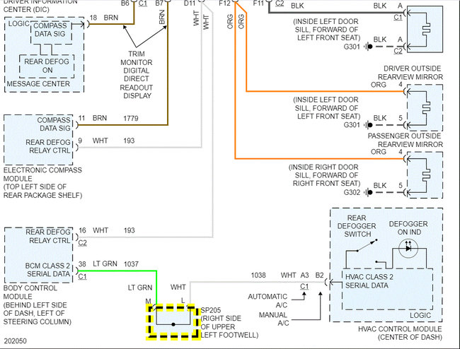
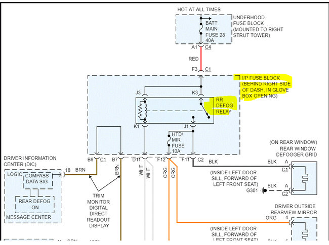
I attached a wiring schematic of the entire system. Hopefully it will help. I did have to cut it in half to make it readable. I overlapped the two so you could follow it.

Here is the link I mentioned:


https://www.2carpros.com/articles/how-to-check-an-electrical-relay-and-wiring-control-circuit

I want to add one more thought. If the relay is good, you should simply check for a power supply to the grid. You could use a simple test light. If there is power, then check to confirm there is a ground. If you look at the schematics, you will see G301. That is the ground location for the defroster. It indicates location on the schematic.

Let me know if this helps or if you have other questions.

Take care,
Joe
Jul 28, 2020 at 7:55 PM
Avatar
JLEVIL
  • MEMBER
  • 11 POSTS
I reviewed the schematics you posted, but they're not helping me find exactly where the relay is located. Like I said earlier, it's supposed to be in the instrument panel fuse block, but everywhere I look in that area (and in/under the glove box), it's not to be found. Apart from taking the dashboard out (which isn't happening), I don't know what to do. Thanks for getting back to me though.
Aug 5, 2020 at 12:52 PM
Advertisement
Avatar
JACOBANDNICKOLAS
  • CERTIFIED EXPERT
  • 110,175 POSTS
Check the right end of the dash. I believe the fuse box is between the dash and door when the door is closed. I attached two pics below.

Let me know if this helps.

Joe
Aug 5, 2020 at 10:51 PM
Avatar
JLEVIL
  • MEMBER
  • 11 POSTS
I guess I'm not being clear enough. I know where the fuse block is; I've opened it and searched all around in there and the other places I've mentioned. The only visible fuses and relays are the ones in the six rows of the top section of the layout we both posted. As far as I can tell, the three in the bottom section are located somewhere else. I need to know where that is. I've included a picture to show what I'm talking about.
Aug 6, 2020 at 12:14 PM
Avatar
JACOBANDNICKOLAS
  • CERTIFIED EXPERT
  • 110,175 POSTS
Hi,

Honestly, I'm not sure what to tell you. I looked in both Prodemand and Alldata and both show me the same thing, what I attached above.

Joe
Aug 6, 2020 at 11:39 PM
Avatar
JLEVIL
  • MEMBER
  • 11 POSTS
Well, thanks for looking into it for me at least. Maybe I'll try some forums that deal specifically with Buick's or something. I'll figure it out eventually.
Aug 7, 2020 at 12:32 AM
Avatar
DANNY L
  • CERTIFIED EXPERT
  • 5,648 POSTS
Hello, I'm Danny.

Just to add my 2 cents to help. I believe the rear defroster relay you are looking for is located in the under hood fuse-relay center. I've attached a picture below of its location.Let us know if you have any further questions on this issue.Hope this helps and thanks again for using 2CarPros.
Aug 7, 2020 at 1:02 AM
Avatar
JLEVIL
  • MEMBER
  • 11 POSTS
Thanks for the input, Danny. I've looked in the under-hood fuse box, but those all appear to be for other parts of the car. I'm pretty sure the rear defogger relay isn't there either. If I finally figure it out, I'll let you guys know.
Aug 7, 2020 at 3:04 PM
Avatar
JACOBANDNICKOLAS
  • CERTIFIED EXPERT
  • 110,175 POSTS
Hi,

I would appreciate it. I'm curious to hear what it is found.

Take care,
Joe
Aug 7, 2020 at 11:10 PM
Avatar
DANNY L
  • CERTIFIED EXPERT
  • 5,648 POSTS
Hello again.

Just curious to know If you were able to find the location of the relay.Hopefully you have found the location and made the repair.Thanks again for using 2CarPros.

Danny-
Aug 16, 2020 at 3:56 AM