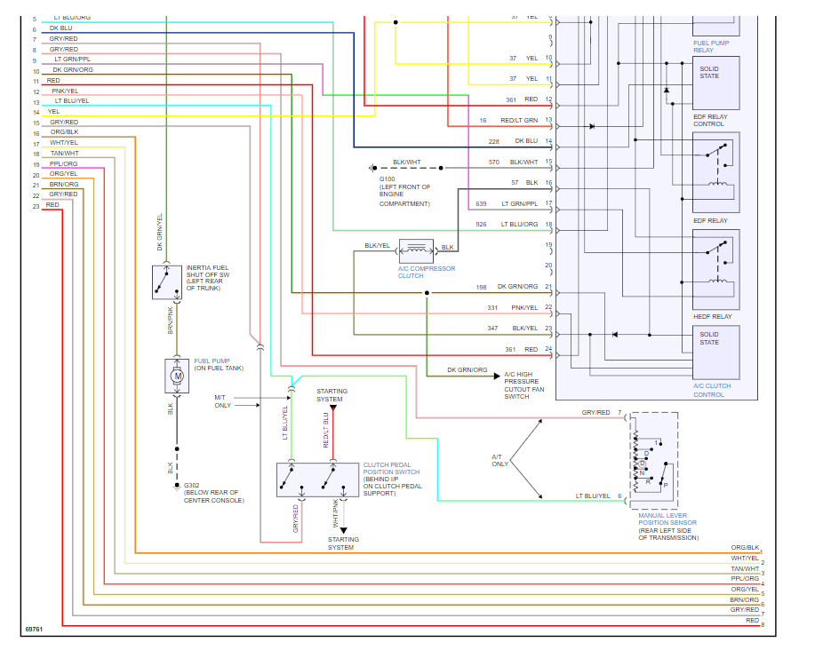
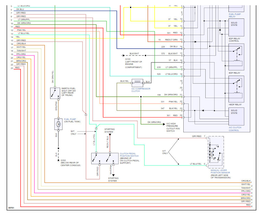
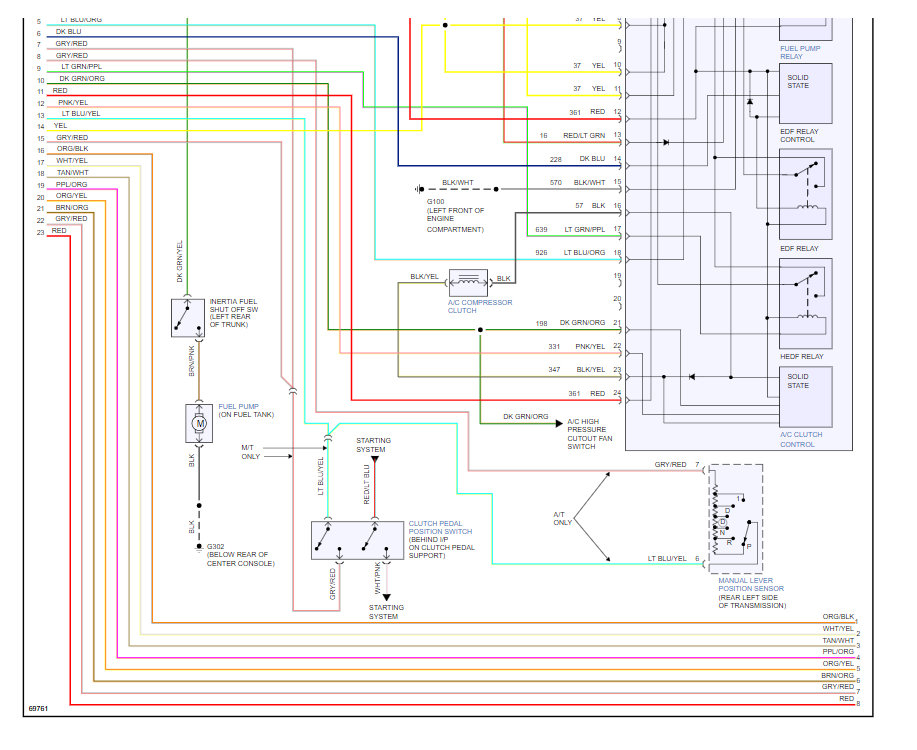
Here is another response from another expert:
That should have the EEC-IV It's supposed to be an OBD 1A system. To pull codes you connect a jumper from the STI terminal to pin 2 on the OBD connector. Then take a test light and connect it to Ground and put the probe into self test output pin. The test light should glow real dim. Now go inside the car and turn on the key. This should start the check engine light and test light flashing the codes. On this car it can have 2 or 3 digit codes depending on build date and programming. It should flash each KOEOff code 3 times and in progressive order. Write them down. Then it should flash once after a few seconds, then it will flash once again after a few more seconds. Now it should flash the continuous memory codes. Write those down as well.
Now you can disconnect the light and jumper.
Start the engine and warm it up. Shut off the engine and wait 10 seconds. Now connect up the jumper between the STI and self test pins again. Start the engine and stay in the car.
The check engine light will flash a cylinder code, for the 8 cylinder this will be 4 flashes. Next should be the dynamic test, it will be one single flash that happens between 6 and 20 seconds after the cylinder code. When it happens you step on the throttle all the way to the floor and back to idle in a couple seconds. Now any stored codes will flash, these will be the KOERunning codes. Write those down and tag them KOERunning.
Have the OP post those codes and you can look them up. If it doesn't flash anything during the testing with the key on engine off or KOERunning, there is a failure in the self test system wiring.
Apr 9, 2020 at 9:10 AM