Truck ran okay, went out next morning will not start.
Sep 20, 2020 at 10:52 AM
Advertisement
KASEKENNY
CERTIFIED EXPERT
18,907 POSTS
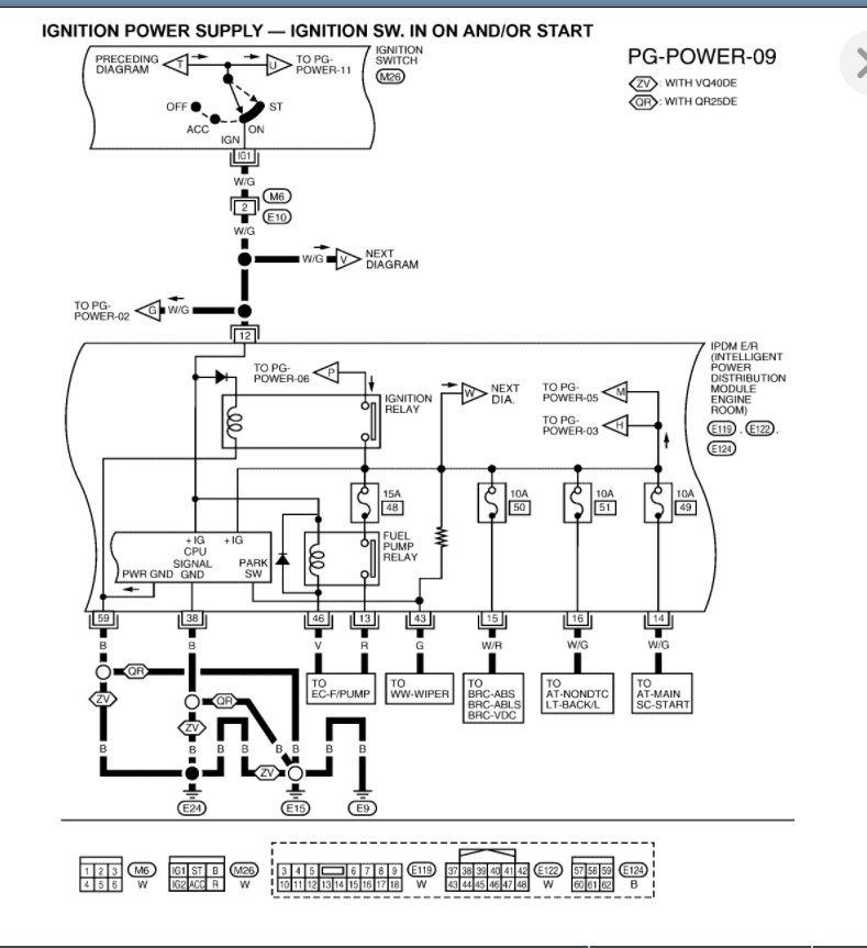
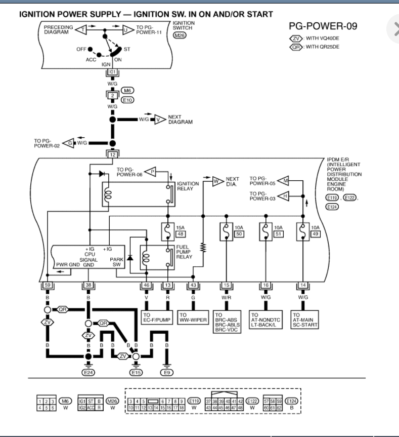
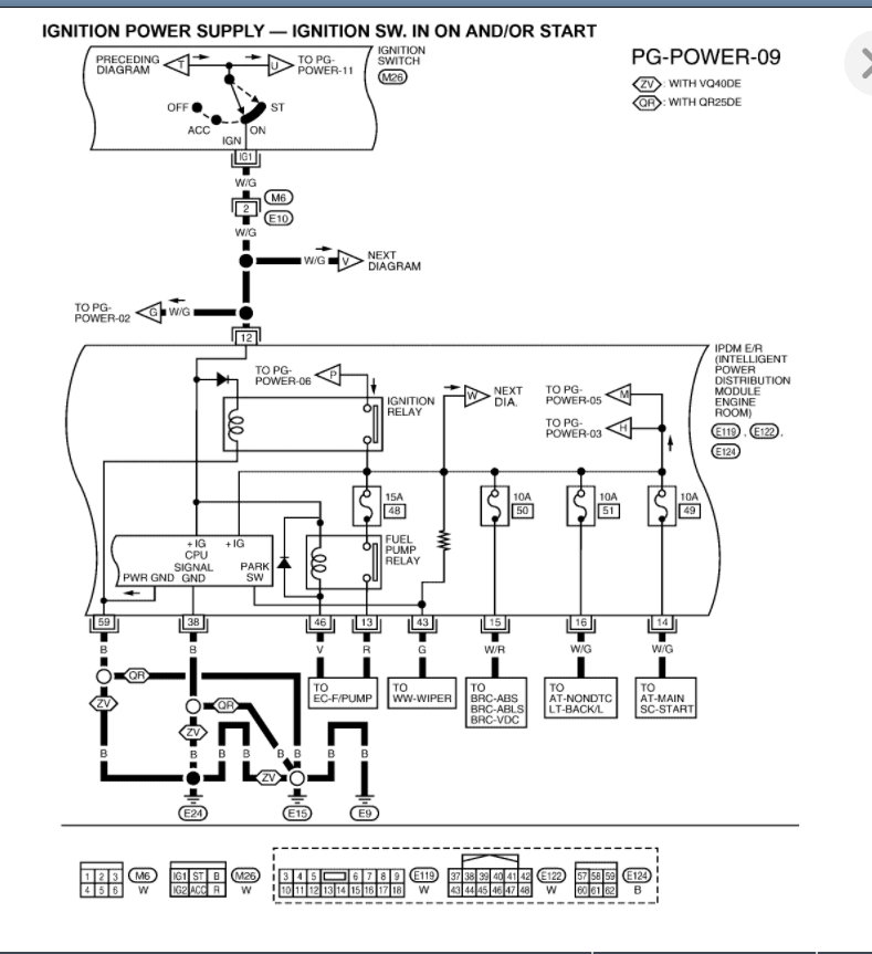
The fuel pump relay is part of the IPDM. I attached the info on this. Does the fuel pump turn on when you turn the key? If it does, we need to check pressure as the relay is working.