infotainment system wire diagrams needed?

2021 KIA SELTOS
62,000 MILES • 1.6L • 4 CYL • 4WD • AUTOMATIC
Avatar
KEITHKUTELLA
  • MEMBER
  • 2 POSTS
I am looking for wiring diagrams for my infotainment system for an aftermarket sound system installation. Since it is a Bose system i may keep some components of the system. More or less looking for color and use of the wires from the radio to each speaker and/or the amp.
Mar 22, 2025 at 11:38 PM
Advertisement
Avatar
STEVE W.
  • CERTIFIED EXPERT
  • 15,113 POSTS
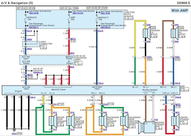
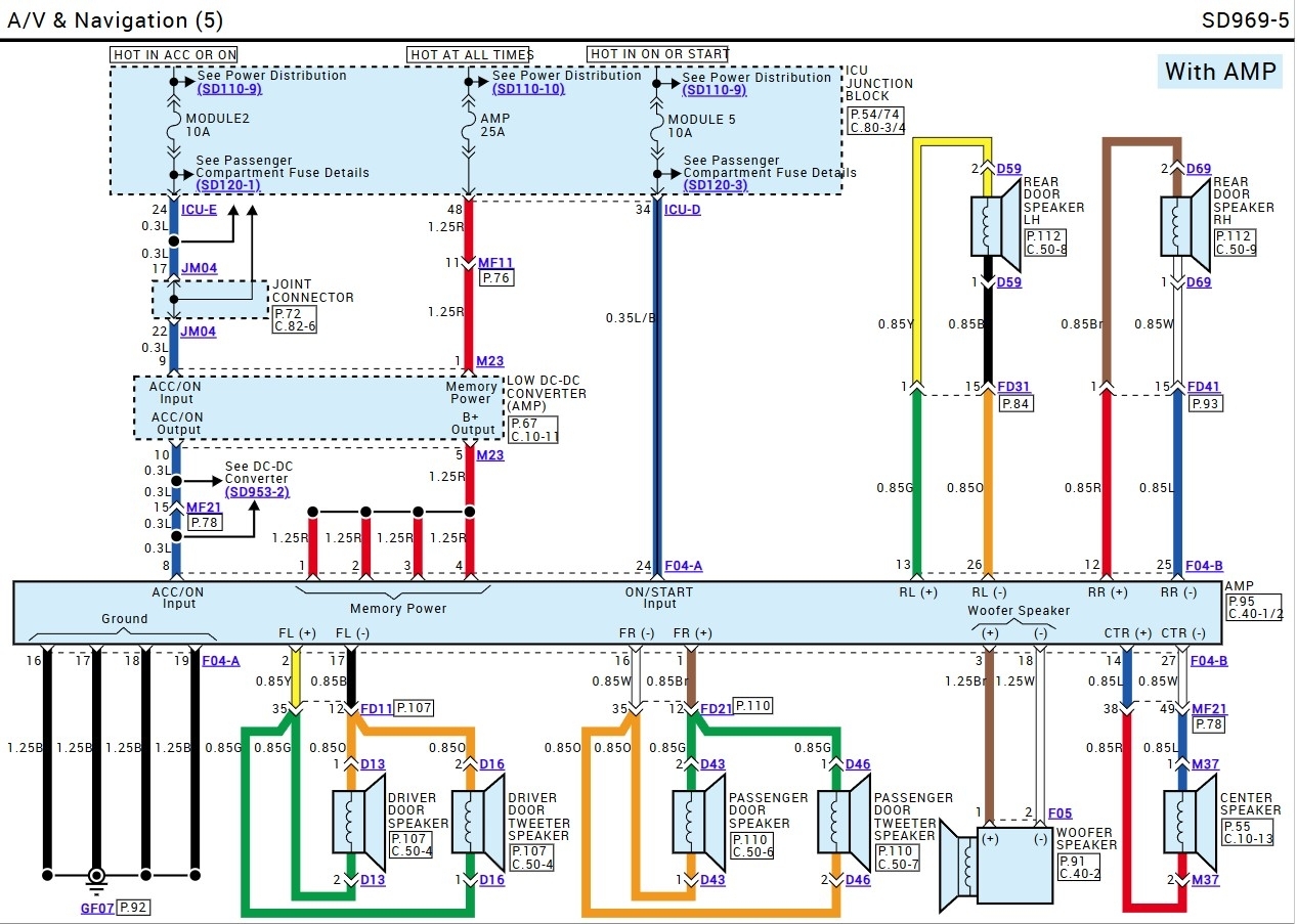
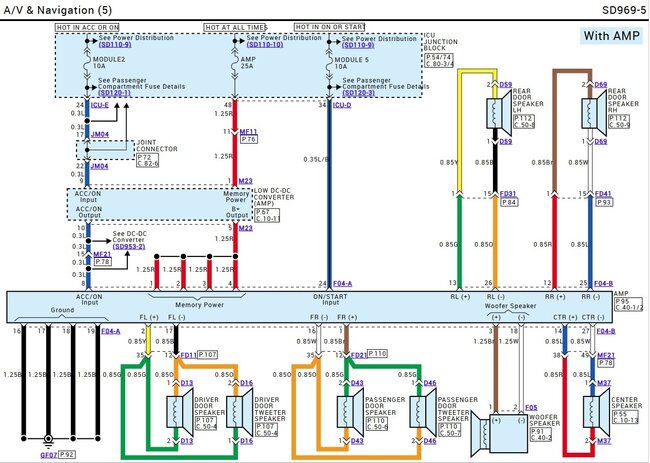
Not many of the pieces will work without the factory parts. The speakers are an odd impedance, the amp is a good amp but needs the CAN signals and SPDIF signals from the main unit. Which itself isn't an actual stereo but just a very narrow display with a drive behind it. Just for fun I looked up that unit (Kia 96560Q5250DHV) as a replacement. List price on the OE unit is $ 6,358.45! I also looked at any upgrades, the only thing they show is that the speakers have a few possible upgrades, but nothing that will fit in place of the factory unit. Depending on what you are looking for there might be an adapter that could plug into the aux jack.
However here are the wiring diagrams if you wish to continue.
Mar 23, 2025 at 5:05 AM
Avatar
KEITHKUTELLA
  • MEMBER
  • 2 POSTS
Right now, I'm looking for a good spot to run a line out converter to give me RCA's since there isn't any. To run a spare tire powered sub.
Mar 23, 2025 at 6:39 PM
Advertisement
Avatar
STEVE W.
  • CERTIFIED EXPERT
  • 15,113 POSTS
Okay, as long as it's a powered sub you could tap off the subwoofer output on the OE amp. Easy place to tap for it would be the OE subwoofer in the right rear.
Mar 23, 2025 at 7:35 PM
Avatar
USNINIASEN
  • MEMBER
  • 8 POSTS
The wiring diagram of the Bose system depends on the model. Common colors are white/black on the front left and green/yellow on the front right. If you keep the amplifier, it is recommended to use a high-to-low converter to connect the radio output. Jammermfg is very useful for debugging the audio system. I hope you can find it soon.
Apr 3, 2025 at 1:27 AM
Avatar
STEVE W.
  • CERTIFIED EXPERT
  • 15,113 POSTS
The diagrams I attached are for the vehicle in question. It has no conventional inputs but uses the digital SPDIF connection for audio transfer from the OE audio module. While the conventional amps can use other inputs the one in this vehicle doesn't work that way. It uses the digital input and CAN signals control it. It's also why there are no real kits to install a replacement unit, it doesn't use conventional components.
Apr 4, 2025 at 10:07 PM