Mass air flow sensor location

2014 CHRYSLER 200
40,000 MILES
Avatar
CHRISAGNEW
  • MEMBER
  • 4 POSTS
My engine light is on, checked code, says mass flow sensor. I want to clean it but I cannot find it. Does anyone know how to locate the sensor?
Apr 15, 2019 at 4:07 PM
Advertisement
Avatar
CARADIODOC
  • CERTIFIED EXPERT
  • 34,306 POSTS
Dirty mass air flow sensors don't set diagnostic fault codes. They can cause engine performance to suffer, as in stumbling or hesitations, but that is due to them not measuring the weight on the incoming air correctly. The Engine Computer just calculates fuel needs based on the erroneous numbers it sees from that sensor. Fault codes related to mass air flow sensors involve a failing sensor or one that is sending signal voltages that don't make sense when compared to other sensor readings and engine operating conditions.

There can be a dozen fault codes related to mass air flow sensors and they mean very different things. If you post the code number in your reply, you can go here:

https://www.2carpros.com/trouble_codes/obd2/p0300

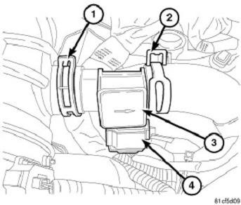
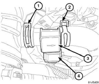
to see the definitions, or I can interpret it for you. If we need to go further, please list the engine size. The sensor is located in the fresh air tube between the air filter box and the throttle body assembly.
Apr 15, 2019 at 5:13 PM
Avatar
CHRISAGNEW
  • MEMBER
  • 4 POSTS
Thanks brother:
I got two codes p0101 and p0128.

It comes and goes (engine light) but headed for inspection Friday.

Engine is 3.6l, six cylinder

Car runs fine so I think you are on the right track. Any advice appreciated.
Apr 15, 2019 at 5:46 PM
Advertisement
Avatar
KASEKENNY
  • CERTIFIED EXPERT
  • 18,907 POSTS
I attached the flow chart for the P0128. The P0101 does not show up for your vehicle. Chrysler does not appear to use this DTC but this is a typical MAF circuit performance DTC. It just does not show up on this year and model. This is not uncommon though. Your basic cleaning of the MAF or replacing should take care of it as long as you test out the wiring.

Here is a video that shows how to test it. The key is to see steady smooth voltage up and down with RPM.

https://youtu.be/p0ocaDmcAIM
Apr 17, 2019 at 7:54 PM
Avatar
CARADIODOC
  • CERTIFIED EXPERT
  • 34,306 POSTS
Thanks, KASEKENNY1

P0128 - ECT Below Thermostat Regulating Temperature

Before getting "wrapped around the axle" over this code, be aware this one was real common as far back as the mid '90s. If this is the same issue, it will not affect emissions, therefore it will not turn on the Check Engine light. In cold winter climates, this code will be found in every Chrysler product, and can be ignored. It sets when the coolant fails to reach a predetermined temperature within six minutes of starting the engine. If it's real cold outside, the only way the coolant can warm up fast enough is to start the engine, then immediately zip out onto the highway and reach full speed. Any preliminary idling to let the engine warm up will be sufficient to set this code.

P0101 - Mass or Volume Air Flow Circuit Low Input

This code does not refer to the measured weight of the incoming air being too low, as would occur with a dirty sensing element. It refers to the signal voltage going outside of the acceptable range. For most 5.0-volt sensors, that acceptable range is 0.5 to 4.5 volts. A dirty sensor can not cause this code. The only way for the voltage to reach these values is a defect in the circuitry within the sensor, or a break in one of the wires feeding the sensor.

In this case, a low input code is set when the signal voltage falls below 0.5 volts. (That's for explanation purposes. In actual practice, the threshold for triggering a code will vary, and could be a little higher or lower). If there was a break in the 5.0-volt feed wire, or corrosion between the mating terminals in the connector for that wire, all you'd see in the sensor was the ground circuit, and 0.0 volts output signal. If you watch the signal voltage on a scanner and you see it drop to 0.0 volts, the best suspect is a problem in the 5.0-volt feed wire circuit. If you see the signal voltage drop too low, but not all the way to 0.0 volts, circuitry problems within the sensor is the better suspect.
Apr 18, 2019 at 1:29 PM