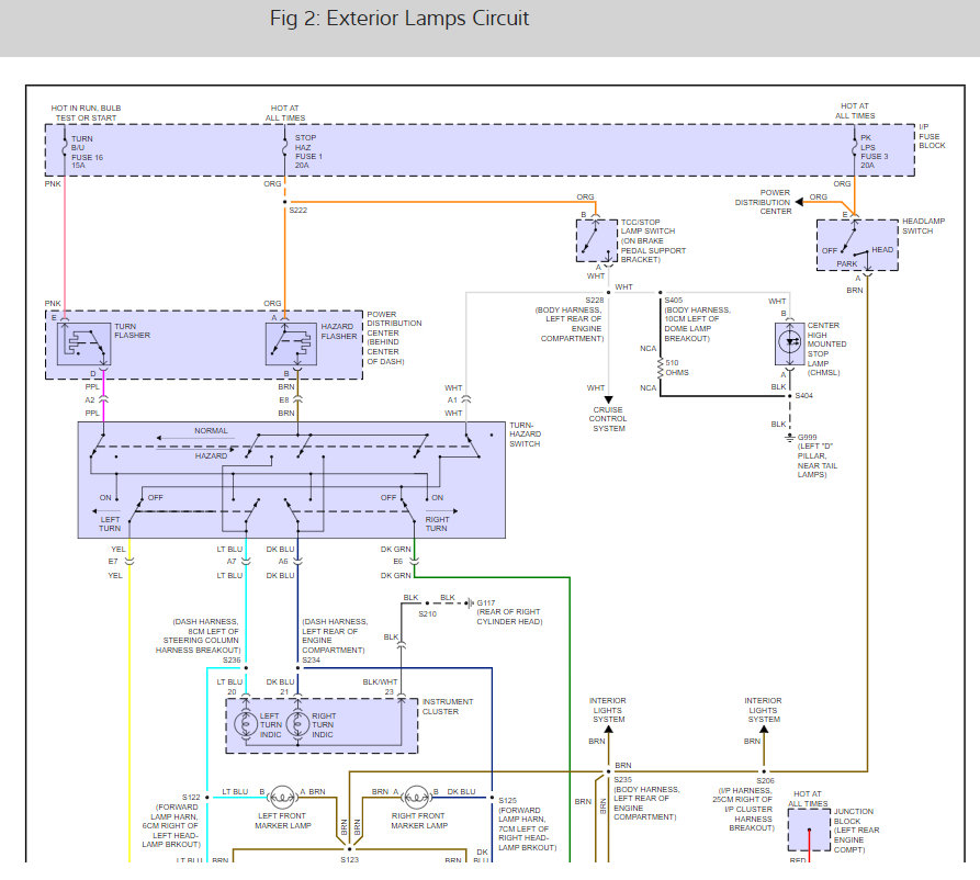
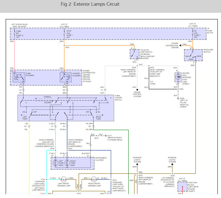
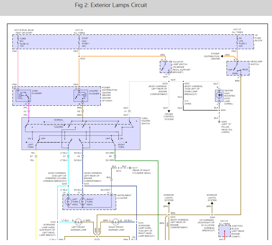
I change the signal light switch and when I turn it off the engine it stays on. I have to remove a fuse to turn it off and the running light stay on. Can some one please help?
Aug 8, 2018 at 3:19 PM

