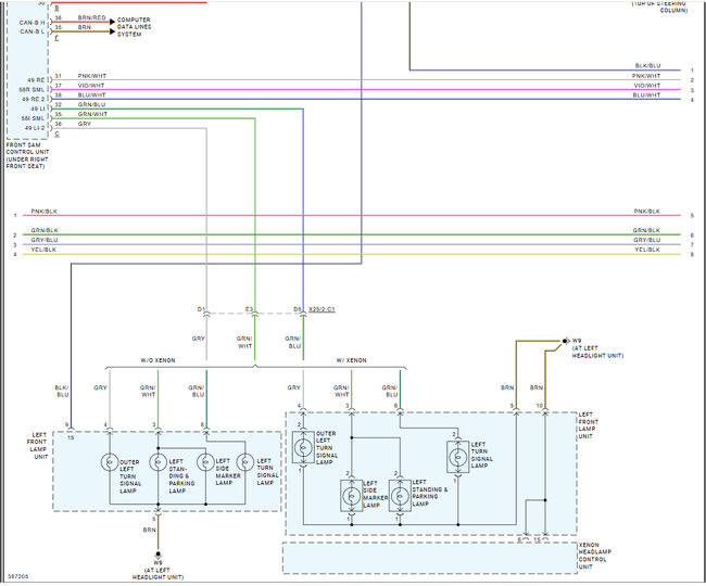
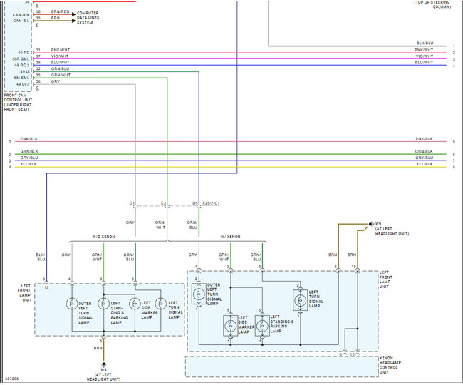
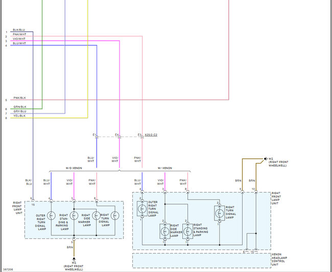
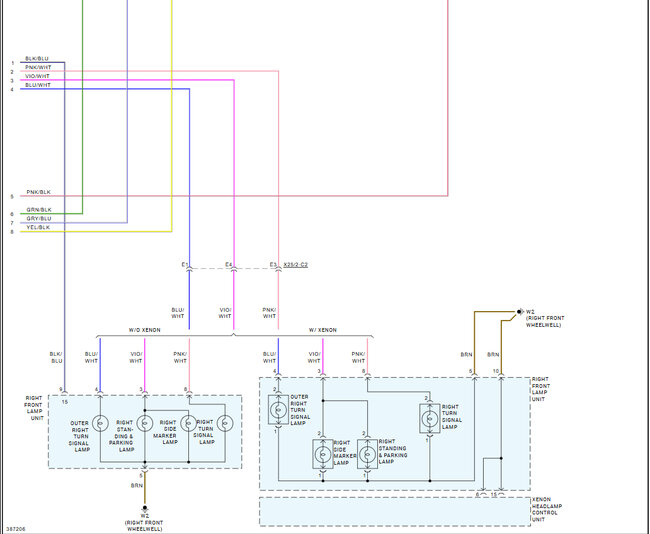
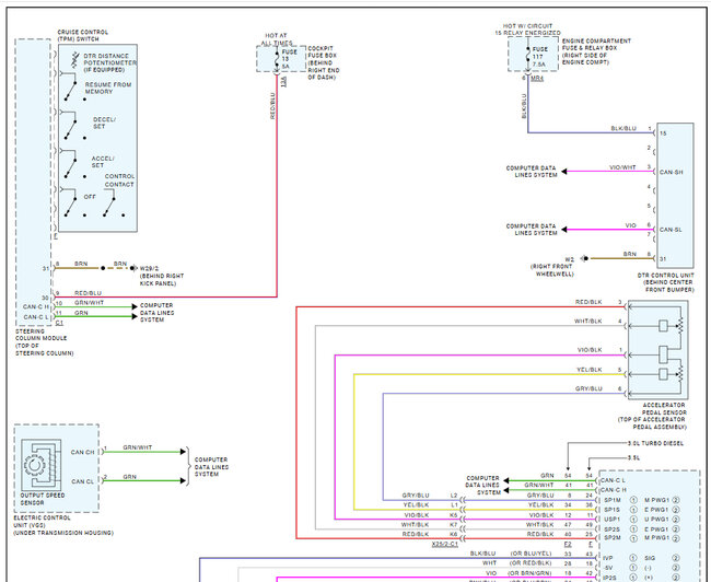
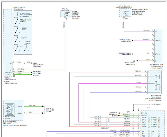
I have a random sporadic inop of blind spot, turn signal and cruise control, as well as SRS fault. I can't connect scan tool because DLC is inop as well. The fuse seems fine but clearly something is taking down the CAN network. I found water in the trunk from a worn-out seal and found corrosion on the fuse/relay panel on the trunk floor. However, I don't see any real damage and the wiring was taken apart and cleaned. I suspect it may have affected other controllers (i.e. the SAM(s). I did not see any obvious signs of damage or corrosion on the rear SAM or front SAM.
I am trying to see what is common on these systems to narrow down the search.
I am trying to see what is common on these systems to narrow down the search.
Dec 23, 2024 at 9:25 AM


















