Can I bypass ECU to fuel injectors?

1992 CHEVROLET 3500
68,000 MILES • 5.7L • V8 • 2WD • AUTOMATIC
Avatar
STEVEN GRIBBINS
  • MEMBER
  • 26 POSTS
Because only one side is working. The new motor, new PCM and it's not starting, it's not getting old fuel, something is wrong with the bus. I've gone through everything on it. I don't know what else to do. It's like it's it was running now it's not getting fuel now it's not I don't know I'm so sick of it I'm miserable.
If you can help me, please, I need it badly.
Apr 29, 2022 at 9:08 AM
Advertisement
Avatar
AL514
  • CERTIFIED EXPERT
  • 5,465 POSTS
Hello, sorry for your frustration. I think we've all been there. So, you're only getting one fuel injector working? And what BUS are you referring to too? Are you scoping some kind of network? If you replaced the PCM, did you switch over the prom chip and the network calibration resistor (calpak) from the old PCM as well if it has either one?

https://www.2carpros.com/articles/can-scan-controller-area-network-easy
Apr 29, 2022 at 10:24 AM
Avatar
STEVEN GRIBBINS
  • MEMBER
  • 26 POSTS
I replaced everything has to the prom and cal chips.
Apr 29, 2022 at 3:12 PM
Advertisement
Avatar
AL514
  • CERTIFIED EXPERT
  • 5,465 POSTS
Well, the old eprom chips on these need to go into the new ECM from the old ECM. This is such an old design. So, are you losing injector pulse on just one injector or both, what's happening exactly?
Apr 29, 2022 at 4:00 PM
Avatar
STEVEN GRIBBINS
  • MEMBER
  • 26 POSTS
I've lost injector pulse on both now.
Apr 30, 2022 at 7:16 AM
Avatar
AL514
  • CERTIFIED EXPERT
  • 5,465 POSTS
But you had it on one for a while? Can you give us the whole story here? Does the Tachometer move while you're cranking the engine over? Does the check engine light come on while cranking? Also, I would check right at the ECM to see if you have injector control there. That way you'll know if you're losing it in the wiring harness or if it's an input or an ECM issue.
Apr 30, 2022 at 9:02 AM
Avatar
STEVEN GRIBBINS
  • MEMBER
  • 26 POSTS
Can I just get the ECM that came with the bus program to go with this motor?
Apr 30, 2022 at 11:37 AM
Avatar
AL514
  • CERTIFIED EXPERT
  • 5,465 POSTS
Are you asking if we supply parts?
Apr 30, 2022 at 2:08 PM
Avatar
STEVEN GRIBBINS
  • MEMBER
  • 26 POSTS
No, I'm just asking if it's possible to have the ECU programmed to the motor I installed that has a cam.
Apr 30, 2022 at 2:54 PM
Avatar
AL514
  • CERTIFIED EXPERT
  • 5,465 POSTS
I have no idea. With an older ECM like that, there wasn't much for having to reprogram ECMs back then. We would go through check the powers and grounds of a failing/failed ECM then change over the eprom chip inside. You can try Flagship One and see if they can help you out with something like that. They provide plug and play ECMs now that don't require any scan tool to program the VIN or anything. They don't have ECMs for every vehicle, but they do have one for a 96' Chev C/K series 5.7l. You can ask them if they can alter ECM coding, they might be able to. Or at least direct you to someone who can. I thought you were having issues with fuel injectors cutting out. But here is a link to their site and the ECM for that truck:

https://www.fs1inc.com/1992-chevrolet-c-k-series-3500-5-7l-pcm-engine-computer-ecm-ecu-programmed-plug-play.html
Apr 30, 2022 at 3:15 PM
Avatar
STEVEN GRIBBINS
  • MEMBER
  • 26 POSTS
I was having problems with the fuel injectors cutting out, but I think what I done was I took direct wire from my alternator to the PCM pink and black wire and now nothing's working.
Apr 30, 2022 at 3:18 PM
Avatar
AL514
  • CERTIFIED EXPERT
  • 5,465 POSTS
The pink/black wire that goes from ECM IGN Fuse 10amp to the ECM? And why did you do that? Did you verify that the injectors were losing power? if it was not a power issue and it was a control issue on the injectors due to a faulty input sensor somewhere. Have you checked that there are no blown fuses, its never a good idea to run power to any ECM pins. Finding a lack of power to the ECMand diagnosing why the injectors are cutting out is the proper method. If you lost only one injector first, then another later, that points to a wiring issue more than an ECM driver issue. I would suggest going through every fuse to begin with. If there was a short to ground causing the ECM issue to begin with and you put direct power from the alternator down that circuit, there's no telling what happened.
Apr 30, 2022 at 3:34 PM
Avatar
STEVEN GRIBBINS
  • MEMBER
  • 26 POSTS
These ports that are clogged are to my MAP sensor the original motor out of bus only had 68,000 miles and the year is a 1992 but it burnt a ring up and I believe this is the corporate for it same place where ring burnt up on piston.
Apr 30, 2022 at 10:37 PM
Avatar
AL514
  • CERTIFIED EXPERT
  • 5,465 POSTS
I'm not sure what you are asking. You're original question was about bypassing fuel injectors. What information do you need?
May 1, 2022 at 8:57 AM
Avatar
STEVEN GRIBBINS
  • MEMBER
  • 26 POSTS
Still working on the bus original problem was a ring broke so I put in a motor that was out of a 88 Chevy and it had a cam so I cut and splice the ECU and put an older style ECU on the bus the bus is on 92 still wasn't running right it was running but it was running real bad was having problems getting equal amount of pulse to the injectors so my only resolution was to pull that motor out and put it in another motor that I had that's just a GM crate motor bone stock just like what I took out of it but I had to rewire the ECU that originally went with the bus now I'm not getting any pulse to the injectors can you give me a path to follow something to take off with on it.
May 19, 2022 at 1:46 PM
Avatar
AL514
  • CERTIFIED EXPERT
  • 5,465 POSTS
I'm not really sure how to help you. You can't just put any GM ECM with any engine and expect it to work together. If anything, is there a camshaft position sensor on the engine? Or a crankshaft position sensor, I would think on an older engine like that, those are going to be your two main inputs for ignition and injector timing. But some crankshaft position sensors have a different amount of teeth on the crankshaft, so it depends on how the ECM is programmed. If the ECM, for example, is looking for 53 pulses from the crankshaft position sensor, but is getting a different amount, nothing is going to fire correctly. And how do you know if you're splicing the correct wires to the correct pins of the ECMs connectors? If you knew exactly what the engine was out of, year, make and model, then you would have to get an ECM for that vehicle. Then you might be able to make this work. But I have no idea what 1992 wiring diagrams to give you. If you can figure out what the engine is out of, I can try to find you a wiring diagram.
May 20, 2022 at 9:14 AM
Avatar
STEVEN GRIBBINS
  • MEMBER
  • 26 POSTS
My 92g 30 bus has the 28 pin ECU, but I picked up the 32 pin ECU. can I get the pin out for the 28 pin ECU and the pin out for the 32 pin ECU? Please and thank you.
Jun 1, 2022 at 8:21 AM
Avatar
AL514
  • CERTIFIED EXPERT
  • 5,465 POSTS
The only way I can get you any pinouts for ECMs is if you have a VIN number for the vehicle the ECM came out of. I understand you're saying it's a bus, but All Data and/or Pro Demand requires a year, make, and model. Or a VIN to get any wiring diagrams, under 1992 GMC Truck there are 22 models listed.
There is listed a 1992 G 1500 1/2 Ton Van, G 2500 3/4 Ton Van, and G 3500 1 Ton Van. Under these three models there is listed for v8's- 305 5.0L, 350 5.7L,

Listed under Chevrolet Truck, there is listed a G-10 Van, G-20 Van, G-30 Van. V8's- 305 5.0L, 350 5.7L, so if you want the G-30 Van, I can get that, but there's no Buses listed.
The ECM pinouts are the older style also, so it listed as ECM Inputs, then a different one for ECM outputs.
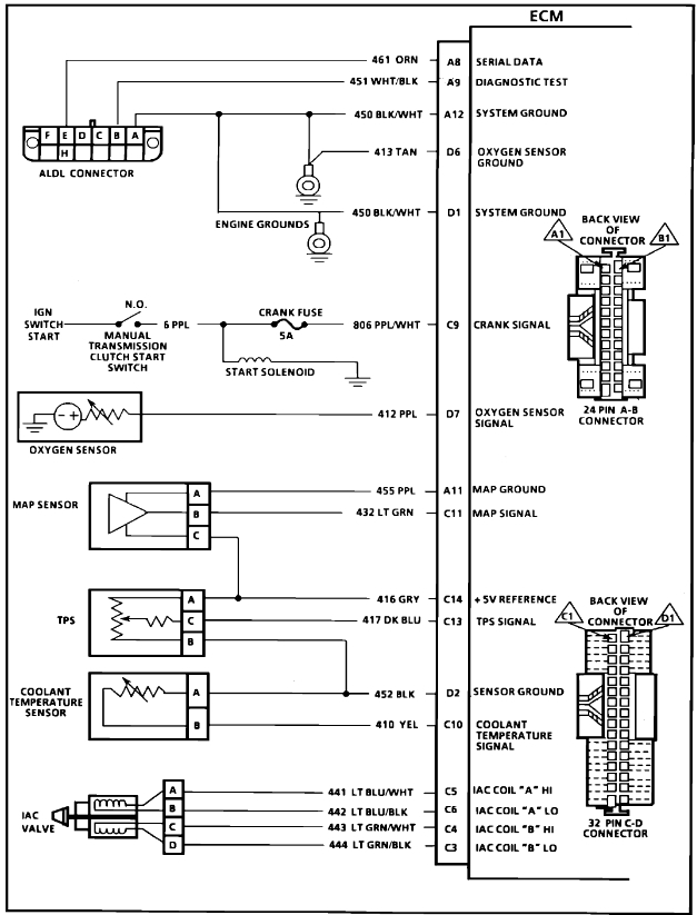
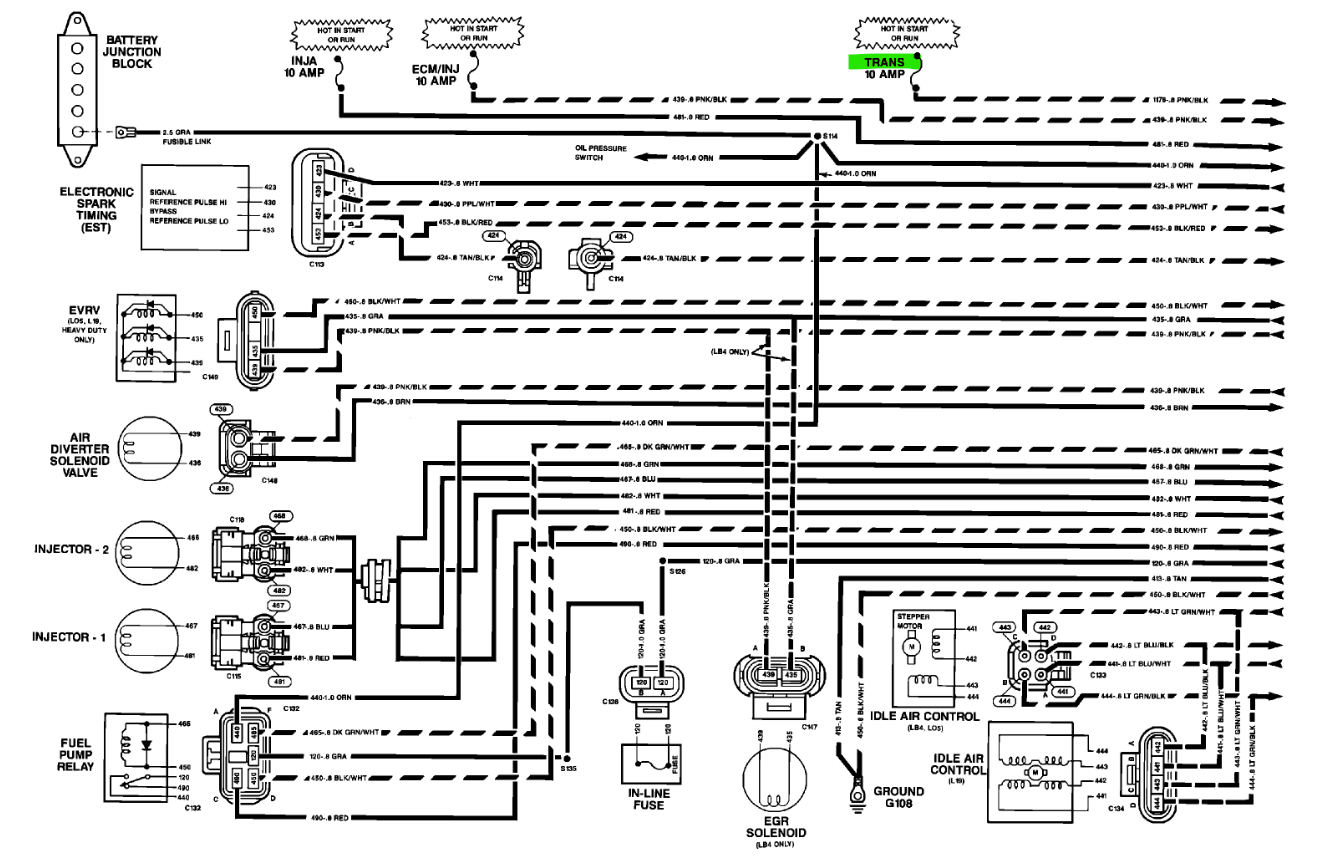
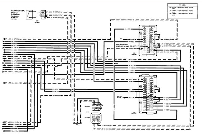
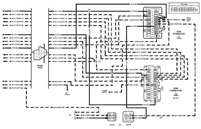
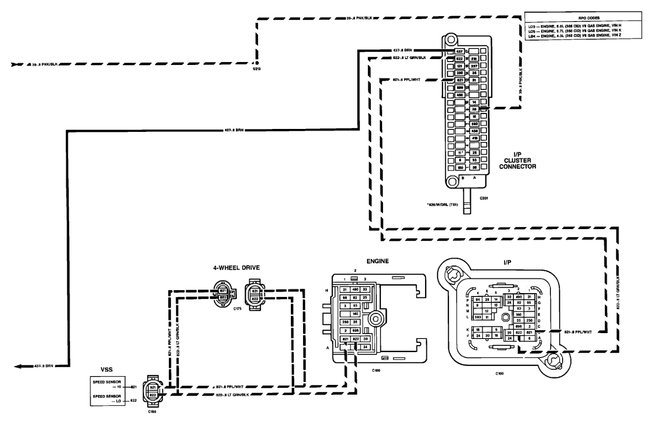
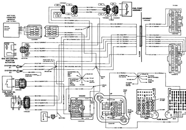
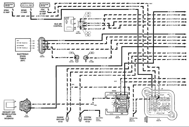
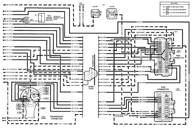
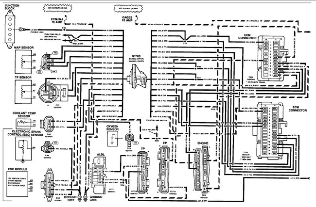
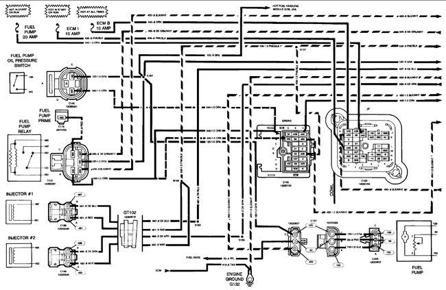
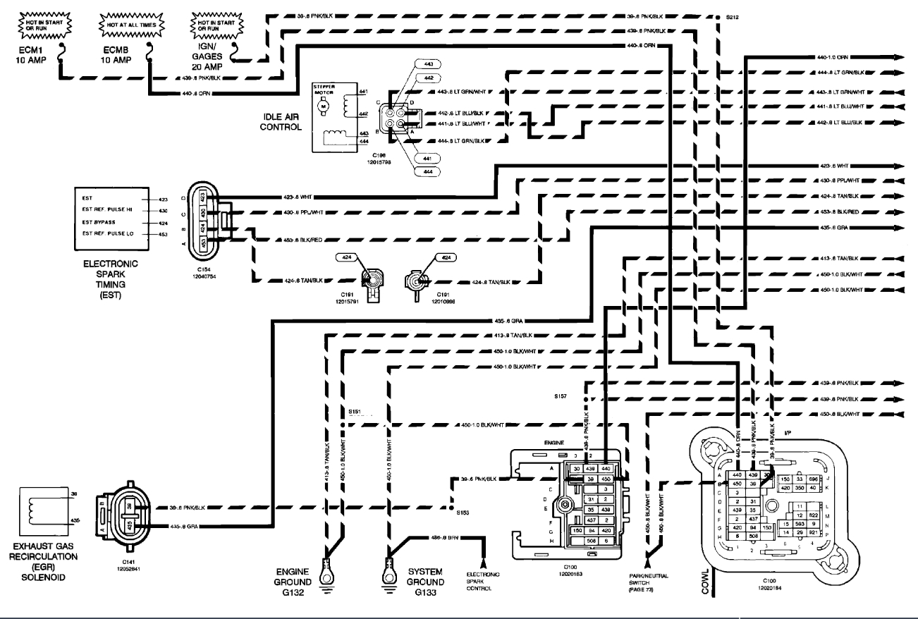
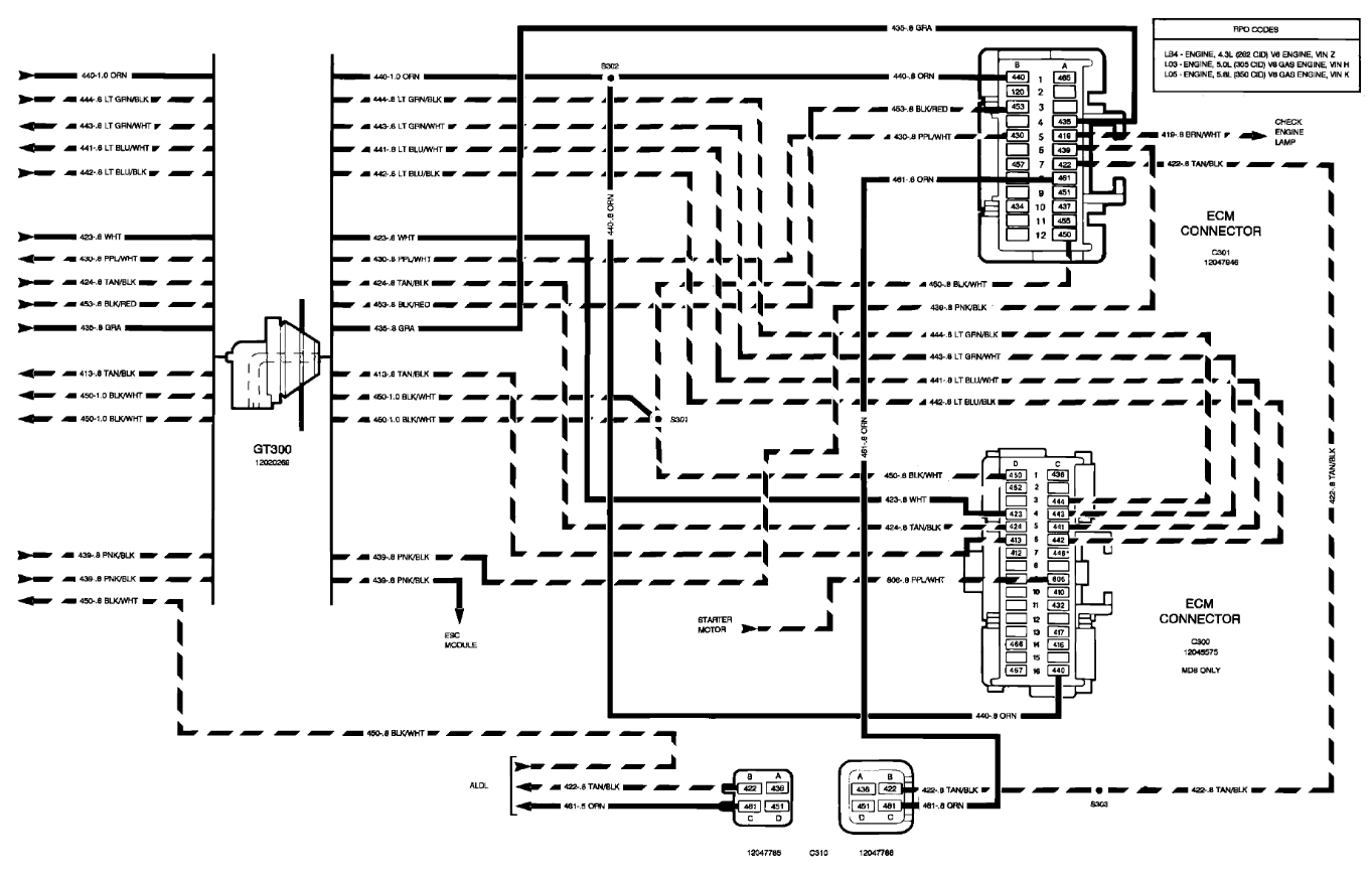
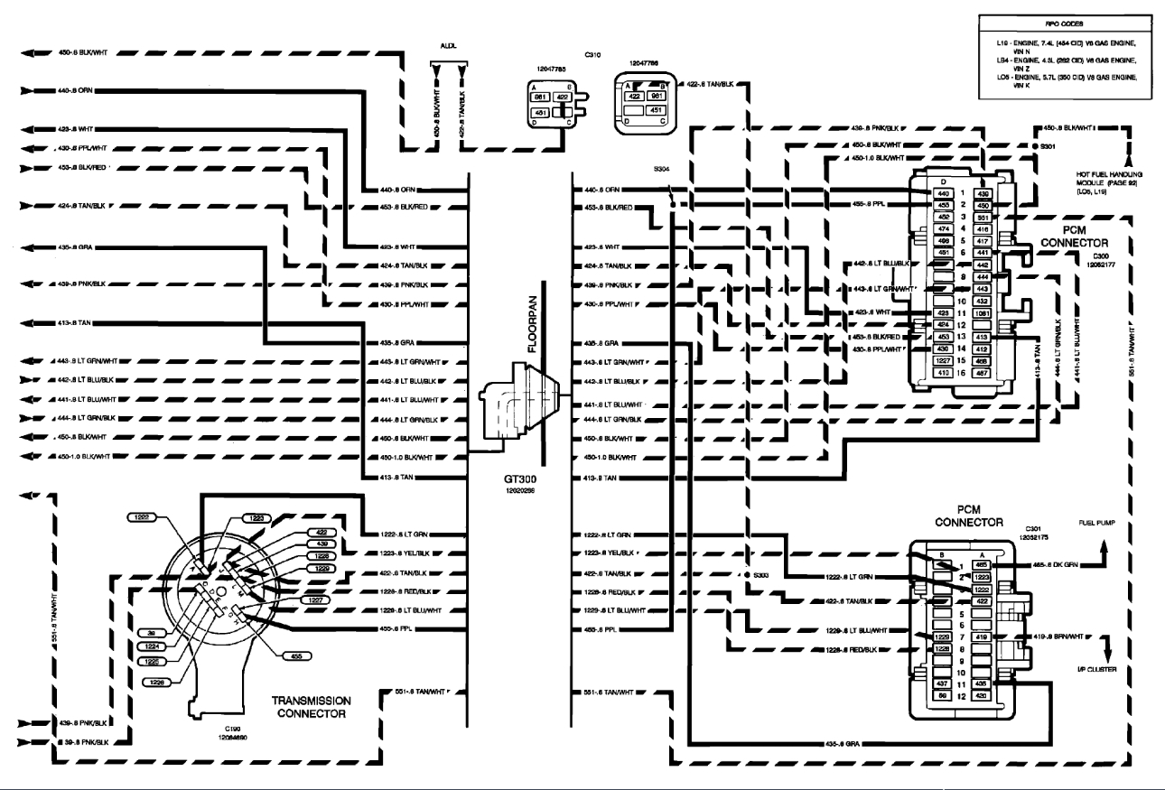
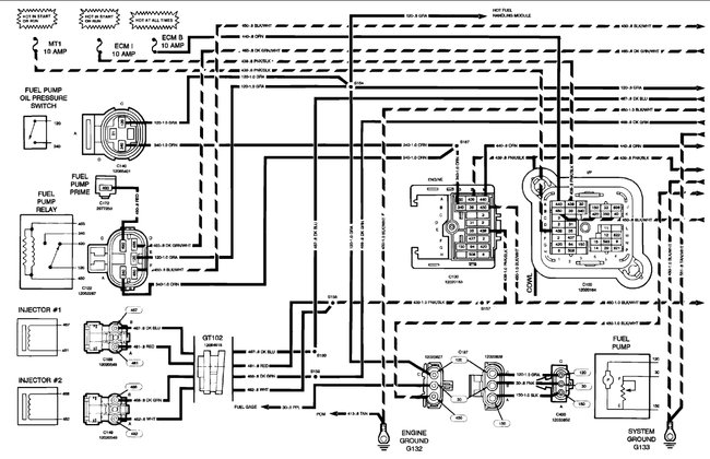
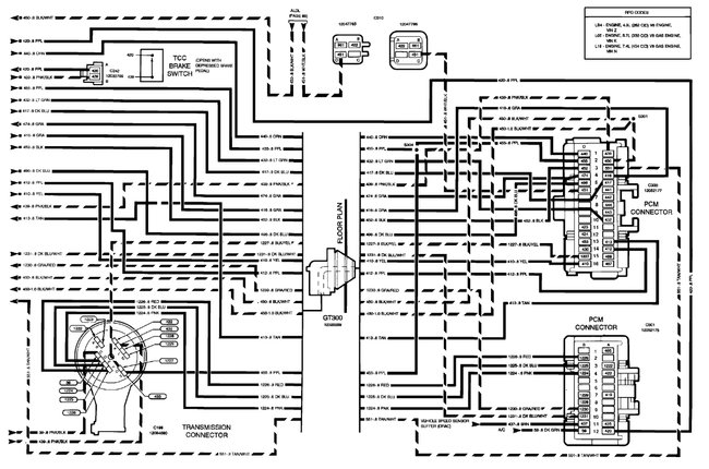
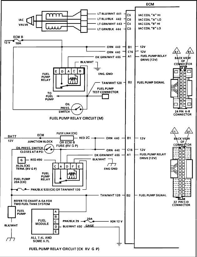
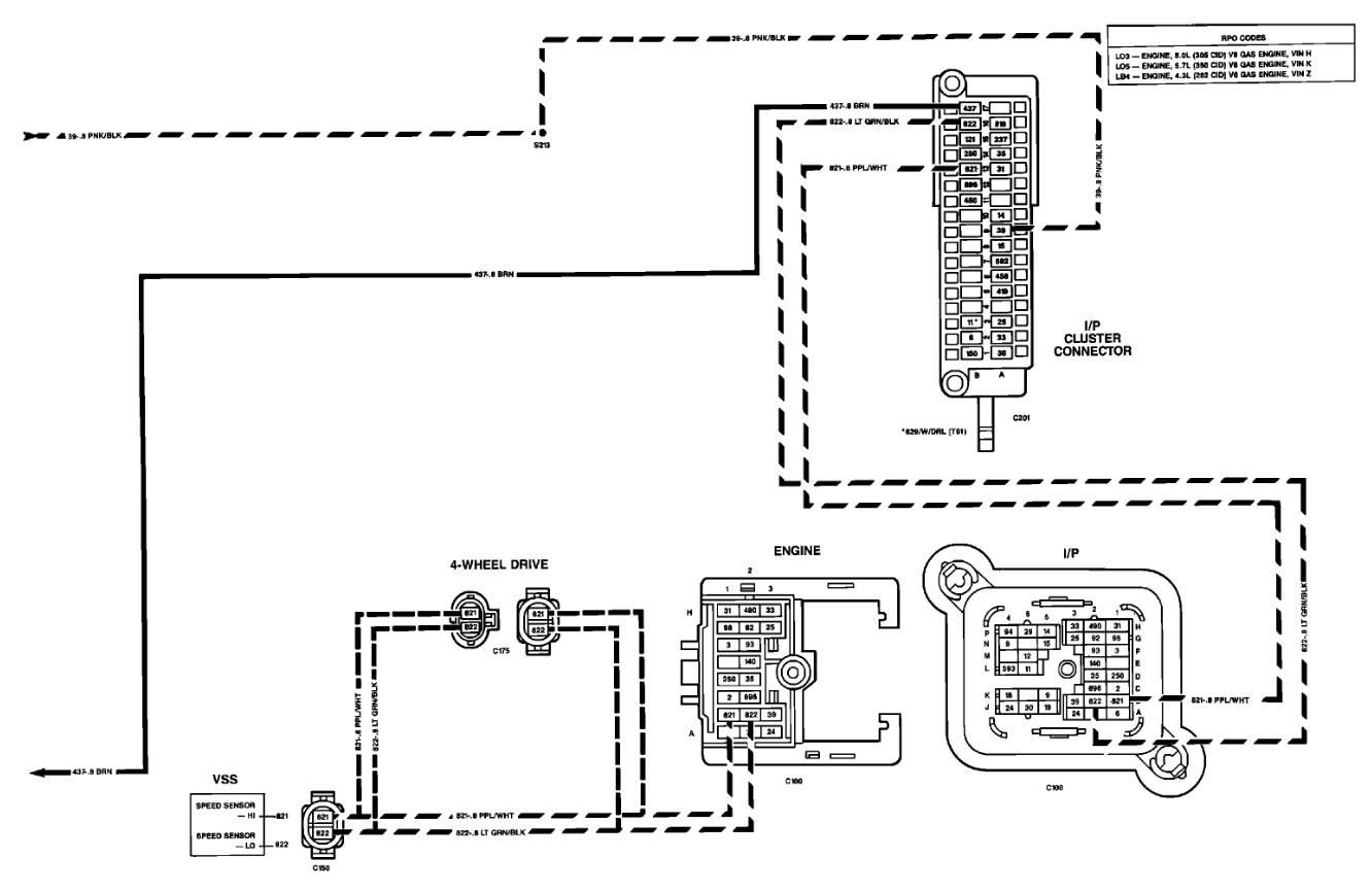
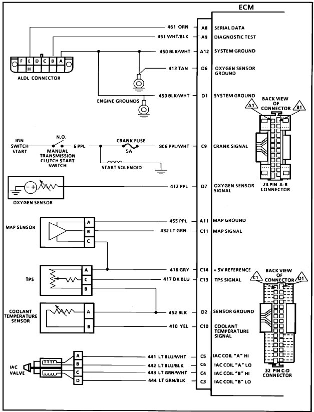
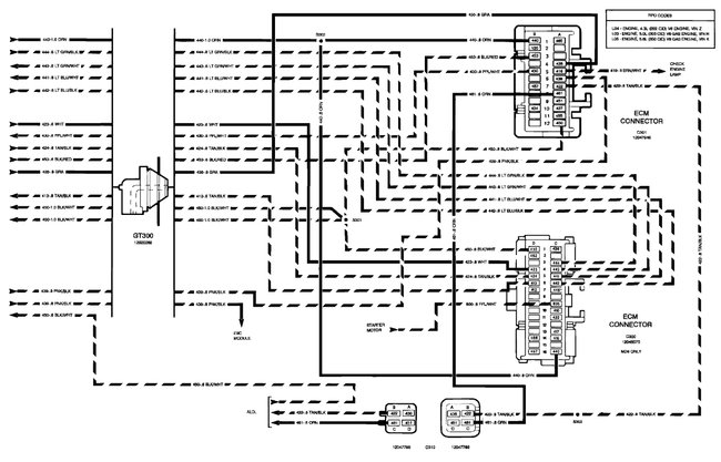
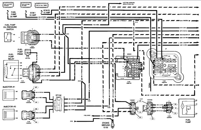
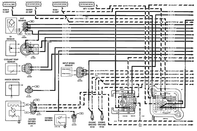
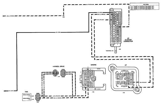
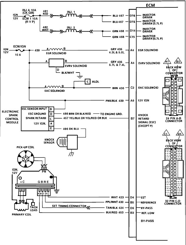
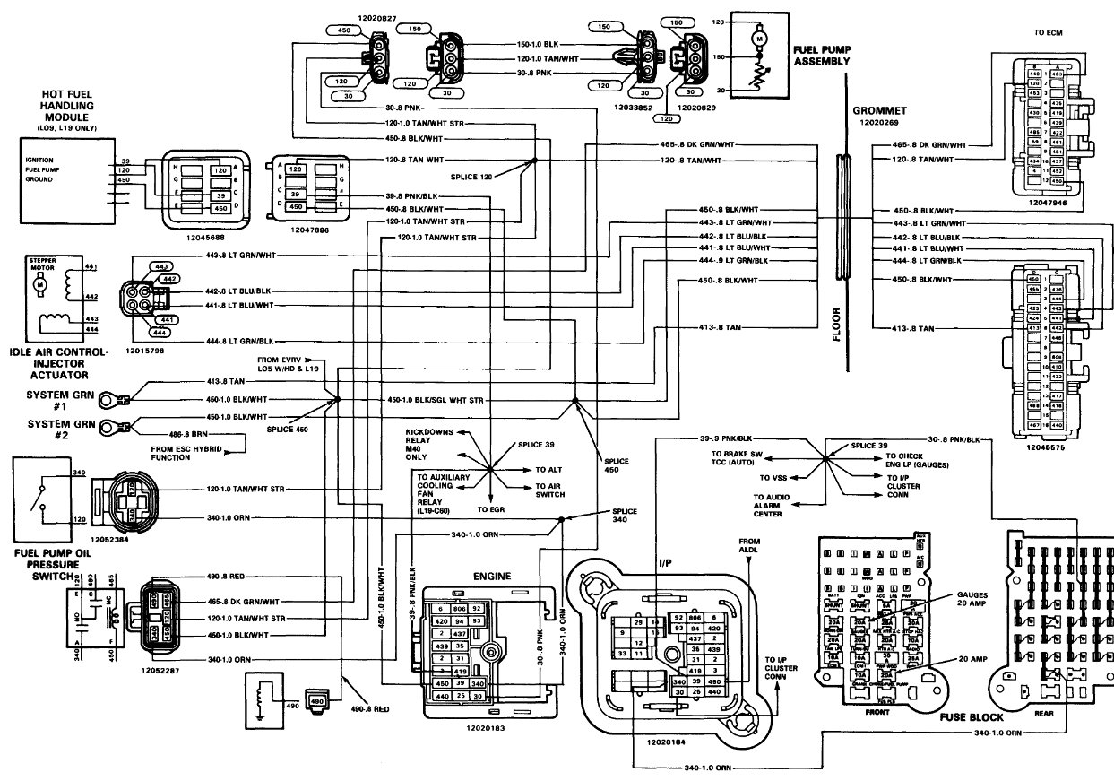
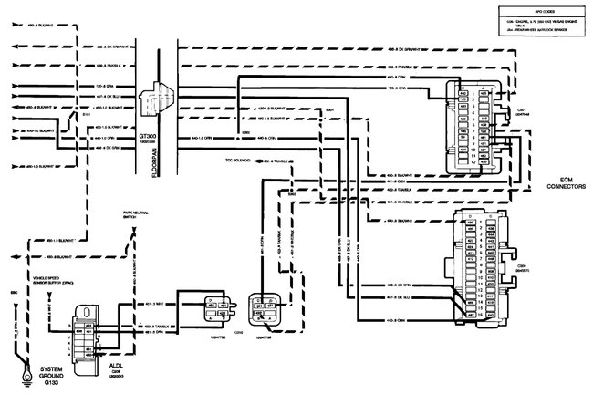
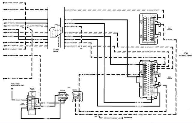
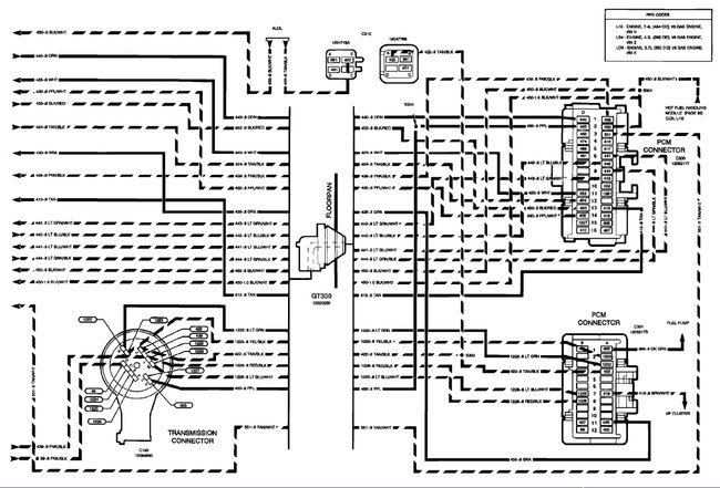
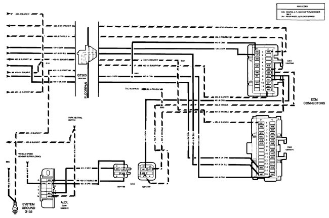
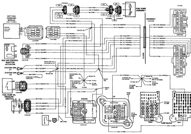
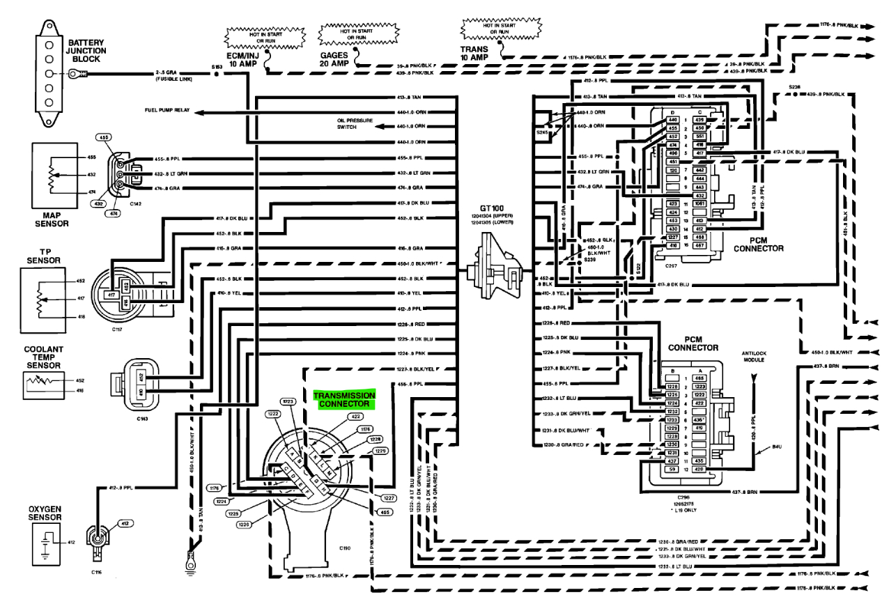
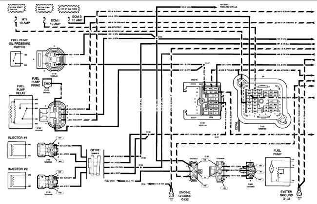
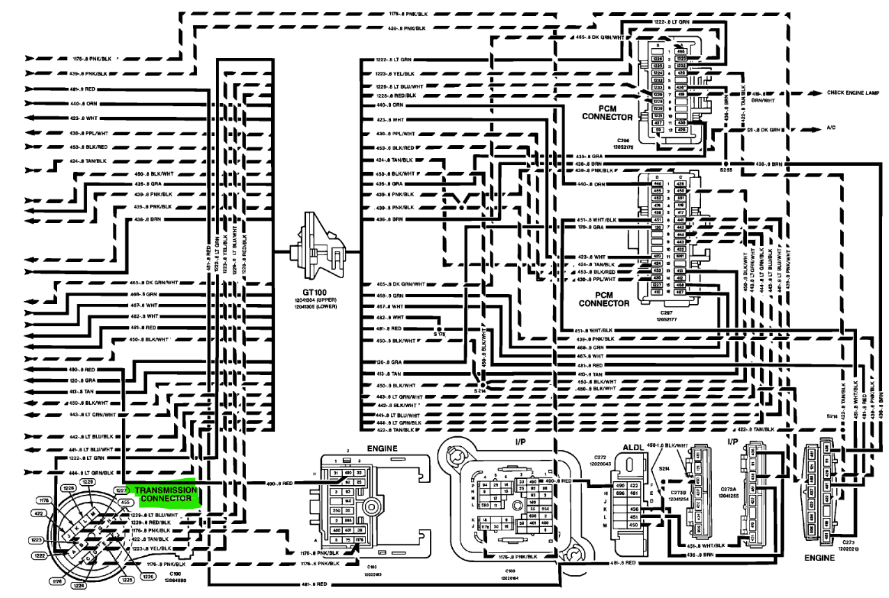
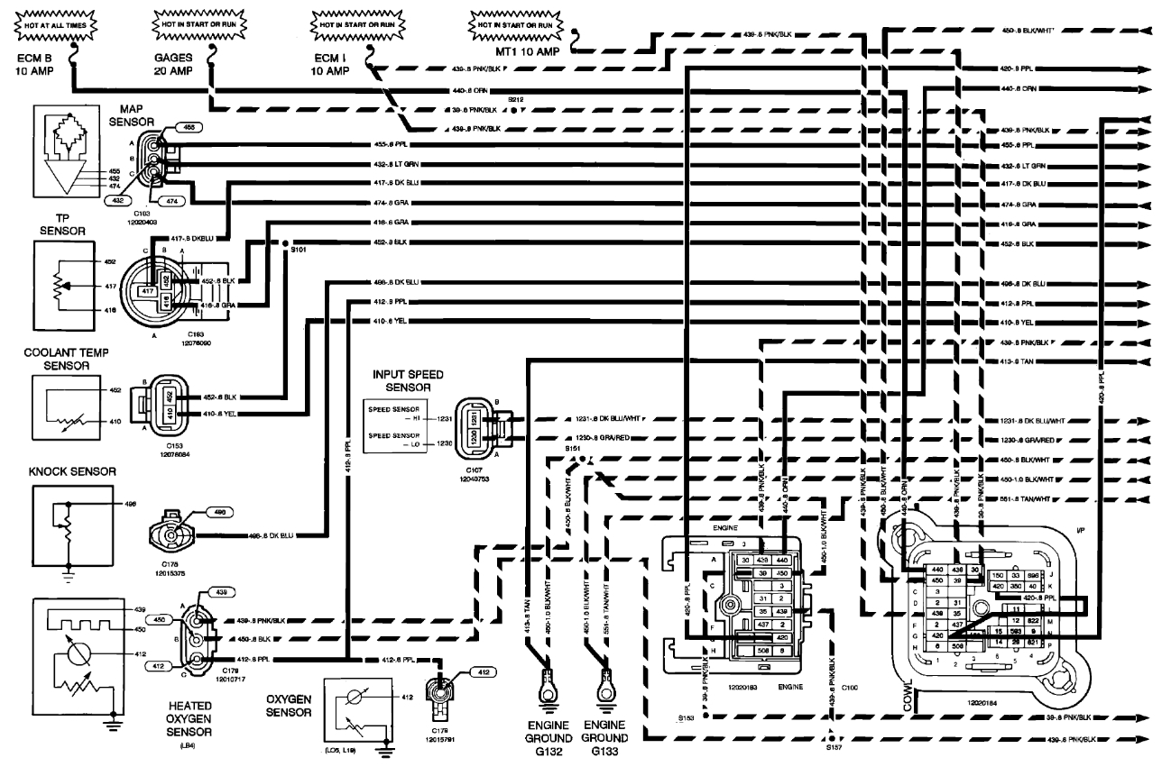
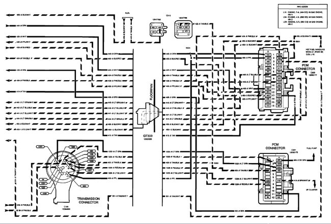
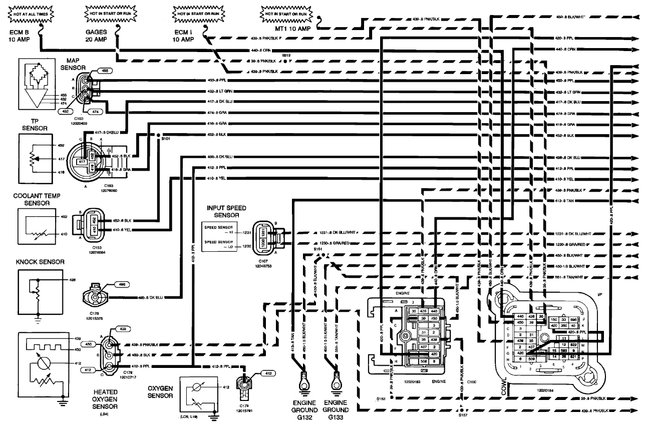
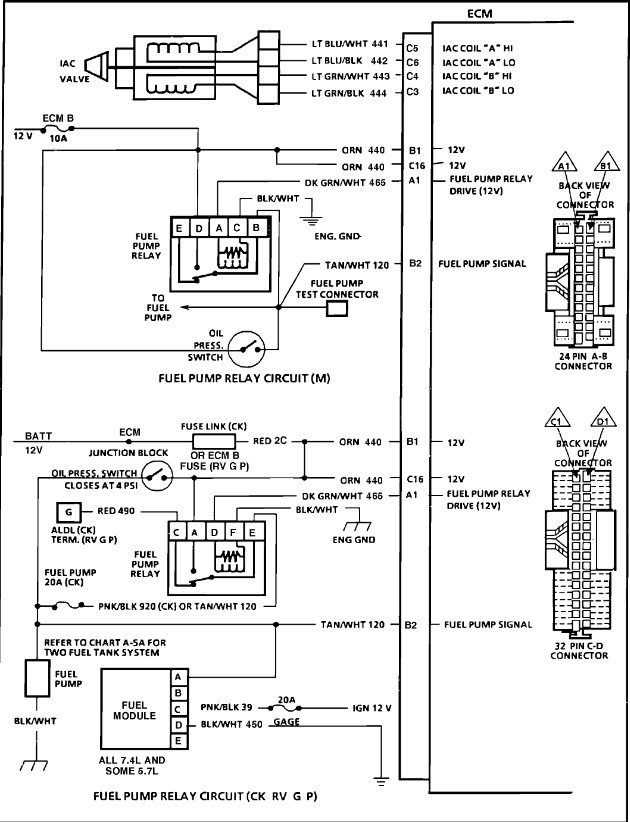
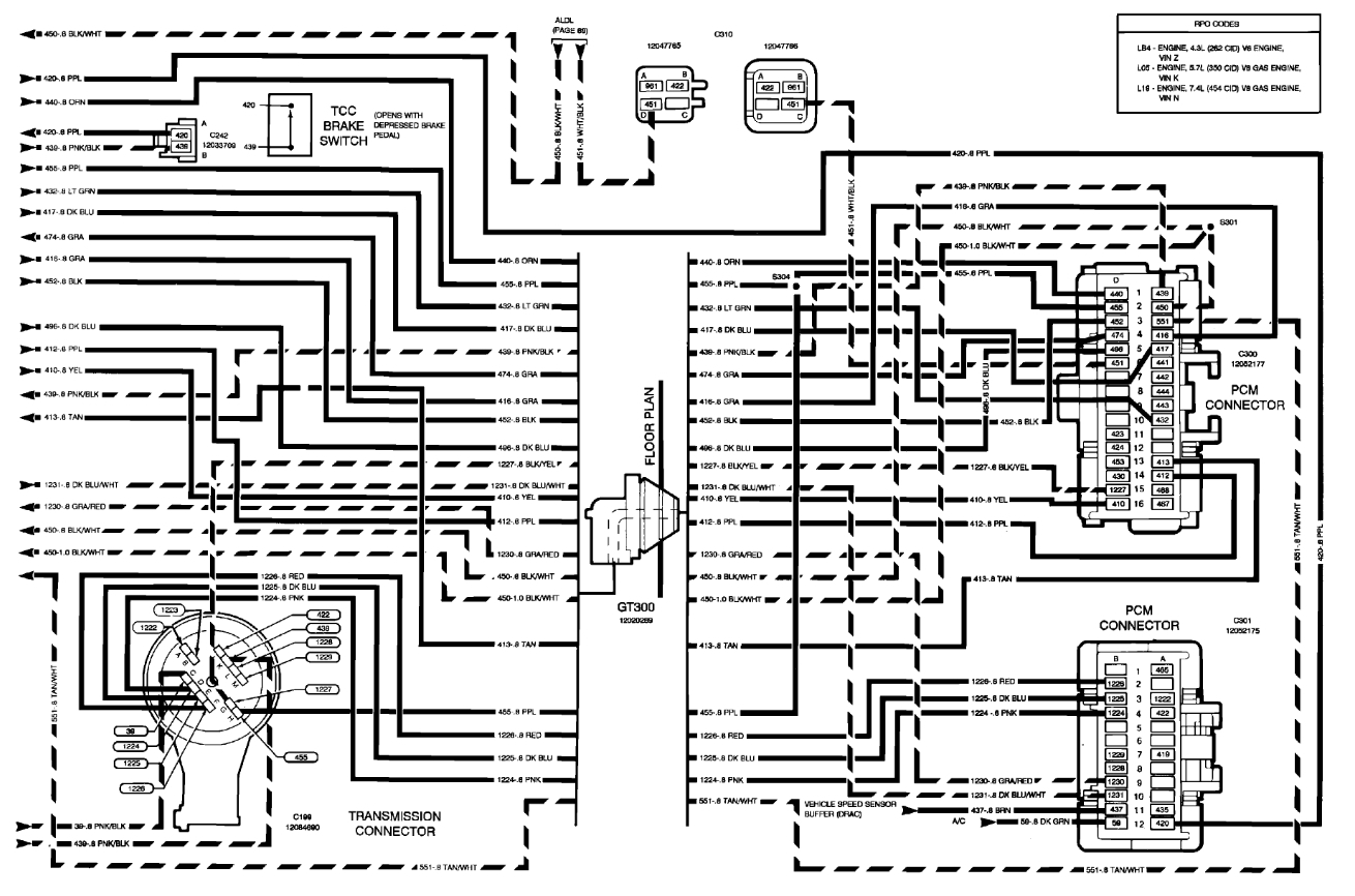
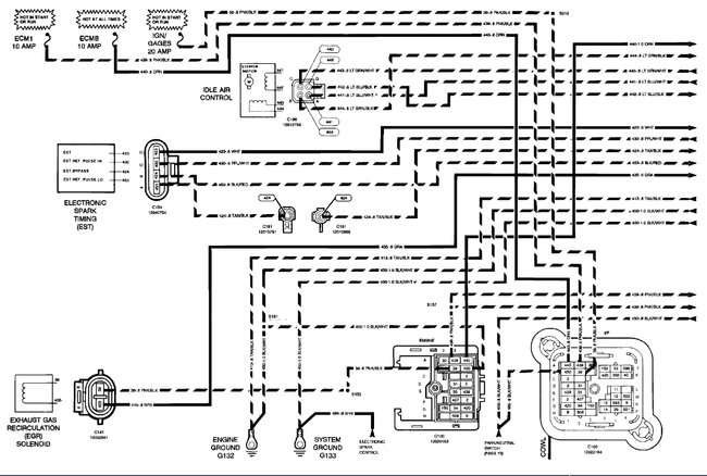
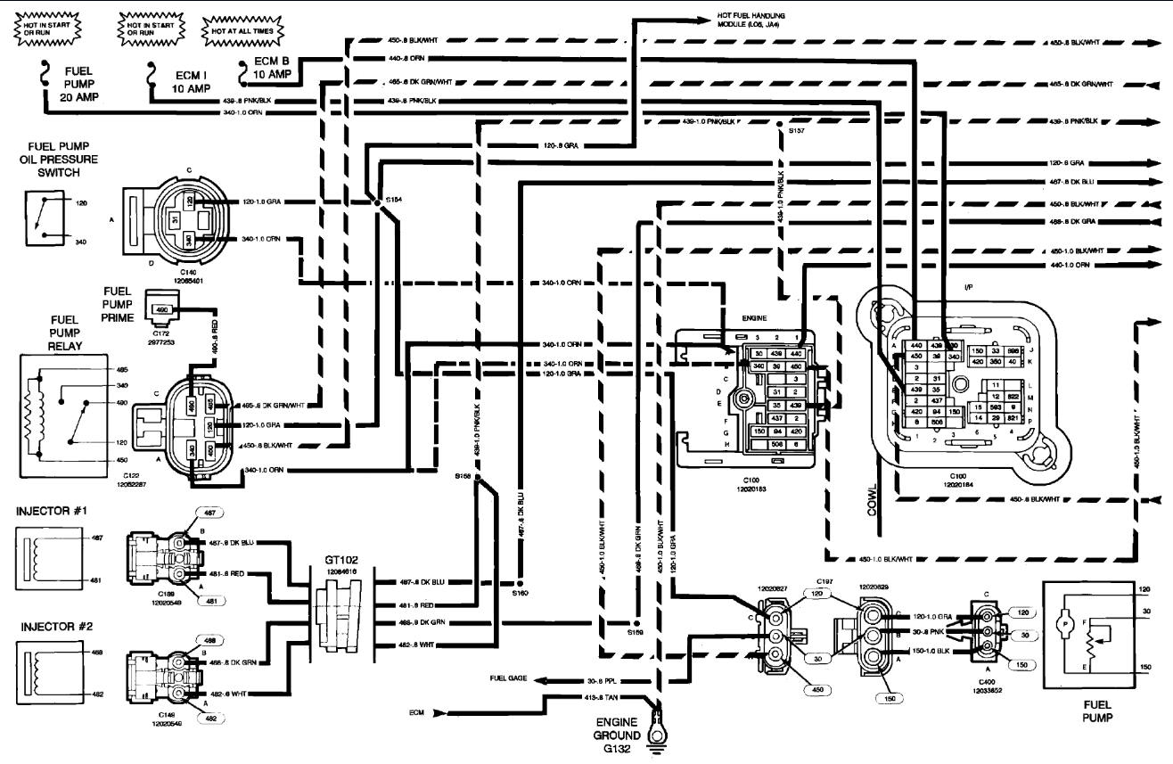
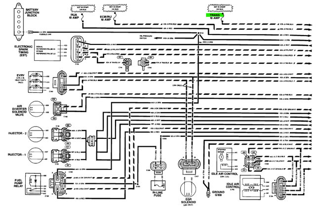
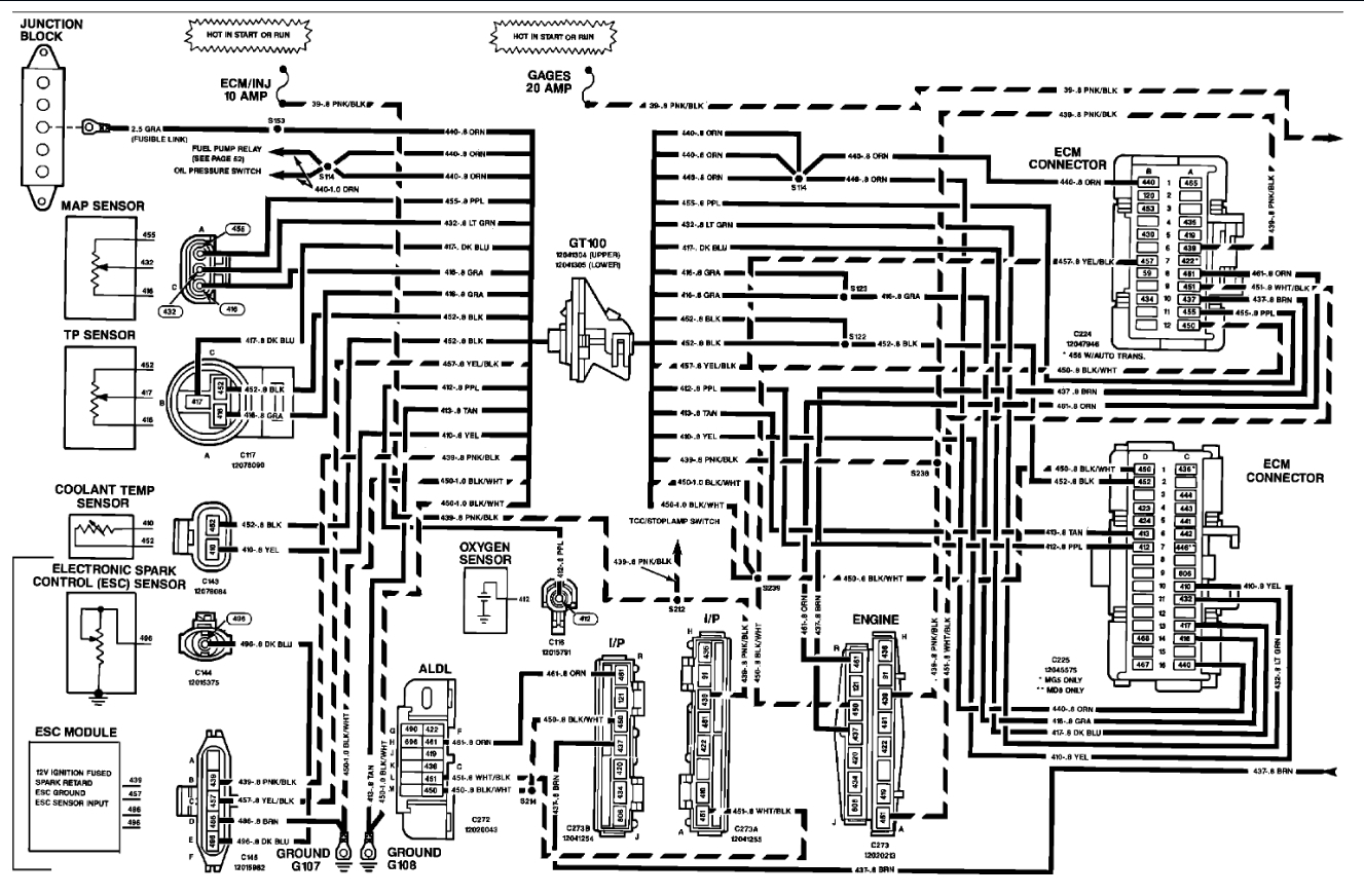
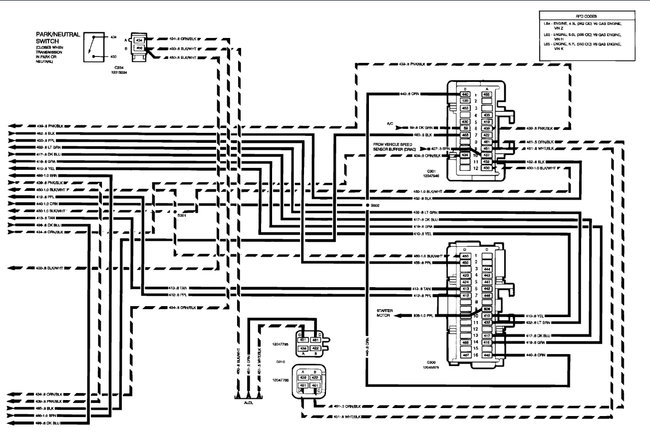
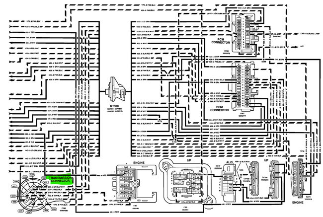
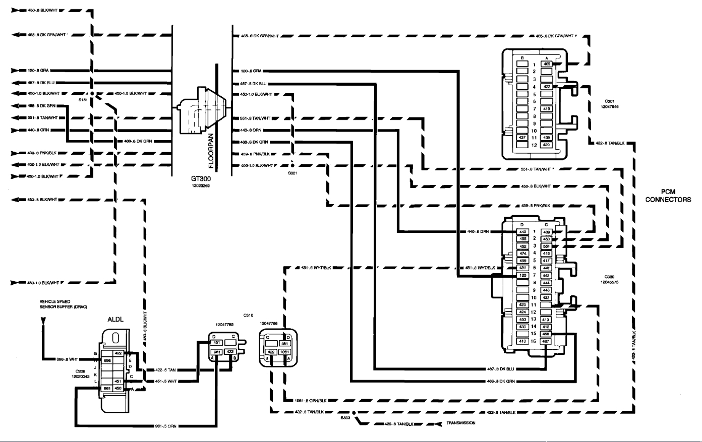
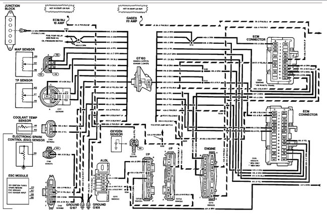
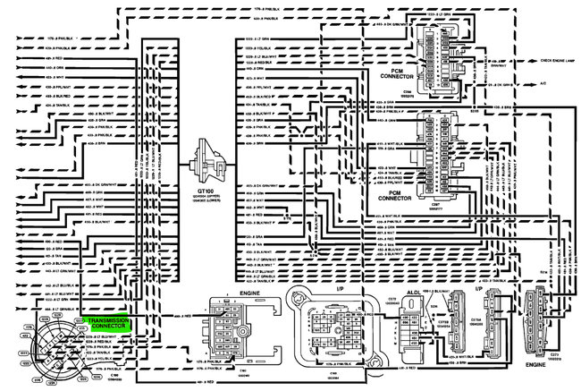
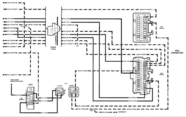
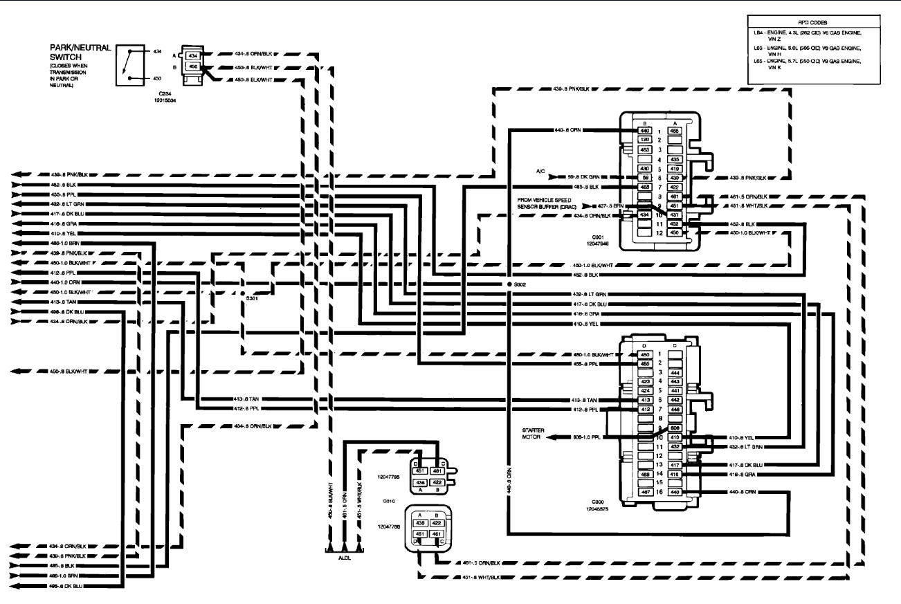
Here are the ECM wiring diagrams for a 1992 G-30 5.7 liter. the other V8's are 6.2 Liter and 7.4 Liter. The first 3 diagrams are ECM Inputs. The last 4 are ECM outputs. These are listed in order directly from All Data, so save the first 3 in a separate folder so they don't get mixed up. I don't know how many pins this ECM has.

Under Powertrain management there is also listed. Fuel Control, Hot Fuel Handling Module, Ignition Controls, Powertrain Controls, Torque Converter Clutch (TCC), Transmission Control Module (TCM), Vehicle Speed Sensor Buffer (DRAC).

So, for example, under Ignition Control, it shows the ignition coil setup, EST Module (Electronic Spark Timing), the pickup coil, etc,. Whereas in the ECM Outputs diagram it will only show the EST harness plug. So, these other diagrams break down each individual system. I'm assuming you will want the Fuel Control extra diagrams as well. Let me know.
Jun 1, 2022 at 1:26 PM
Avatar
STEVEN GRIBBINS
  • MEMBER
  • 26 POSTS
Yes, I need the wiring diagram for the fuel control as well.
Jun 3, 2022 at 6:12 PM
Avatar
STEVEN GRIBBINS
  • MEMBER
  • 26 POSTS
Can I even get this bus going without taking it to a dealer to have ECU programmed?
Jun 3, 2022 at 6:14 PM
Avatar
AL514
  • CERTIFIED EXPERT
  • 5,465 POSTS
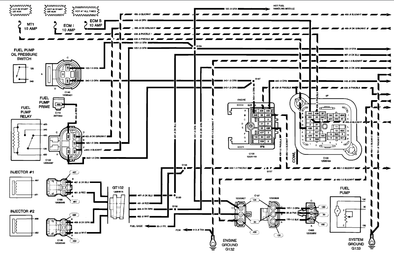
These are the fuel system diagrams, with systems this old, I remember having to change over the PROM chip inside the from the old ECM to the new. Whether it be the PROM, CALPAK, MEMCAL, those chips contain the information about the vehicle, ie engine, transmission, vehicle weight, etc., I'll post the PROM info below. Since you don't have an old ECM to switch any chips over, that's where you're going to have an issue. Unless you can find a company online that might be able to help with programming an older system like this. There seem to be companies doing all kinds of programming these days, but a 1992 is pretty far back. Or you may be able to call and try ordering a chip, give them the year, make and model, and any information off the new ECM, as well as the project you're working on.
Jun 4, 2022 at 2:17 PM
Avatar
STEVEN GRIBBINS
  • MEMBER
  • 26 POSTS
Alright buddy, I'm sorry to keep bothering you with all these questions. I bet your telling yourself "Man, what kind of Frankin-bus does this guy have going on". well, after getting those wiring diagrams I've come to find out that after ruining the two wires of the two ECU plugs I rewired it all wrong and apparently rewired them back to the wrong wires, so now what I have is a bad ECU that came with the bus originally in an ovary see you that when I plug the two ECU wiring plugs into it causes my fuel injectors to spray fuel. So, something tells me that there's a slight chance in heck that my older ECU from an 88 model may be good. it's got to the cow pack and a prone pack in it. By chance would you be able to give me the wiring diagram to this ECU so I can remote my plugs to work on that one? Thank you very much and sorry to bother you.
Jun 6, 2022 at 1:29 AM
Avatar
STEVEN GRIBBINS
  • MEMBER
  • 26 POSTS
Could there be any other reason why my injectors are receiving any post to them like my distributor could it be bad even though it's new and how do I check if this is distributor causing the problem?
Jun 6, 2022 at 1:44 AM
Avatar
AL514
  • CERTIFIED EXPERT
  • 5,465 POSTS
Okay, so, you're asking why the injectors are not getting pulsed? and what year ECM are you working with now? The 1992 or 1988'? and is the 1988 from a G-30 van as well? From the diagrams for the 92' the pickup coil in the distributor is where the timing signal comes from, for example newer vehicles use a crankshaft position sensor to reference timing and then sometimes a cam sensor to reference the #1 cylinder's TDC. So, in a distributor sets up the pickup coil or coils do the same thing. That will be the reference for spark timing and injector pulse.
I did find wiring diagrams for a Chevy G-30 van, 5.0l and 5.7l and actually these diagrams are a lot better than the 1992' ones.
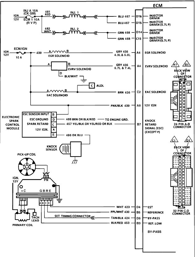
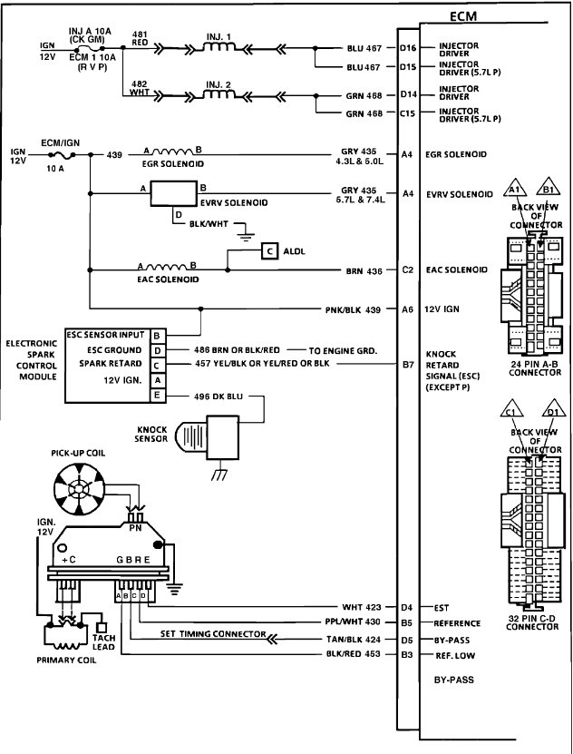
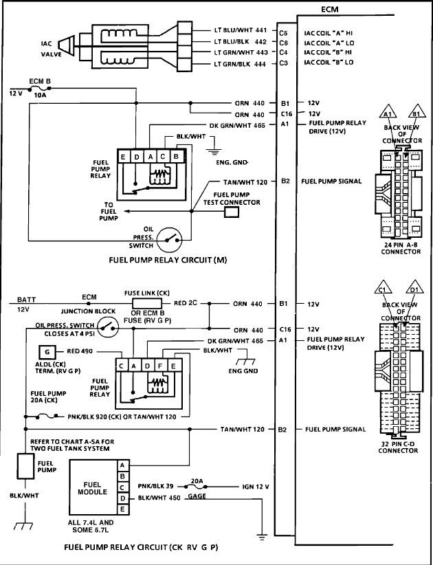
And to check for the timing reference you can put a test light attached to Battery Positive and while cranking the engine touch the test light to the negative side of the Ignition Coil. The ignition coil has 2 circuits built into it. The 2 wires attached to the coil are battery positive and ground. That is the ignition coil's Primary circuit, when the ECM pulses the Ground side (or Control side) of the coil, this induces high voltage into the coils Secondary circuit which the spark plug wire is connected to. So, with a test light attached to battery positive and touching the negative (Ground/Control) side of the coil, your test light will flash, because the ECM is continuously turning the control side off and on to induce the high voltage into the Secondary circuit.
You notice that older models have that wire running to the distributor that has a connector you unplug to set base timing with a timing light. That is the EST circuit. It's the ECMs control of spark timing to the Distributor. When it's unplugged the ECM no longer has control of ignition timing. The ignition control module has control of spark timing then.

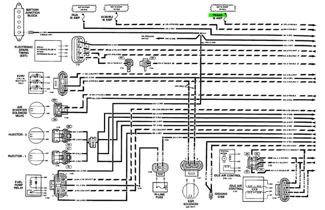
These diagrams are the ECM from a 1988 Chev G-30 5.0 liter. Notice on diagram 4 the Pick-up coil and the Ignition Coil + and C(control). This has a separate Electronic Spark Control Module. A common GM setup back then. There are also break down wiring diagrams of each system, Fuel Control and Idle Air Control- Ignition System- Throttle Body Injection (TBI).
5th Diagram is the Fuel Control.
Jun 6, 2022 at 1:16 PM
Avatar
STEVEN GRIBBINS
  • MEMBER
  • 26 POSTS
I need a wiring diagram for 1977 Jeep cj 7 if it's possible.
Jun 11, 2022 at 5:35 PM
Avatar
AL514
  • CERTIFIED EXPERT
  • 5,465 POSTS
No, there are no wiring diagrams for that at all. There's a vacuum line diagram, but it's almost impossible to see anything on it, it's so old.
Jun 11, 2022 at 9:53 PM
Avatar
STEVEN GRIBBINS
  • MEMBER
  • 26 POSTS
Okay, back to my bus. I've finally learned how to read these wiring diagrams. I needed to just slow down and focus. So, here's where I'm at: I'm trying to wire this ECU to bus the serve number is 1227747 that's the ECU I need to pinout for, or a wiring diagram should I say.
Jun 12, 2022 at 12:51 AM
Avatar
STEVEN GRIBBINS
  • MEMBER
  • 26 POSTS
Whoever you are I sure appreciate your help, it's been a lot of help.
Jun 12, 2022 at 12:51 AM
Avatar
AL514
  • CERTIFIED EXPERT
  • 5,465 POSTS
It's all good, that's why we're here. To help people out. As for the ECM, I can't really identify an ECM by is serial number. I'd need to know what the ECM is designed for. Is it for the 1992 G-30 5.7 liter? I did a search on that number for ECMs and came up with a C1500 Chevrolet ECM 4.3L, 5.0L, 5.7L, 1988, 89, 90, 91'.
But just so you know, the engine that will be going with this ECM, needs to have the correct number of teeth on the crankshaft reluctor wheel. Or the correct pick in the distributor if that's what it has for a setup. The ECM is expecting to count a certain number of pulses from the crankshaft position sensor, or it will not trigger the ignition and/or fuel injectors correctly.
So, i looked up a 1991 Chevrolet C1500 5.0liter, and there are some different options, for example there are diagrams for just the ECM and sensors, then there are diagrams which are more like the whole harness type of diagram. Also, there is listed ECM 1 and ECM 2 but I don't see much difference in the two ECM diagrams. I'll give an example of each one below.
So, pages 1 and 2 are just the ECM by the number you gave. Pages 3 and 4 are just the computer and sensors. No bulk connectors or anything like that, Pages 5 and 6 are the Engine Harness type diagrams.
Jun 12, 2022 at 9:41 AM
Avatar
STEVEN GRIBBINS
  • MEMBER
  • 26 POSTS
Hey buddy, not really off the subject or nothing but this bus has a 4l80e in it I remember one time before I had a 2001 with a 4L80E in it and I wired it for 100% line pressure and shifted it manually through the gears and I've done just fine for a couple years like that. is there any by chance you can possibly get me some kind of wiring diagram to wire this thing for 100%-line pressure carburetor on there, so I can get rid of all this other stuff with a fuel pressure regulator and go on like that. If it's all possible maybe you can walk them through by chance.
Jun 12, 2022 at 1:33 PM
Avatar
AL514
  • CERTIFIED EXPERT
  • 5,465 POSTS
The fuel pressure regulator on the fuel rail should be vacuum operated. It actually only really increases the fuel pressure by about 5-8PSI. That computer though is going to need a pulse from the pickup coil anyway to fire the ignition coil. And are you only referring to fuel pressure or line pressure in the transmission? The diagrams that are here for that computer also have transmission input pages 1 and 2 and output pages 3 and 4.
But I think you're trying to throw too much together that in the end you're going to end up with more issues to deal with than you want. Really putting on a throttle body that has two fuel injectors will actually be easier since that computer is already set up for that.
Jun 12, 2022 at 3:05 PM