CAN BUS System, do Toyota Hilux, Prado or SUVs have can bus system on them?

2016 TOYOTA LAND CRUISER PRADO
132,654 MILES
Avatar
MBIR
  • MEMBER
  • 18 POSTS
help me locate them. If schematic diagrams were available, i would need them.
Jan 31, 2024 at 10:16 PM
Advertisement
Avatar
STRAILER
  • CERTIFIED EXPERT
  • 53,854 POSTS
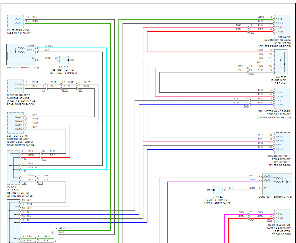
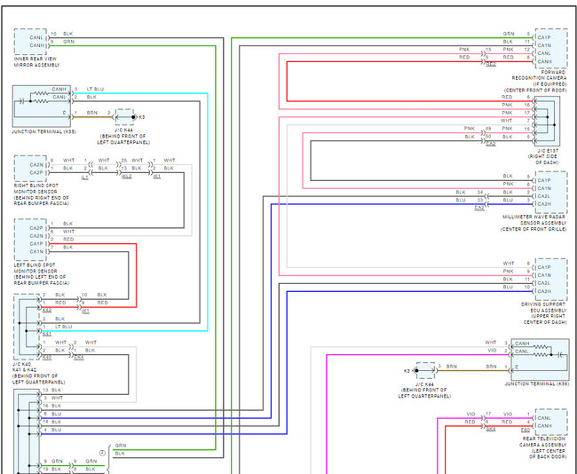
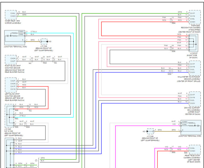
The CAN BUS system involves network modules and connects most of the car's modules and computers together so information can be shared between them and work together. Here is how to run codes in the CAN BUS and I have included the wiring diagrams that make up the system so you can see how it works and which components are in the system as well. You can get a CAN scanner (Controller Area Network) which will work on most cars from Amazon.

Here is a video to show you how:


https://youtu.be/u-4syLc-ifQ

and

https://www.2carpros.com/articles/can-scan-controller-area-network-easy


Check out the images (below). Let us know if you need anything else.
Feb 1, 2024 at 12:27 PM