CAN BUS Issues?

2017 DODGE CHALLENGER
83,000 MILES • 5.7L • V8 • 2WD • AUTOMATIC
Avatar
F-RONCE
  • MEMBER
  • 1 POST
The car listed above is an r/t model, and it does not crank. I scanned the vehicle and multiple CAN Bus codes are stored (DTC Report attached). The only Active codes are B16FB-15 "Right Front Fog Lamp Control-Circuit Short to Battery or Open," B16F7-15 "Left Front Fog Lamp Control-Circuit Short to Battery or Open,"P1009-00 "Humidity Sensor Module" and U1190-00 Lost communication with humidity sensor."

Since the humidity sensor was the only P-code, i swapped out the sensor but the car will not turn on.

I also have tested the CAN Bus system with a millimeter. The battery is supplying about 12.6 volts and the resistance is 60ohms (59.8). However, the voltage and ohm readings in the CAN high and CAN low lines is 0 which leads me to believe that I have a ground to short on the CAN lines.

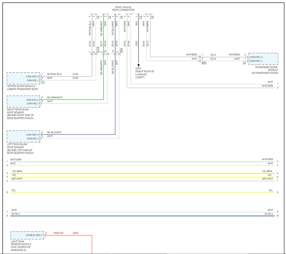
I would appreciate any help as maybe there is something I am missing. I think a CAN Bus wiring diagram would be helpful to continue to diagnose but I have been unable to find one.
Aug 14, 2023 at 3:35 PM
Advertisement
Avatar
STRAILER
  • CERTIFIED EXPERT
  • 53,854 POSTS
Going over the report it looks like the BCM is not working which I have seen before, but here are the CAN wiring diagrams and a guide to help you test the connections:

https://www.2carpros.com/articles/how-to-check-wiring

Here is the location of the BCM in case you need it, you can get a preprogrammed unit by searching Google or Ebay. Check out the images (below). Please let us know how it goes.
Aug 15, 2023 at 10:18 AM